|
Неправильная установка или ремонт систем отопления и охлаждения Webstone может привести к возгоранию или утечке выхлопных газов, даже со смертельным исходом. Это может привести к серьезным травмам или смерти. Установка и техническое обслуживание системы отопления и охлаждения Webstone требует обучения, технической документации, специальных инструментов и специального оборудования. Можно использовать только оригинальные детали от Webstone. По этой причине, пожалуйста, ознакомьтесь с каталогом запасных частей вентиляционных и сантехнических обогревателей Webstone. Если вам не удалось успешно пройти обучение в Webstone и, следовательно, у вас нет необходимых технических возможностей, а также технических документов, инструментов и оборудования, необходимых для надлежащей установки и обслуживания, не пытайтесь устанавливать или ремонтировать систему отопления или охлаждения Webasto. Пожалуйста, всегда следуйте всем инструкциям по установке и техническому обслуживанию Webstone, а также всем предупреждениям. Webstone не несет ответственности за дефекты и ущерб, вызванные установкой неподготовленным персоналом.
|
1. Вступление
1.1 Содержание и цель
Данное руководство по ремонту предназначено для оказания поддержки специалистам при ремонте AT 4 дизельных воздухонагревателей.
1.1.1 Использование воздухонагревателей
Воздухонагреватель Webasto AT 4 может использоваться для
- Отопления жилищ, судов, грузовиков, мини-автобусов, фургонов, машин скорой помощи и домов на колесах
- Размораживания автомобильных стекол
- Обогрева груза
Нагреватель подключен к топливному баку и электрической системе, и его работа не зависит от двигателя.
Может использоваться для автомобилей, оснащенных двигателями с водяным или воздушным охлаждением.
1.2 Значение предупреждающих слов
В данном руководстве конкретные значения предупреждающих слов «предупреждение», «важное напоминание» и «внимание» следующие:
Предупреждение
Это название используется для того, чтобы подчеркнуть, что несоблюдение в полном объеме инструкций или процедур может привести к травмам или несчастным случаям со смертельным исходом.
Важное примечание
Это название используется для того, чтобы подчеркнуть, что несоблюдение в полном объеме инструкций или процедур может привести к повреждению деталей.
Внимание
Этот заголовок используется для напоминания о том, что особое внимание следует уделять особым вопросам.
1.3 Другие документы, которые необходимо использовать
При необходимости вы также можете воспользоваться инструкциями по эксплуатации, инструкциями по установке и документами по установке для конкретного автомобиля.
1.4 Законодательные нормы и правила техники безопасности
В принципе, необходимо соблюдать общие правила предотвращения несчастных случаев и эффективные инструкции по защите при эксплуатации.
Ниже приводится содержание «Общих мер предосторожности», которые выходят за рамки настоящих правил (см. раздел 1.4.2). Любые особые правила техники безопасности, относящиеся к данному руководству пользователя, будут освещены в соответствующих главах или текстовых параграфах соответствующего процесса.
1.4.1 Правовые положения, касающиеся установки
Сертификаты типа, соответствующие стандартам ECE-R 10 (EMC) и ECE-R 122 (система отопления), применимы к нагревателям AT4.
1.4.2 Общие рекомендации по технике безопасности
Техническое обслуживание и ввод в эксплуатацию оборудования может выполняться только персоналом, прошедшим обучение в Webstone. Техническое обслуживание и установка оборудования должны выполняться в соответствии с руководством по техническому обслуживанию и инструкциями по установке.
Кончик выхлопной трубы проходит вниз в сторону, или в случае, когда выхлопная труба установлена под полом транспортного средства, она выдвигается рядом с боковой или сзади кабины/транспортного средства.
Это не влияет на работу компонентов, которые играют важную роль в эксплуатации автомобиля. Не допускайте образования конденсата или скопления воды в выхлопной трубе. Могут потребоваться дренажные отверстия.
Провода, выключатели и устройства управления отопителем должны быть установлены в автомобиле таким образом, чтобы это не повлияло на его нормальную работу в нормальных условиях эксплуатации.
При прокладке топливопроводов и установке дополнительных топливных баков необходимо соблюдать правила ECE-R 122.
Краткое изложение основных положений настоящего регламента:
- Все топливные баки, из которых подается масло в отопитель, должны соответствовать следующим требованиям:
(a) В случае утечки топливо должно вытекать на землю, не соприкасаясь с нагревающимися частями транспортного средства или груза.
(b) Топливный бак, содержащий бензин, должен быть оснащен эффективным пламегасителем или полностью герметичной крышкой на заправочном отверстии.
- Необходимо убедиться, что выхлопная система и выхлопные трубы находятся в правильном положении, или защитить выхлопную систему и трубопроводы, чтобы не подвергать товар воздействию опасных высоких температур или открытого огня. Компоненты выхлопной системы, установленные непосредственно под топливным баком (дизельное топливо), должны находиться на расстоянии не менее 100 мм от топливного бака или защищены теплоизоляционными панелями.
Срок службы теплообменника воздухонагревателя составляет до 10 лет, после чего он должен быть заменен производителем или его авторизованной ремонтной мастерской оригинальными запасными частями. На замененном нагревателе должна быть маркировка с указанием даты продажи и надписью «Оригинальные запасные части».
При замене теплообменника необходимо также заменить взрывозащищенный датчик температуры, чтобы предотвратить выход из строя при использовании старого взрывозащищенного датчика температуры.
Если обогреватель AT 4 предполагается установить внутри автомобиля, он должен быть подготовлен к установке таким образом, чтобы его можно было установить и закрепить непосредственно на полу вагона или на стене вагона. Если вы используете аксессуары, предоставляемые Webasto, в автомобиле запрещается использовать разъемные соединения для подачи воздуха для горения и выхлопных труб.
Между кронштейном отопителя и полом автомобиля всегда должны устанавливаться уплотнители, в противном случае это может привести к попаданию вредных выбросов внутрь автомобиля.
Необходимо убедиться, что отверстия воздухозаборников холодного воздуха и воздуха для горения расположены правильно, чтобы в соответствующие транспортные средства не попадала вода во время пересечения водоемов.
Даже в случае перегрева газовые обогреватели не должны представлять опасности пожара. Если для обеспечения достаточного расстояния между всеми компонентами и надлежащей вентиляции используются термостойкие материалы или теплоизоляционные панели, это требование считается выполненным.
Если речь идет о транспортных средствах M2 и M3, газовые обогреватели не должны устанавливаться в пассажирском салоне. Однако он также может быть установлен в квалифицированном и эффективно герметизированном корпусе.
Монтажная коробка должна быть полностью проветриваема снаружи, чтобы температура в коробке не превышала 40°C. Если температура превысит это значение, это может привести к выходу из строя.
Из-за опасности взрыва, отопитель необходимо выключать, когда автомобиль находится на территории заправочной станции и топливных емкостей.
В местах, где может образовываться легковоспламеняющийся пар или легковоспламеняющийся порошок (например, вблизи топлива, угля, опилок, амбаров и т.д.), нагреватель должен быть выключен.
Из-за риска удушения и отравления, даже если вы используете таймер, вы не должны включать обогреватель в закрытом помещении (например, в гараже или мастерской), где не установлена система отвода отработавших газов.
Если выделение дыма продолжается в течение длительного времени, во время горения возникает необычный шум или неприятный запах топлива, нагреватель необходимо выключить, вынув предохранитель, и возобновить работу можно только после осмотра специалистами, прошедшими обучение в Webstone. Претензия может быть подана только в том случае, если будет подтверждено, что заявитель соблюдал инструкции по техническому обслуживанию и технике безопасности.
Топливопровод не должен непосредственно соприкасаться с выхлопной трубой, и при необходимости он должен быть изолирован, в противном случае существует опасность пожара.
Соединения всех трубопроводов подачи топлива должны быть герметичными, не поврежденными и регулярно проверяться (по крайней мере, в рамках цикла технического осмотра автомобиля).
Внимание
Если будет установлено, что топливопровод поврежден или протекает, обогреватель нельзя использовать до тех пор, пока повреждение не будет устранено профессиональной ремонтной мастерской, авторизованной Webasto. Выньте предохранитель и не включайте нагреватель.
Перегрев
Убедитесь, что на входе холодного и выходе теплого воздуха нет пыли и посторонних предметов. Если воздуховыпускной патрубок засорен, это может привести к перегреву и отключению устройства.
После перегрева и закрытия необходимо проверить, свободен ли воздуховод, и в то же время удалить все предметы, препятствующие потоку воздуха, в противном случае воздуховод должен быть отремонтирован профессиональным персоналом, уполномоченным Webasto.
Не снимайте решетку перед входом холодного воздуха.
Неисправность блокировки должна быть устранена путем выключения и последующего запуска нагревателя. Если эти меры не сработают (снова произойдет перегрев), автомобиль необходимо снова доставить в профессиональную ремонтную мастерскую, авторизованную Webasto.
Воздуховыпускная форсунка или вентиляционное отверстие с регулируемой крышкой всегда следует держать открытым, чтобы поток воздуха через нагреватель не был полностью закупорен. Следите за тем, чтобы по крайней мере одно воздуховыпускное отверстие было закрыто не полностью.
Если нагреватель установлен в складском помещении, вы должны убедиться, что в этом помещении не хранятся легковоспламеняющиеся вещества и что другие хранящиеся материалы не повлияют на подачу газа в нагреватель.
Воздуховод должен быть надежно подсоединен к нагревателю и всем другим соединениям (таким как воздуховыпускные отверстия) (например, с помощью хомутов для труб).
Важное примечание
- Не подвергайте нагреватель воздействию окружающей среды при температуре выше 85°C (температура хранения). В противном случае это может привести к необратимому повреждению электронного оборудования.
- Не стойте на обогревателе, не ставьте на него тяжелые предметы и не бросайте в него посторонние предметы.
- Не кладите одежду, ткани или аналогичные предметы на обогреватель или перед входом холодного воздуха и выходом теплого воздуха.
- Не используйте воспламеняющиеся вещества или материалы (например, тряпки, чистую шерсть и т.д.) для ограничения или блокирования потока горячего воздуха в обогревателе.
- Легковоспламеняющиеся взрывоопасные вещества и газы не должны располагаться вблизи нагревателей, труб для подачи теплого воздуха, потоков теплого воздуха или выхлопных труб или соприкасаться с ними.
- Не используйте мойку высокого давления для очистки нагревателя.
- Не выключайте нагреватель с помощью выключателя основного аккумулятора или выключателя изоляции аккумулятора, в противном случае выключатель изоляции аккумулятора может привести к длительному повреждению из-за частых отключений, что может привести к повреждению и негативным последствиям для работы нагревателя.
Требование об ответственности
- Webasto отказывается брать на себя какую-либо ответственность за сбои, вызванные несоблюдением инструкций по установке и содержащихся в них мер предосторожности.
- Настоящие правила также применяются к ситуациям ненадлежащего ремонта или ремонта без использования оригинальных запасных частей.
- Обязательно ознакомьтесь с инструкцией по эксплуатации перед вводом нагревателя в эксплуатацию.
2 Общее описание
Воздухонагреватель AT 4 сконструирован в соответствии с принципом работы системы сгорания во впускном коллекторе и в основном состоит из следующих компонентов:
- Приводной блок (Приводной двигатель с вентилятором сгорания и нагревательным вентилятором)
- Теплообменник
- Кронштейн испарителя с трубкой сгорания
- Блок управления (ECU)
- Электрическая нагревательная вилка
- Детали корпуса
- Нижнее уплотнение
Внутренняя часть нагревателя управляется и контролируется с помощью следующих компонентов:
- Блок управления (ECU)
- Датчик температуры
Подача топлива снаружи автомобиля осуществляется через топливный насос.

Рисунок 201 Воздухонагреватель Webasto AT 4

Рисунок 202 Воздухонагреватель Webasto AT 4 (без корпуса)
2.1 Приводной блок
Приводной блок состоит из приводного двигателя, вентилятора внутреннего сгорания, вентилятора теплого воздуха и корпуса воздухозаборника.
Вентилятор внутреннего сгорания подает воздух, необходимый для процесса горения, от впускного отверстия для воздуха для горения к основанию испарителя.
Вентилятор теплого воздуха подает холодный воздух от впуска холодного воздуха к выпуску теплого воздуха через теплообменник.

Рисунок 203 Приводной блок
2.2 Теплообменник
Тепло от сгорания, выделяющееся в теплообменнике, выделяется в холодный воздух, подаваемый вентилятором теплого воздуха.

Рисунок 204 Теплообменник
2.3 Узел горелки
Топливо распыляется с помощью металлической сетки на кронштейне электрической нагревательной вилки, и смесь топлива и воздуха сжигается в камере сгорания.

Рисунок 205 Узел горелки
2.4 Электрическая нагревательная вилка
Когда нагреватель запускается, смесь топлива и воздуха воспламеняется от электрической нагревательной вилки. Электрическая нагревательная вилка установлена в узел горелки (кронштейн испарителя с топочной трубкой) лицом к пламени и действует как резистор.

2.5 Датчик температуры
Датчик температуры отвечает за измерение температуры вокруг радиатора теплообменника в течение всей работы нагревателя.
Блок управления (ECU) получает данные о температуре от датчика температуры и регулирует частоту прокачки масла нагревателем для достижения контроля температуры.
Рисунок 207 Датчик температуры
2.6 Блок управления (ECU)
Блок управления является основным компонентом нагревателя.
Он отвечает за управление электрической нагревательной вилкой, приводным блоком, топливным насосом внутри отопителя, а также за прием и контроль температуры данных датчика температуры.

Рисунок 208 Блок управления
2.7 Топливный насос
Топливный насос представляет собой интегрированную систему, которая объединяет функции перекачки, дозирования и отключения для подачи топлива в отопитель.
Нагреватель AT 4 должен приводиться в действие с помощью топливного насоса DP 42.

Рисунок 209 Топливный насос DP 42
3 Описание функции
3.1 Элемент управления
Нагревателем AT 4 можно управлять с помощью элементов управления, таких как ручки или жидкокристаллические блоки управления.
Конкретная операция описана в инструкциях по эксплуатации соответствующего элемента управления.
Установленные элементы управления могут использоваться для:
- Начала проверки
- Управления коробкой передач
- Индикации сигнала неисправности.
- Дисплей рабочего состояния нагревателя
3.2 Запуск
Включите выключатель обогревателя.
После включения переключателя обогревателя загорается жидкокристаллический экран. После включения обогрева электрическая нагревательная вилка предварительно нагревается, и приводной двигатель с вентилятором внутреннего сгорания и вентилятором теплого воздуха начинает работать.
Примерно через 40 секунд заработает топливный насос, и начнет образовываться пламя. Чтобы улучшить качество запуска, система управляет топливным насосом и приводным блоком на различных частотах и скоростях.
Еще через 80-120 секунд электрическая нагревательная вилка закрывается, и пламя остается стабильным.
Автоматический перезапуск
Если блок управления (ECU) не интерпретирует образование пламени, процедура запуска будет повторена. Электрическая нагревательная вилка снова откроется. Примерно через 40 секунд заработает топливный насос, и начнет образовываться пламя.
Еще через 80-120 секунд электрическая нагревательная вилка закрывается, пламя остается стабильным, и зажигание происходит успешно.
Если нагреватель по-прежнему не может успешно включиться после повторного включения, он сообщит об ошибке «не запускается».
3.3 Режим нагрева
Во время работы нагревателя тепло, выделяемое при сгорании, выделяется на поверхность теплообменника, а холодный воздух, проходящий через поверхность теплообменника, обменивается с образованием горячего воздуха и транспортируется в автомобиль.
Когда нагреватель включен и запущен, когда заданная температура на элементе управления выше температуры окружающей среды, нагреватель работает на максимальной мощности. Когда температура окружающей среды превышает заданную, нагреватель автоматически регулирует рабочий режим.
3.4 Прерывание управления
Во время работы нагревателя, когда температура воздуха на выходе достигает заданного значения в блоке управления (ECU), нагреватель переключается на пониженную передачу, а элемент управления отображает «пониженная передача при превышении температуры».
Когда нагреватель переключается на минимальную передачу, температура воздуха на выходе все еще выше заданного значения, нагреватель переходит в режим вентиляции, и на панели управления отображается надпись «вентиляция при повышенной температуре». Через 5 минут нагреватель снова включится.
3.5 Выключение
Выключите нагреватель, элемент управления отобразит обратный отсчет до выключения, масляный насос перестанет работать, а блок управления (ECU) автоматически отрегулирует скорость вращения вентилятора в приводном блоке в соответствии с температурой поверхности теплообменника и продолжит отводить тепло для нагревателя до тех пор, пока он не будет выключен. (Время выключения составляет около 3 минут)
3.6 Устранение неполадок
Во время работы отопителя узел отопителя выходит из строя. После того, как блок управления (ECU) распознает неисправность, управляющий топливный насос перестает работать и отопитель переходит в процесс выключения. В то же время блок управления (ECU) посылает сигнал о неисправности на элемент управления посредством диагностики неисправности сигнальная линия, и элемент управления отображает код неисправности.
Конкретный процесс устранения неполадок заключается в следующем:
↓
2. Произошла ошибка, и блок управления (ECU) обнаружил неисправность
↓
3. На панели управления отображается код неисправности
↓
4. Выключите обогреватель
↓
5. Определите причину сбоя
↓
6. Устранение неполадок
↓
7. Перезапустите нагреватель
4 Технические данные
Если не указано предельное значение, технические данные, приведенные в таблице, относятся к допуску нагревателя ±10% при температуре окружающей среды на 20°C выше нуля и при номинальном напряжении и номинальных условиях эксплуатации.
Электрические компоненты:
Расчетное напряжение блока управления, электрической нагревательной вилки и элемента управления составляет 24 В.
Приводного блока, топливного насоса и датчика температуры не зависит от источника питания.
Дизельная версия AT4:
Необходимо использовать дизельное топливо, указанное производителем в соответствии с DIN EN 590.
Нам совершенно ясно, что использование добавок не окажет негативного воздействия.
Если вы извлекаете топливо из топливного бака автомобиля, пожалуйста, следуйте инструкциям по добавкам, выданным производителем автомобиля.
Если он заменен на низкотемпературное топливо, необходимо дать нагревателю поработать около 20 минут, чтобы заполнить топливную систему новым топливом.
Описание таблицы (рис. 401): Значения в скобках относятся к более высокой мощности нагрева, которая включается в течение ограниченного периода времени в течение каждого периода запуска.
| Обогреватель | AT4 |
| Тип | Воздухонагреватель |
| Размер нагревателя |
длина ⅹ ширина ⅹ высота 388 мм ⅹ 175 мм ⅹ 141 мм |
| Выход тепла | Диапазон регулирования от 1,7 до 3,5 (4,0) кВт |
| Топливо | Дизельное топливо |
| Расход топлива | Диапазон регулирования от 0,15 до 0,36 (0,41) кг/ч, от 0,18 до 0,43 (0,49) л/ч |
| Номинальное напряжение | 12 B/24 B |
| Диапазон рабочих напряжений | 10,5 - 16 B,20,5 B ~ 31 B |
| Номинальная потребляемая мощность | Диапазон регулирования 15 - 40 (55) Вт |
| Температура хранения | от -55°C до +70°C |
| Рабочая температура | от -40°C до +40°C |
| IP защита | IPX4/IP5X |
| Высота продукта | ≤ 5500 м |
| вес | ≤ 5,5 кг |
Рисунок 401 Технические данные AT4
| Пункт | Температура | 24 B |
| Датчик температуры воздуха на выходе | 20°C | 55 ~ 67 кОм |
| Датчик температуры поверхности теплообменника | 20°C | 1076 - 1080 Ом |
| Отключение при пониженном напряжении (время срабатывания > 20 с) | 20,5 В | |
| Отключение от перенапряжения (время срабатывания > 6 с) | 31 В |
Рисунок 402 Настройка сопротивления компонента
5. Устранение неполадок
(текстовое содержимое было удалено, а таблица устранения неполадок обновлена в соответствии с фактической ситуацией AT4)
| Код неисправности | Тип неисправности | Устранение неполадок |
| E01 | Сбой запуска |
Проверьте, работает ли масляный насос; Проверьте, не натерто ли каждое соединение масляного контура воском или не заблокировано; |
| E02 | Недостаток масла | Проверьте, не закончилось ли масло в топливном баке; |
| E03 | Ненормальное напряжение |
Проверьте, соответствует ли тип напряжения питания отопителя фактическому напряжению в автомобиле; Версия 24 В проверяет, является ли напряжение питания выше 32 В или ниже 20,5 В; Проверьте, не ослаблен ли разъем основного жгута проводов и не является ли он виртуальным; |
| E04 |
Неисправность датчика температуры поверхности выходного воздуха/теплообменника |
Проверьте, не ослаблен ли или не отсоединен датчик температуры поверхности выходного воздуха/теплообменника; Неисправен датчик температуры поверхности выходного воздуха/теплообменника, замените датчик; Блок управления (ECU) выходит из строя, замените блок управления (ECU); |
| E05 | Неисправность датчика температуры на входе воздуха | Неисправен датчик впуска воздуха, замените материнскую плату; |
| E06 | Неисправность масляного насоса |
Проверьте, не ослаблен ли или не отсоединен заглушка масляного насоса; Проверьте, отсоединен ли основной жгут проводов; Неисправность масляного насоса, замените масляный насос; |
| E07 | Неисправность вентилятора |
Проверьте, не заклинило ли рабочее колесо вентилятора; проверьте, не ослаблен ли или не отсоединен вилка вентилятора; Неисправность вентилятора, замените вентилятор; Проверьте, отсутствует ли индукционный магнит ветроколеса или установлена неправильная полярность; Проверьте, работает ли датчик скорости ветра на материнской плате в норме; Блок управления (ECU) выходит из строя, замените блок управления (ECU); |
| E08 | Неисправность свечи зажигания |
Проверьте, не отсоединен заглушка свеча зажигания; Неисправность свечи зажигания, замените свечу зажигания; Блок управления (ECU) выходит из строя, замените блок управления (ECU); |
| E09 | Защита от перегрева |
Неисправен датчик температуры поверхности выходного воздуха/теплообменника, замените датчик; Блок управления (ECU) выходит из строя, замените блок управления (ECU); |
Рисунок 502 Неисправности и меры по устранению неполадок
6. Функциональный контроль
6.1 Общая информация
В этом разделе в основном описываются испытания, проведенные с нагревателем как в установленных, так и в неустановленных условиях, чтобы проверить, работает ли нагреватель.
Предупреждение
Не используйте обогреватели в закрытых помещениях (таких как гаражи и мастерские), которые не оборудованы системой отвода отработавших газов.
6.2 Необходимое испытательное и измерительное оборудование
Испытательное и измерительное оборудование должно быть откалибровано, а в качестве доказательства должен быть предоставлен сертификат измерения.
Цифровой мультиметр
Испытательное сопротивление [Ом], непрерывность электропроводности ≤ 0,1 Ом
Испытательный ток < 5 мА
Источник напряжения, регулируемый
Значение измерения напряжения [B] 10 - 30 B ≥ 30 A
Испытательный стенд нагревателя
Проверка работоспособности нагревателя
PC (персональный компьютер)
Диагностический адаптер Webasto (включая программное обеспечение)
Отображение памяти неисправностей, рабочих данных и информации о блоке управления.
Эталонный нагреватель должен постоянно проверяться на работоспособность.
Необходимо учитывать интерфейсы, зависящие от конкретного приложения. Его необходимо протестировать с помощью откалиброванного топливного насоса, который был проверен на непрерывную работу. Соответствующие технические требования
Ознакомьтесь с документацией по продукту Webasto. Рекомендуется использовать компонент Webasto. Особое внимание необходимо уделять труду и охране труда.
6.3 Связанные настройки
6.3.1 Заводские настройки
Исходя из высоты 0 метров над уровнем моря, нагреватель устанавливается на заводе-изготовителе.
Если использовать его на большей высоте над уровнем моря, нагреватель регулирует рабочее состояние в зависимости от разных высот над уровнем моря.
6.4 Тестирование отдельных компонентов
Важное примечание
Перед выполнением функционального теста необходимо отсоединить соединительную линию между блоком управления и тестируемым компонентом.
Внимание
Если произошел сбой, который не может быть обнаружен с помощью этой программы, оборудование/компоненты должны быть отправлены в гарантийный отдел Webasto.
Внимание
Webasto не может распознать ущерб, вызванный загрязнением!
Легенда
(1) Замените компоненты. Отправьте неисправные компоненты (не весь нагреватель целиком) в компанию Webasto в течение гарантийного срока.
(2) Замените компоненты и продолжайте.
(3) Замените нагреватель. Отправьте неисправный нагреватель в Webasto в течение гарантийного срока
(4) Продолжение.
6.4.1 Горелка в сборе
6.4.2 Вентилятор теплого воздуха в сборе

6.4.3 Электрическая нагревательная вилка в сборе

6.4.4 Приводной блок в сборе

6.4.5 Датчик температуры в сборе

6.4.6 Компоненты блока управления

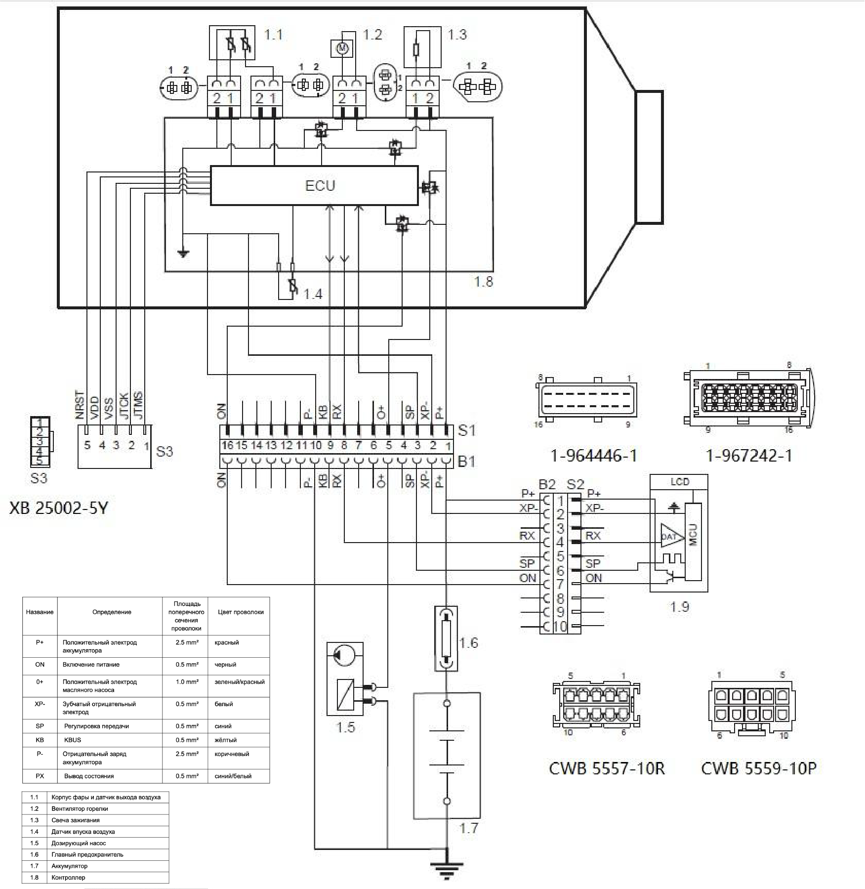
7 Электрическая схема

Рисунок 701 Электрическая принципиальная схема нагревателя
8 Работы по техническому обслуживанию
8.1 Общая информация
В этом разделе в основном описываются работы по техническому обслуживанию, которые необходимо выполнить после установки нагревателя.
8.2 Выполните операции с нагревателем
Перед выполнением каких-либо операций с обогревателем обязательно отсоедините основной шнур питания, подключенный к автомобильному аккумулятору. Во время нормальной работы или замедления работы нагревателя не следует отключать питание основного аккумулятора, поскольку это может привести к срабатыванию устройства защиты от перегрева из-за перегрева нагревателя.
Если вам необходимо выполнить много ремонтных работ на обогревателе, рекомендуется удалять его целиком.
Если вы хотите установить нагреватель на место после его снятия, необходимо заменить базовое уплотнение.
Если во время технического обслуживания необходимо изменить место установки, необходимо соблюдать соответствующие инструкции по установке и рекомендации по установке нагревателя для конкретных моделей.
8.3 Выполнять задания в автомобиле
Важное примечание
Ни при каких обстоятельствах (например, при выполнении работ по покраске транспортного средства) температура вблизи обогревателя не должна превышать 85°C.
8.4 Пробная эксплуатация нагревателя
Предупреждение
Даже если можно использовать таймер, нагреватели не должны использоваться в закрытых помещениях (таких как гаражи и мастерские), которые не оборудованы системой отвода отработавших газов.
Важное примечание
Поскольку это может привести к перегреву, запрещается эксплуатировать нагреватель без крышки блока управления.
8.5 Работы по техническому обслуживанию
Внимание
Чтобы предотвратить застревание механических деталей, нагревателю следует давать поработать примерно 10 минут каждые четыре недели.
При чередовании лета и зимы летнее дизельное топливо, используемое отопителем, необходимо заменить на зимнее дизельное топливо и включить на полную мощность в течение 20 минут.
При нормальных обстоятельствах нагреватель не требует технического обслуживания. Однако, по крайней мере, в начале отопительного периода (после которого обогреватель необходимо использовать из-за плохих погодных условий), его следует регулярно проверять специалистами, прошедшими обучение в Webasto.
После работы нагревателя в течение 3000 часов или после 3 лет использования
Для обеспечения функциональной надежности нагревателя необходимо выполнить следующие работы по техническому обслуживанию:
- Проверьте впуск холодного и выпуск теплого воздуха на наличие грязи и посторонних предметов. (Загрязненные или заблокированные воздуховоды отопления и охлаждения могут привести к перегреву.)
- Очистите нагреватель снаружи (чтобы предотвратить попадание воды внутрь).
- Проверьте электрические соединения на предмет контактной коррозии и убедитесь в прочности соединения.
- Проверьте выхлопную трубу и патрубок воздуха для горения на наличие повреждений и убедитесь, что они чистые и без посторонних предметов.
- Если установлен топливный фильтр, его необходимо заменить.
- Проверьте топливопровод и топливный фильтр на наличие утечек.
8.6 Инструкции по визуальному осмотру и установке
8.6.1 Система нагрева и охлаждения воздуха
Важное примечание
Поскольку температура воздуха на выходе из отопителя слишком высока, не допускается подключать воздуховод отопителя к системе вентиляции, поставляемой в комплекте с автомобилем.
Внимание
В теплых воздуховодах могут использоваться только материалы, обладающие постоянной термостойкостью и способные выдерживать высокие температуры не менее 130 °C.
Если в системе циркуляции воздуха используется нагреватель, то решетку со стороны входа холодного воздуха и выхода теплого воздуха можно использовать одновременно. Необходимо избегать короткого замыкания воздуховодов нагрева и охлаждения.
Рекомендуемый внутренний диаметр основного ответвления трубопровода теплого воздуха: 90 мм и 75 мм
Шланг подачи горячего и холодного воздуха должен быть прочно подсоединен к соответствующему соединению.
Важное примечание
Если в автомобиле находятся пассажиры, необходимо отрегулировать выпуск воздуха таким образом, чтобы он находился на расстоянии не менее 20 см от тела пассажира.
При каждом включении элемента управления он автоматически проверяет температуру окружающей среды в автомобиле. Если будет обнаружено, что температура в автомобиле превышает заданную температуру, обогреватель прекратит запуск и перейдет в режим ожидания. До тех пор, пока температура в автомобиле не станет ниже заданной, обогреватель автоматически включится снова.
Воздушный фильтр
Фильтр, используемый в системе холодного воздуха, должен обладать следующими характеристиками:
- Поток воздуха не должен заносить в обогреватель или автомобиль никаких легковоспламеняющихся и/или вредных волокон или частиц.
- Фильтрующий материал выдерживает температуру не менее 60°C.
- Фильтрующий материал должен выдерживать воздействие всех веществ, вдыхаемых с холодным воздухом (таких как влага, соль, пары топлива и т.д.).
- При проектировании контура нагрева и охлаждения воздуха необходимо полностью учитывать сопротивление самого фильтра.
8.6.2 Топливная система
Требования, касающиеся топливной системы, приведены в инструкции по установке, приведенной в разделе AT 4.
Топливо поступает из топливного бака автомобиля, топливопровода автомобиля или независимого топливного бака.
8.6.2.1 Топливный насос
Топливный насос представляет собой интегрированную систему, которая объединяет функции перекачки, дозирования и отключения. При установке он должен соответствовать соответствующим стандартам (конкретное место установки указано на рисунке 801).
Нагреватель AT 4 должен приводиться в действие с помощью топливного насоса DP 42.

Рисунок 801 Место установки топливного насоса DP 42
Место установки
Не устанавливайте топливный насос в зоне излучения отопительных элементов автомобиля. При необходимости он должен быть защищен теплозащитным экраном. Лучше всего устанавливать его рядом с топливным баком.
Допустимую температуру окружающей среды можно найти в главе 4 «Технические характеристики».
Установка и аксессуары
Топливный насос должен быть закреплен с помощью амортизирующей подвески. Его установочное положение фиксировано, подробности см. на рисунке 801 (максимальный угол наклона топливного насоса, осевое положение установки топливного насоса).
Стрелка указывает направление подачи топлива.
8.6.2.2 Топливный фильтр
Если существует вероятность загрязнения топлива, необходимо установить соответствующий топливный фильтр (например, топливный фильтр Webasto). Устанавливайте как можно более вертикально, по крайней мере горизонтально (см. рис. 802).
Внимание
Следуйте указаниям места установки и направления подачи топлива, указанным на рисунке.

Рисунок 802 Топливный фильтр, место установки и направление потока топлива
8.6.3 Система воздуха для горения
Не удаляйте воздух, способствующий горению, из района проживания людей. Впускные отверстия воздуха для горения не должен быть направлен в сторону транспортного средства. Он должен быть установлен в подходящем месте, чтобы избежать засорения из-за грязи.
Внимание
Если вы используете бензиновую версию обогревателя, воздух для горения, должен отводиться через воздуховод воздуха для горения.
Температура воздуховода воздуха для горения должна быть как можно ниже, а также не допускать попадания на него брызг воды. Если нагреватель установлен в герметичной монтажной коробке, воздух для горения должен вдыхаться снаружи, а выбросы должны выводиться наружу. При пробивании отверстий в проходе трубопровода необходимо следить за тем, чтобы выхлопные газы не попадали в автомобиль.
Если воздух для горения может быть загрязнен, можно установить воздушный фильтр, способствующий горению. Впускной глушитель должен использоваться для впускных шлангов длиной менее 0,5 метра.
8.6.4 Выхлопная система
Выхлопная труба должна быть прикреплена к отопителю и глушителю выхлопных газов с помощью подходящего зажима для выхлопной трубы.
Необходимо убедиться, что глушитель выхлопных газов (рис. 803) не находится в самом низком положении выхлопного тракта и установлен рядом с отопителем.
Направление воздушного потока произвольно.
Даже если глушитель выхлопных газов не установлен, обогревателем можно управлять.

Рисунок 803 Место, где можно установить глушителя выхлопных газов
Возможное направление воздушного потока
8.6.5 Впускные и выпускные трубы воздуха для горения
Внимание
Не путайте впускную трубу и выхлопную трубу воздуха для горения. При использовании необходимо установить выхлопные трубы.
При прокладке впускной и выпускной труб следует избегать образования конденсата. Если направление трубопровода не позволяет отводить конденсат естественным путем, необходимо пробить дренажное отверстие с внутренним диаметром 4 мм в соответствующей нижней точке трубопровода.
Внимание
Если длина выхлопной трубы составляет не менее 2 м, необходимо использовать изолированную выхлопную трубу (для предотвращения падения температуры ниже точки росы).
Минимальный радиус изгиба: 50 мм
Общая траектория изгиба:
Труба воздуха для горения: Максимум 270°
Выхлопная труба: Максимум 270°
Для достижения угла 90°±10° необходимо установить стационарное приспособление на расстоянии не более 150 мм от конца выхлопной трубы.

Рисунок 804 Место, где можно установить конец выхлопной трубы
Предупреждение
Если конец выхлопной трубы расположен не так, как показано на рисунке 804, может возникнуть опасность пожара.
8.6.6 Электрическое подключение
8.6.6.1 Соединитель нагревателя, элемент управления
Электрическое подключение должно быть выполнено в соответствии с соответствующей электрической схемой (см. главу 7).
Перед первым использованием нагревателя, пожалуйста, закройте крышку, чтобы предотвратить незаконную утечку теплого воздуха (перегрев нагревателя).
Жгут проводов может быть расположен с левой или правой стороны нагревателя.
8.6.6.2 Шнур питания
Источник питания предпочтительно поступает от центральной электрической системы транспортного средства.
Для защиты нагревателя следует установить дополнительный держатель предохранителя с листовой клеммой.
8.7 Демонтаж и установка
Важное примечание
После установки нагревателя его нельзя снимать.
Повторная разборка и установка могут привести к повреждению прокладки!
8.7.1 Нагреватель, разборка и установка
8.7.1.1 Разборка
- Отсоедините аккумулятор автомобиля.
- Отсоедините штекер жгута проводов от блока управления.
- Отсоедините кабель от топливного насоса в месте отсоединения.
- Соединения шлангов подачи холодного или/и теплого воздуха могут быть отсоединены по мере необходимости.
- Отсоедините разъем для подачи топлива на отопителе.
- Отсоедините соединения на входе воздуха для горения и выходе выхлопных газов на нагревателе.
- Снимите с нагревателя четыре комплекта гаек и стопорных шайб.
- Снимите нагреватель и снимите уплотнитель основания.
8.7.1.2 Установка
- Установите нагреватель в положение установки с новым уплотнением основания и закрепите его с помощью 4 комплектов гаек и стопорных шайб (используются только оригинальные гайки).
- Затяните гайку с моментом затяжки 7 Нм.
- Закрепите разъем для подачи топлива на отопителе.
- Закрепите соединения на входе воздуха для горения и выходе выхлопных газов на нагревателе.
- Снова подсоедините кабель топливного насоса.
- Подключите вилку жгута проводов к розетке на блоке управления
- Установите накладку и закрепите ее.
- При необходимости могут быть установлены и закреплены шланги для подачи холодного или/и теплого воздуха.
- Подсоедините аккумулятор.
- Опорожните систему подачи масла.
8.8 Запуск
После установки отопителя осторожно слейте топливо из системы подачи масла.
Внимание
Из-за низкого расхода топлива для заполнения топливопровода необходимо несколько раз включить выключатель отопителя.
Во время тестовой эксплуатации нагревателя необходимо проверить все точки подключения на наличие утечек и надежность установки. Если нагреватель выходит из строя во время работы, необходимо определить место неисправности и исключить его.
9 Техническое обслуживание
9.1 Общая информация
В этой главе описывается, какие работы по техническому обслуживанию можно выполнить после снятия отопителя AT 4 с автомобиля.
При дальнейшей разборке гарантия на нагреватель больше не распространяется. Сборка нагревателя может быть произведена только с использованием запасных частей из соответствующего комплекта запасных частей.
9.1.1 Меры по обработке разобранных компонентов
Важное примечание
Все уплотнительные элементы между разобранным узлом и базовым уплотнением должны быть заменены на совершенно новые уплотнения.
9.1.1.1 Очистка
- Все разобранные компоненты должны быть очищены перед сушкой.
- Оставшиеся на компонентах предметы из-за герметизации должны быть полностью удалены, и при их извлечении следует соблюдать осторожность.
9.1.1.2 Визуальный осмотр
- Проверьте все компоненты на наличие повреждений (трещин, деформации, износа и т.д.) и при необходимости замените их.
- Проверьте штекеры и кабели на наличие коррозии, плохого контакта, неисправности обжима и т.д. и при необходимости произведите ремонт.
- Проверьте розетку на наличие признаков коррозии и прочность места ее подключения. Производите ремонт по мере необходимости.

Рисунок 901 Детали для разборки/установки
| 1. Решетка воздухозаборника | 10. Обложка хоста |
| 2. Торцевая крышка воздухозаборника | 11. Камера сгорания в сборе |
| 3. Приводной блок (включая: 4.6.8.9) | 12. Теплообменник |
| 5. Материнская плата (ECU) | 13. Торцевая крышка воздуховыпуска |
| 7. Нижняя оболочка хоста | 14. Датчик температуры |
| 15. Топливный насос |
Дополнительная информация:
Температура окружающей среды, используемая для хранения, не должна превышать 85°C выше нуля или минус 40°C ниже нуля.
