Содержание
Глава I. Эксплуатации автомобиля
Двери автомобиля
Регулировка зеркал заднего вида
Обогрев лобового стекла
Бардачок и отделения для хранения
Ящик для инструментов
Приборная панель
Солнцезащитные устройства
Люк
Регулировка сиденья
Организация спального места
Регулировка рулевой колонки
Ремни безопасности
Обзор кабины водителя
Приборная доска
Переключатели и кнопки
Контрольные лампы и индикаторы
Дисплей водителя и панель индикаторов
Информация, отображаемая на дисплее и панели индикаторов
Левый комбинированный переключатель
Правый комбинированный переключатель
Замок зажигания
Электрический и воздушный сигналы (гудок)
Прикуриватель 24V
Ручной газ (для двигателей стандарта Евро II)
Освещение
MP3-плеер
Тормозная система
Кондиционер и отопитель
Механизм опрокидывания кабины
Подвеска кабины
Огнетушитель
Устройство сигнализации перенапряжения (специальное оборудование)
Глава II. Подготовка к движению
Общие сведения о проверках и техническом обслуживании
Проверка и обслуживание перед запуском двигателя
Проверка после запуска двигателя
Глава III. Вождение автомобиля
Вождение и обкатка
Экономичное использование автомобиля
Тахограф (прибор записи движения)
Нагрузка автомобиля
Эксплуатация зимой
Запуск двигателя
Остановка двигателя
Выключатель запуска и остановки под автомобилем
Коробка передач HW
Коробка передач ZF
Управление раздаточной коробкой (для полноприводных автомобилей)
Дифференциальная блокировка
Управление полуприцепом
Седельное устройство
Глава IV. Практические предложения
Замена колёс
Буксировка и запуск буксировкой
Запуск от внешнего источника питания
Пружинная тормозная камера — аварийное растормаживание
Ремни
Топливная система
Газовая система LNG
Газовая система CNG
Воздушный фильтр
Электрооборудование
Освещение
Очистка и уход за автомобилем
Глава V. Техническое обслуживание автомобиля
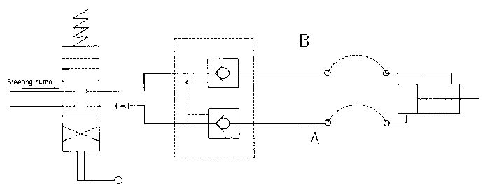
Рулевая система
Дизельный двигатель
Газовый двигатель
Сцепление и система управления
Коробка передач HW
Коробка передач ZF
Ведомый мост
Гидравлический подъёмный мост
Приводной мост
Подвеска
Обслуживание кондиционера
Обслуживание автомобиля в целом
Глава VI. Безопасность и охрана среды
Меры безопасности
Охрана окружающей среды
Глава VII. Технические параметры
Предупреждение!
- Для двигателя следует использовать специальное моторное масло, масляный фильтр и топливный фильтр, предназначенные для двигателей серии MC. Использование неподходящих материалов может привести к преждевременному износу двигателя. В этом случае ООО «Китайская корпорация по тяжёлым автомобилям» будет осуществлять обслуживание только на платной основе.- Для коробки передач необходимо применять специальное трансмиссионное масло (нигрол), предназначенное для тяжёлых автомобилей. Использование несоответствующих смазочных материалов может привести к повреждению коробки передач. В этом случае обслуживание производится только на платной основе.
- Для ведущего моста следует использовать специальное трансмиссионное масло для мостов тяжёлых автомобилей. Применение неподходящих масел приведёт к повреждению ведущего моста. В этом случае обслуживание также будет платным.
- При замене фильтрующего элемента воздушного фильтра необходимо использовать оригинальные детали, поставляемые ООО «Китайская корпорация по тяжёлым автомобилям». Использование фильтров низкого качества может вызвать повреждение двигателя из-за попадания пыли в систему воздухозабора. В подобных случаях компания предоставляет только платное обслуживание.
- Следует применять специальную охлаждающую жидкость, предназначенную для тяжёлых автомобилей. Использование неподходящей жидкости может привести к повреждению двигателя. В этом случае обслуживание будет платным.
- Замена масла и фильтрующих элементов, а также первичное и последующее техническое обслуживание должны выполняться в авторизованных сервисных центрах, назначенных ООО «Китайская корпорация по тяжёлым автомобилям». Несоблюдение этого требования может привести к повреждению автомобиля, и в таком случае компания будет оказывать только платное обслуживание.
Табличка автомобиля
Табличка автомобиля расположена на внутренней стороне первой ступени у пассажирской двери (для доступа необходимо открыть дверь). На табличке указаны модель автомобиля, основные технические параметры, модель двигателя и другая информация.
VIN-номер нанесён на внешней стороне продольной балки рамы автомобиля в районе центральной линии переднего моста, а также продублирован на табличке автомобиля. Перед эксплуатацией следует проверить соответствие VIN-номера данным в сертификате.
Табличка двигателя установлена на крышке масляного радиатора.
На ней указаны: модель двигателя, максимальная мощность и номинальная частота вращения, заводской номер, номер заказа, экологический стандарт, масса нетто и другие сведения.

Глава I. Эксплуатация автомобиля
Эксплуатация дверей автомобиля / центральный замок

Предупреждение!
Нельзя управлять автомобилем, если двери закрыты неправильно!
Эксплуатации двери автомобиля (вне автомобиля)
Открытие двери снаружи
* Если дверь не заперта, нажмите на ручку ① и потяните её на себя — дверь откроется.
* Если дверь заперта, вставьте ключ в замок ②, поверните его против часовой стрелки на 180°, затем потяните ручку ① — дверь откроется.
Закрытие двери автомобиля
Закройте дверь умеренным усилием, вставьте ключ в замок ② и поверните его по часовой стрелке на 180°. Затем выньте ключ и проверьте, что при попытке потянуть ручку ① дверь не открывается.

Открытие двери изнутри
Потяните ручку ① на себя — дверь откроется.
Запирание двери изнутри
* Закройте дверь умеренным усилием.
* Нажмите кнопку замка ②.
* Убедитесь, что дверь невозможно открыть, потянув ручку снаружи или изнутри.
Подъём и опускание электрических стёкол (со стороны водителя)

Управление стеклоподъёмниками осуществляется выключателями, расположенными на двери между внутренней обшивкой и стеклом.
* Нажмите кнопку ① или ② — стекло соответствующей двери (левое или правое) опускается. Отпустите кнопку — движение остановится.
* Потяните кнопку ① или ② вверх — стекло поднимается. Отпустите — движение остановится.
* Если удерживать кнопку более 2 секунд, стекло автоматически поднимется или опустится до конца.
Подъём и опускание стекла со стороны второго водителя
Выключатель стеклоподъёмника на пассажирской двери расположен симметрично водительскому. Одна кнопка управляет подъёмом и опусканием стекла правой двери. Принцип работы аналогичен выключателю на левой двери.
Регулирование зеркал заднего вида

- Бордюрное зеркало: удерживайте корпус зеркала ① и аккуратно нажмите на поверхность, установив нужный угол.
- Зеркало нижнего вида: удерживайте зеркало ② и поверните до нужного положения.
- Главное зеркало заднего вида: удерживайте корпус зеркала ③ и слегка нажмите, устанавливая требуемый угол обзора.
- Широкоугольное зеркало заднего вида: удерживайте корпус зеркала ④ и аккуратно отрегулируйте положение.
Обогрев лобового стекла

Управление обогревом лобового стекла описано в разделе «Модель вентиляции кондиционера».
Бардачок и отделения для хранения

- Стандартная и удлинённая кабина: левая стрелка указывает на коробку для хранения, правая - на подставку для стакана.
- Высокая кабина: стрелка указывает на коробку для хранения; в месте правой стрелки допускается установка переносного электрического подогревателя (опция).

Ящик для инструментов

На левой стороне кабины находится шкаф для инструментов ②.
Открытие:
- Найдите застёжку шкафа снаружи левого сиденья, потяните кольцо ① по направлению стрелки — шкаф откроется.
- Поднимите крышку шкафа ③ до верхнего положения — крышка автоматически зафиксируется.
Закрытие:
- Нажмите на крышку шкафа ③ — она освободится от фиксации и под действием собственного веса опустится и заблокируется.
Приборная панель

- Со стороны водителя расположена зона управления и отображения информации.
- В центре и со стороны пассажира — зона размещения и хранения предметов.
Солнцезащитные устройства

Передний солнцезащитный козырёк можно опускать и поворачивать внутрь под любым углом в зависимости от необходимости.
Люк
Предупреждение!
При выходе из кабины люк должен быть закрыт, чтобы предотвратить кражу, а также попадание дождя и пыли в салон.

Закрытое положение люка.

Полностью открытое положение люка.
Открытие

Поверните ручку ① в направлении стрелки А — люк откроется.
Закрытие

Поверните ручку ① в направлении стрелки В — люк закроется.
Регулирование сиденья

Сиденье с воздушной подвеской
Предупреждение!
- Регулировку сиденья разрешается выполнять только на стоящем автомобиле.
- Для автомобилей повышенного комфорта регулировка возможна только при рабочем давлении воздуха не менее 8 бар.
Убедитесь, что слышен щелчок фиксатора сиденья.
Не устанавливайте на водительское или пассажирское сиденье детские кресла.
Перед началом движения обязательно пристегните ремень безопасности (см. раздел «Ремень сиденья»).
1. Ручка продольного перемещения
2. Ручка регулировки воздушной поддержки
3. Ручка регулировки передней высоты
4. Ручка регулировки задней высоты
5. Ручка регулировки спинки
6. Ручка регулировки угла подъёма спинки
Продольное перемещение
Поднимите ручку ① и переместите сиденье вперёд или назад, затем отпустите ручку для фиксации.
Регулировка воздушной поддержки
Нажмите нижнюю часть клапана ② — подушка наполняется воздухом; нажмите верхнюю часть — воздух стравливается. Отпустите клапан при достижении нужного уровня.
Регулировка передней высоты
Поднимите ручку ③, измените положение передней части сиденья до нужного уровня, затем отпустите ручку.
Регулировка задней высоты
Поднимите ручку ④ и установите нужную высоту задней части сиденья, отпустите ручку для фиксации.
Регулировка спинки
Поверните ручку ⑤, установите спинку под нужным углом и отпустите ручку.
Регулировка угла подъёма спинки
- Немного отклонитесь назад.
- Потяните ручку ⑥ вверх.
Установите спинку в удобное положение.
Отпустите ручку ⑥ для фиксации.
Организация спального места

Предупреждение!
При использовании спального места необходимо зафиксировать защитное устройство.
Регулировка спального места

- При необходимости сдвиньте сиденья вперёд или отрегулируйте их спинки (см. раздел «Регулировка сиденья»).
- В удлинённой и высокой кабине установлено одно спальное место; в высокой кабине — два, верхнее регулируется по углу наклона.
Регулировка руля
Положение рулевого колеса можно изменять по высоте и углу наклона:
- диапазон высоты — ±25 мм;
- диапазон угла — ±5°.
Порядок регулировки:
1. Сначала отрегулируйте сиденье водителя (см. «Регулировка сиденья»).
2. Ослабьте фиксатор ②.
3. Установите руль ① в удобное положение.
4. Затяните фиксатор ② для фиксации положения.
Примечание:
Поворот руля вперёд облегчает посадку и выход из автомобиля, а также позволяет сместить руль в сторону пассажира.
Предупреждение!
Регулировать руль во время движения запрещено. Выполняйте регулировку только при полной остановке и включённом стояночном тормозе.
Ремень сиденья
Предупреждение!
- Перед началом движения обязательно пристегните ремень.
- Один ремень предназначен только для одного человека.
- Ремень должен плотно прилегать к телу, не перекручиваться.
- Оптимальная защита обеспечивается при вертикальном положении спинки (см. «Регулировка сиденья»).
- Спина должна плотно прилегать к спинке сиденья, ремень проходить через плечо и грудь, не касаясь шеи.
- Нижняя часть ремня должна проходить низко по тазу, а не по животу.
- Не регулируйте сиденье в положении, при котором ремень не прилегает к телу.
- Следите за натяжением ремня во время движения.
- Не допускается, чтобы ремень проходил поверх твёрдых или хрупких предметов в карманах (например, ручек, очков и т. д.).
- Держите ремень в чистоте и сухости.
- Замена повреждённого ремня или его креплений должна выполняться в авторизованном сервисном центре.
- Запрещается изменять конструкцию ремня безопасности.

Пристёгивание ремня
Перед пристёгиванием отрегулируйте сиденье (см. «Регулировка сиденья»).
1. Возьмите пряжку ремня и потяните ремень, чтобы он прошёл через плечо и бедро.
2. Вставьте язычок ① в замок ③ до щелчка.
3. Убедитесь, что ремень натянут умеренно и не пережимает тело.
Предупреждение!
- Ремень должен проходить по середине плеча, а не по шее.
- Во время движения периодически проверяйте натяжение ремня и при необходимости подтягивайте его.
Проверка замка ремня (ежедневно):
- Резко потяните ремень — катушка ② должна заблокироваться.
Отстёгивание ремня:
- Нажмите красную кнопку ④ на замке в направлении стрелки.
- Удерживайте пряжку ①, пока ремень не втянется полностью.
Инерционный натяжитель:
Натяжитель ② блокирует ремень в следующих случаях:
- при резком замедлении автомобиля;
- при быстром вытягивании ремня.
Сигнализация ремня:
- При включении зажигания, если ремень не застёгнут, на панели приборов загорается контрольная лампа.
- После запуска двигателя при незастёгнутом ремне включается звуковой сигнал низкой частоты (около 6 секунд).
- После пристёгивания ремня лампа и сигнал отключаются.
- Если ремень расстегнуть во время движения, лампа вновь загорается, а сигнал звучит 6 секунд.
Обзор кабины водителя

1. Ручка двери
2. Воздушное сопло
3. Левый комбинированный переключатель
4. Приборная доска
5. Правый комбинированный переключатель
6. Рычаг стояночного тормоза
7. Рычаг тормоза прицепа
8. Клавишный (качельный) выключатель
9. Панель управления кондиционером
10. Прикуриватель 24 V
11. Рычаг управления коробкой передач
12. Кнопка сигнала (гудка)
13. Замок зажигания
14. Рулевое колесо
15. Педаль сцепления

1. Счётчик оборотов (тахометр)
2. Дисплей водителя
3. Панель контрольных ламп и сигнализации
4. Указатель скорости (спидометр)
5. Вольтметр
6. Указатель уровня топлива
7. Кнопка 1
8. Кнопка 2
9. Манометр (контуры пневмосистемы)
10. Термометр охлаждающей жидкости двигателя

Прибор отображает скорость движения в диапазоне 0–125 км/ч.
Малая деление — 5 км/ч, большое деление — 20 км/ч.
① — индикатор превышения заданной скорости.

Показывает частоту вращения коленчатого вала 0–3200 об/мин.
Малая деление — 100 об/мин, большое — 500 об/мин.
Зелёная зона — экономичный режим. При превышении допустимых оборотов в области ② загорается индикатор.

Отображает напряжение бортовой сети 16–32 В (малая деление — 2 В).
При напряжении ниже 20 В или выше 32 В загорается индикатор низкого/высокого напряжения в зоне ③.

Показывает остаток топлива в баке; одна малая деление соответствует 1/8 объёма.
При уровне ниже 1/8 загорается индикатор низкого уровня в зоне ④.

Показывает давление воздуха в контуре 1 или 2 (0-1,2 МПа; малая деление - 0,1 МПа).
Если стрелка входит в красную предупредительную зону (ниже 0,55 МПа), на дисплее выводится сообщение о неисправности.
Прибор по умолчанию показывает давление в контуре с более низким давлением; при этом горит индикатор ⑤ или ⑥. Давление в контуре с более высоким значением отображается на дисплее водителя.

Диапазон индикации −40…+120 °C (малая деление - 10 °C).
Если стрелка входит в красную зону, температура охлаждающей жидкости чрезмерно высока — загорается индикатор перегрева в зоне ⑦
Переключатели и кнопки

1. Переключатель света
2. Переключатель передних противотуманных фар
3. Переключатель задних противотуманных фар
4. Переключатель аварийной сигнализации
5. Переключатель типа сигнала (электрический/воздушный)
6. Переключатель рабочей фары (сзади кабины)
7. Переключатель диагностики двигателя
8. Переключатель подъёма/опускания подъёмного моста
9. Диагностический разъём
Пояснения:
1. Переключатель света: Нажмите для включения габаритных огней или ближнего света.
2. Переключатель передних противотуманных фар: Включается при положении «1» переключателя света - загораются передние ПТФ.
3. Переключатель задних противотуманных фар: Включается при положении «1» (при включённых передних ПТФ) или «2» переключателя света — загораются задние ПТФ.
4. Переключатель аварийной сигнализации: Нажмите - все указатели поворота мигают; соответствующие индикаторы на панели также мигают.
5. Переключатель типа сигнала (электрический/воздушный): Если переключатель выключен - кнопка на руле включает электрический сигнал; при нажатом переключателе - воздушный сигнал.
6. Переключатель рабочей фары (сзади кабины): Включает рабочую фару позади кабины.
7. Переключатель диагностики двигателя: Включите для считывания кодов неисправностей двигателя по индикации панели; далее см. таблицу кодов.
8. Переключатель подъёма/опускания подъёмного моста: Включите - подъёмный мост автоматически накачивает/стравливает воздух до требуемого положения. Остановить в нейтрали выключателем нельзя.
9. Диагностический разъём: Предназначен для подключения оборудования EOL, перепрошивки блоков управления и диагностики.
Контрольные лампы и индикаторы




Дисплей водителя и панель индикаторов

Дисплей водителя ① и панель индикаторов ② информируют о состоянии автомобиля и дополняют данные стрелочных приборов. При наличии условий для сигнализации соответствующий знак появляется на дисплее.
Дисплей водителя

Кнопка 1: короткое нажатие (<3 с) - переключение экрана; длительное (≥3 с) - обнуление суточного пробега.
Кнопка 2: длительное нажатие — регулировка яркости подсветки.
При включённом зажигании одновременное нажатие кнопок 1 и 2 на 10 с - вход в режим диагностики; длительное нажатие кнопки 1 — выход. Выход также происходит автоматически при ≥300 об/мин или скорости ≥5 км/ч.
По функциям дисплей разделён на 6 зон (см. рисунок в руководстве):
Зона 1.
При включении зажигания («ON») отображается логотип производителя; затем - экран движения.


Также здесь выводятся экраны предупреждений и специальные сообщения (в т.ч. по аппарату отбора мощности, стояночному тормозу при скорости 0 и незадействованном рычаге и т. д.).




Зона 1 дисплея водителя также включает интерфейс сигнализации.
Если автомобиль оснащён механической коробкой передач с устройством отбора мощности, и в электромагнитном клапане устройства возникает неисправность (например, обрыв или короткое замыкание цепи), на дисплее появится сообщение об ошибке.
Когда ключ зажигания включён, скорость автомобиля равна нулю, а стояночный тормоз не отпущен, на дисплее отображается соответствующий интерфейс предупреждения.


Зона 2.

Для двигателей экологического стандарта IV и выше - уровень рабочей жидкости системы SCR (мочевина). Для газовых двигателей отображение в этой зоне может отсутствовать.
Зона 3.

Сигнальные лампы дисплея водителя.

Зона 4.

Общий и суточный пробег.
Зона 5.

Знаки по тормозным контурам 3 и 4; при одновременной неисправности индикация чередуется каждые 3 с.
Зоны 6 и 7.


Жёлтые и красные предупреждения с пиктограммами и описаниями (см. таблицу «Сигнальные лампы на дисплее водителя»). При нескольких предупреждениях сообщения циклически меняются каждые 3 с. При отсутствии предупреждений здесь может отображаться информация по передаче; для механической КП - в зоне 7.








Левый комбинированный выключатель
Указатели поворота

Переведите рычаг вверх - правый поворот, вниз - левый; соответствующие индикаторы на панели мигают.
Фары.

- При зажигании в положении «ON» и переключателе света ① в положении «2» горит ближний свет.
- Небольшой подъём рычага примерно на угол «мигания» - одновременно включаются ближний и дальний свет (световой сигнал при обгоне/разъезде ночью); после отпускания рычаг возвращается в нейтраль.
- Полный подъём рычага - включение постоянного дальнего света; после отпускания рычаг возвращается в нейтраль.
Днём для светового сигнала кратко приподнимите рычаг - включится дальний на время удержания; после отпускания дальний свет гаснет.
Стеклоочиститель лобового стекла

При положении стрелки рычага ② на «0» стеклоочиститель выключен. При последовательном переводе рычага вправо включаются режимы: прерывистый, непрерывный (нормальный) и быстрый.
Система омывания лобового стекла
- Коротко нажмите кнопку ③ до упора (≤1 с) — омыватель один раз распылит жидкость и один раз выполнит цикл очистки.
- Коротко нажмите кнопку ③ до упора (>1 с) — омыватель трижды распылит жидкость и выполнит три цикла очистки.
- Нажмите и удерживайте кнопку ③ — омыватель будет непрерывно распылять жидкость и выполнять очистку.
Правый комбинированный выключатель

Круиз-контроль
На правом комбинированном выключателе расположены четыре клавиши: MEM, OFF, SET/+, SET/−. При активном круиз-контроле горит зелёный индикатор.
Функции круиз-контроля
- Активация: нажмите MEM, SET/+ или SET/−.
- Установка скорости: при нажатии SET/+ или SET/− текущая скорость принимается как заданная (при соблюдении условий включения).
- Изменение скорости: краткое нажатие SET/+ или SET/− — шаг ±3 км/ч; длительное нажатие — плавное увеличение/уменьшение.
Выход из режима круиз-контроля
- Обратимый (заданная скорость сохраняется): нажмите педаль тормоза, сцепления, включите горный тормоз и т. п.
- Необратимый (заданная скорость сбрасывается): нажмите OFF. Двигатель продолжает работать.
Горный тормоз
Переведите выключатель EVB вправо — включается горный тормоз двигателя. Условия: включена передача (не «нейтраль»), скорость > 10 км/ч, обороты > 800 об/мин.
Без нажатия отдельного выключателя спаривания: при нажатии педали тормоза горный тормоз включится автоматически. В дождь/снег на скользкой дороге нажмите выключатель спаривания, чтобы отключить автоматическое включение.
Выключатель зажигания

Выключатель ① расположен справа на рулевой колонке.
LOCK — питание отключено, ключ можно вынуть.
ACC — питание вспомогательного оборудования при остановленном автомобиле.
ON — режим движения.
START — пуск двигателя.
Предупреждение!
Для пуска поверните ключ в START; после отпускания он автоматически вернётся в ON.
Для повторного пуска сначала поверните ключ в LOCK, затем снова в START.
Во время движения запрещено переводить ключ в LOCK (рулевой замок заблокирует управление).
Уходя от автомобиля, всегда вынимайте ключ, даже на короткое время.
Электрический/воздушный сигнал (гудок)

Электрический сигнал: нажмите кнопки гудка ① по бокам рулевого колеса.
Воздушный сигнал: переведите качельный переключатель ② на панели приборов, затем нажмите кнопки ① на руле.
Прикуриватель 24 V

Вдавите прикуриватель ③ до щелчка. После накала спирали он автоматически выдвинется.
Предупреждение!
- Розетка прикуривателя рассчитана только на оборудование постоянного тока до 240 Вт (24 В / 10 А). Превышение нагрузки может повредить устройство. О других розетках см. раздел «Розетки источника питания 24 V».
- Нагретый прикуриватель может вызвать ожог — беритесь за заднюю часть.
- При наличии детей извлекайте прикуриватель из гнезда, чтобы избежать ожогов/пожара.
- Пользуйтесь прикуривателем только когда это не отвлекает от управления и допускается дорожной обстановкой.
- Применение внешних инверторов (преобразователей DC→AC) может повредить электросистему. В таком случае обслуживание выполняется только на платной основе.
Пепельница

Выньте пепельницу ④ для использования. Убедитесь, что окурки полностью потушены, чтобы предотвратить пожар.
Ручной газ (двигатели стандарта Евро II)

Узел ручного газа ① расположен на панели переключателей кабины. После пуска можно установить устойчивые обороты для поддержания движения без постоянного нажатия педали — это снижает утомляемость.
В режиме холостого хода зазор между регулировочной гайкой троса ручного газа ②/③ и ограничительным кольцом должен составлять 0–1 мм.
Порядок работы

Нажмите педаль акселератора до нужных оборотов. Утопите кнопку в рукоятке ручного газа и потяните рукоятку наружу до увеличения сопротивления — отпустите.
Поворачивайте концевую крышку рукоятки для точной настройки оборотов (против часовой — увеличить, по часовой — уменьшить).
Перед переключением передачи верните ручной газ в исходное положение.
Внимание
- На холостом ходу зазор троса и ограничительного кольца — 0–1 мм.
- При остановке/испытаниях допустимо устанавливать обороты 2150–2200 об/мин.
- На высоких оборотах избегайте дальнейшего увеличения вращением рукоятки, чтобы не повредить трос.
- На уклонах использовать ручной газ запрещено.
Предупреждение!
В аварийной ситуации немедленно верните ручной газ в исходное положение.
Освещение

Передние противотуманные фары
Переключатель света в положении ①. Нажмите клавишу ③ — передние ПТФ включатся; на панели загорится соответствующий индикатор.
Задние противотуманные фары
Переключатель света в положении ② или включены передние ПТФ. Нажмите клавишу ④ — задние ПТФ включатся; на панели загорится индикатор.
Внимание: управление передними и задними ПТФ возможно только при включённом переключателе света.
Внутреннее освещение

Нажмите выключатель ① — салонная лампа включится.
Аварийная сигнализация

Нажмите кнопку ② — все указатели поворота и индикаторы поворота начнут мигать.
MP3-плеер

Органы управления:
1 — рамка панели; 2 — передняя панель; 3 — питание; 4 — часы «H»; 5 — часы «M»; 6 — регулятор громкости; 7 — режим; 8 — воспроизведение/пауза; 9 — вперёд/следующая; 10 — диапазон; 11 — стоп; 12 — назад/предыдущая; 13 — дисплей; 14 — беззвучный режим; 15 — крышка; 16–21 — функциональные кнопки.
Громкость:

Вкл/выкл - кнопка 3.
Регулировка - ручка 6.
Внимание: устанавливайте громкость так, чтобы не пропускать важные звуковые сигналы (гудок, предупреждения и т. п.).
Тормозная система
Проверяемые функции:
- рабочий тормоз;
- стояночный/аварийный тормоз;
- вспомогательное торможение (горный тормоз двигателя);
- тормоз прицепа (для тягача).
Рабочий тормоз - двухконтурный пневматический, независим от стояночного. Стояночный тормоз - механический с пружинными энергоаккумуляторами, обеспечивает надёжную остановку на уклоне. Органы управления стояночным и аварийным тормозом общие.
Предупреждение!
Тормозная система имеет физические ограничения. На гладкой, мокрой или плохой дороге корректируйте стиль вождения с учётом условий.
Проверка функции
При включении зажигания система выполняет автоматический самоконтроль.
Индикация неисправностей


При неисправности на дисплее водителя отображается символ ① «тормозная система» и текстовое сообщение ②.
Предупреждение!
- При неисправности тормозной системы остановите автомобиль рабочим или аварийным тормозом. Продолжайте движение только после устранения неисправности.
- При отказе ABS возможно блокирование колёс — обратитесь в сервис.
- При любых неисправностях тормозной системы обратитесь в сервисный центр.
Рабочий тормоз

Управляется педалью; два независимых контура воздействуют на все колёса.
Рабочее давление — 0,75 МПа; давление отключения клапана регулятора в осушителе — 0,85 МПа (8,5 бар).
Первый контур — колёса заднего моста (или двух задних мостов), второй — переднего. При падении давления в одном из ресиверов ниже 0,55 МПа загорается лампа низкого давления — немедленно остановитесь и выясните причину.
Кратковременное многократное интенсивное торможение может вызвать падение давления ниже 0,55 МПа.
Показание давления


Манометр ① — давление контура I (задний мост).
Манометр ② — давление контура II (передний мост).
Стрелка в красной зоне ③ — давление слишком низкое (горит сигнал 1 или 2).
Стрелка в белой зоне ④ — давление нормальное.
Предупреждение!
- При давлении ниже 0,55 МПа движение запрещено — ждите погасания лампы и исчезновения сообщения.
- После начала движения как можно скорее проверьте действие рабочего и стояночного тормозов на сухой дороге.
- Убедитесь, что в зоне педалей нет посторонних предметов.
Стояночный тормоз (ручной)

Стояночный тормоз может применяться и как аварийный. Управляется рычагом ①; энергоаккумуляторы обеспечивают торможение. При утечке воздуха и др. неисправностях возможна аварийная остановка рычагом.
Клапан ручного тормоза расположен позади рычага переключения передач. Полное снятие стояночного тормоза возможно только после повышения давления свыше 0,55 МПа и погасания соответствующей лампы.
Предупреждение!
- При остановке обязательно используйте стояночный тормоз; при необходимости подложите противооткатные упоры.
- До погасания лампы стояночного тормоза запуск движения запрещён.
- Перед пуском двигателя установите клапан стояночного тормоза в положение «Тормоз», иначе при наборе давления стояночный тормоз снимется автоматически.
Включение стояночного тормоза

Потяните рычаг ① вниз до фиксации — загорается лампа ②; стояночный тормоз полностью включён.
Частичное торможение
Плавно потяните рычаг вниз и удерживайте в нужном положении (без удержания он вернётся в режим «Движение»). Лампа ② горит. Если рычаг не зафиксирован в положении «Стояночный тормоз», он может вернуться в «Движение», и автомобиль покатится.
Снятие стояночного тормоза
Освободите фиксатор — рычаг вернётся в положение «Движение», лампа ② погаснет. Давление в ресиверах должно быть > 0,55 МПа. При меньшем давлении горит лампа «STOP».
Вспомогательное торможение (горный тормоз двигателя)

Условия работы:
-педаль сцепления не нажата;
-включена передача;
-обороты > 800 об/мин;
-переключатель EVB ① переведён вправо (включён).
Горный (выпускной) тормоз позволяет заранее снижать скорость на спусках и плохих участках, уменьшает нагрузку на рабочий тормоз, износ колодок и шин, повышает безопасность.
Предупреждение!
На мокрой, грязной или обледенелой дороге используйте горный тормоз с осторожностью — возможны пробуксовка и занос.
На спусках используйте горный тормоз только на включённой передаче — на нейтрали эффект отсутствует.
При работе горного тормоза обороты двигателя не должны превышать 1900 об/мин.
Примечание о конструкции
На базе традиционной «бабочки» ① горный тормоз усилен для повышения эффективности: рациональное применение снижает частоту использования рабочего тормоза и расходы на обслуживание.
Предупреждение!
Горный тормоз — вспомогательное средство, не заменяет рабочий тормоз. Для полной остановки используйте ножной тормоз.
Тормоз прицепа (для тягача)

Система предназначена для управления тормозами полу-/прицепа.
Соедините:
воздушную магистраль прицепа (красный) ① — с соответствующей муфтой прицепа;
управляющую тормозную магистраль (жёлтый) ② — с соответствующей муфтой.
Соединение магистралей
Подключите жёлтый соединитель управления тормозом.
Подключите красный соединитель питания воздуха прицепа.
Предупреждение!
С учётом нагрузки и уклона трогайтесь на передачах 1–4. Сразу после начала движения проверьте рабочий и стояночный тормоза. Следите за дорожной обстановкой и безопасно останавливайте автомобиль при необходимости.
Отсоединение магистралей (в указанном порядке, иначе тормоза прицепа могут быть отпущены, и прицеп сдвинется):
Затяните стояночный тормоз тягача.
Включите стояночный тормоз прицепа/полуприцепа (по инструкции производителя).
Отсоедините красный рукав питания — тормоза прицепа/полуприцепа автоматически включатся.
При необходимости задействуйте механический стояночный тормоз прицепа (по инструкции).
Отсоедините жёлтый соединитель управления тормозом.
Предупреждение!
Те же меры предосторожности, что и при соединении: выбор передачи 1–4 по условиям, проверка тормозов, внимание к дорожной обстановке.
Тормозная система ABS

ABS (Antilock Braking System) препятствует блокированию колёс при торможении, сохраняя курсовую устойчивость и управляемость. На любом покрытии при экстренном торможении нажимайте педаль тормоза решительно и до упора для минимизации тормозного пути.
Предупреждение!
На очень малой скорости ABS может не задействоваться.
ABS не компенсирует ошибки водителя (несоблюдение дистанции, слишком высокая скорость, вход в поворот без снижения и т. п.).
Проверка функции ABS
При включении зажигания ABS запускается автоматически. Если контрольная лампа ① горит постоянно — есть неисправность. Для её идентификации перейдите на дисплее в режим диагностики и считайте код.
Прицеп с ABS
ABS прицепа имеет собственный блок управления; питание подаёт тягач. Предупреждения о неисправностях прицепа выводятся на дисплей тягача (см. раздел «Информация, показываемая на дисплее водителя и панели индикаторов»).

Особенности эксплуатации тормозной системы
Воздушная колонка

Воздушная колонка ① расположена в осушителе. К ней можно подключить шланг для накачивания шин, а также подать сжатый воздух во внутреннюю пневмосистему от внешнего источника.
Вспомогательный модуль отбора воздуха

Модуль установлен на раме (обычно с внутренней стороны лонжерона). Выверните пробку в точке ① (или любую из показанных), установите быстросъёмный соединитель — можно отбирать воздух.
Предупреждение!
Подключение кольцевого фитинга в данной точке запрещено.
Защита тормозопроводов
Предупреждение!
При сварке, резке или сверлении рядом с пластиковыми трубками:
- предварительно стравите давление;
- закройте трубопровод от искр, пламени и горячей стружки.
Удаление конденсата из ресиверов

При остановке автомобиля тяните кольцо ручного клапана слива ① внизу ресивера для удаления воды. Если из дальнего от осушителя ресивера выходит смесь масла и воды — осушитель неэффективен, замените картридж осушителя.
Картридж осушителя следует менять не реже одного раза в 2 года. Обслуживание тормозной системы — см. раздел «Техническое обслуживание автомобиля».
Проверка хода педали тормоза

Лёгким нажатием проверьте свободный ход — норма 10 ± 2 мм.
При полном нажатии педаль не должна заклинивать.
Кондиционер и обогреватель
Панель блока управления
1 — дисплей
2 — кнопка регулировки скорости обдува
3 — кнопка обдува/удаления инея лобового стекла
4 — кнопка выбора режима распределения воздуха
5 — кнопка питания (вкл./выкл.)
6 — кнопка AUTO
7 — кнопка выбора режима притока воздуха
8 — кнопка охлаждения A/C
9 — регулятор (кнопка) установки температуры
Индикация на дисплее
10 — уровень скорости обдува
11 — режим притока воздуха (внутренняя/наружная циркуляция)
12 — состояние распределения воздуха
13 — установленная температура и температура наружного воздуха
14 — индикация обдува/удаления инея
15 — индикация режима охлаждения A/C
Инструкция по использованию
Установка температуры в салоне
Поверните регулятор температуры до нужного значения: диапазон — «LO», 18 °C…29 °C, «HI».
Если требуется прохладнее — установите «LO», если теплее — «HI».
Напоминание: в обычных условиях рекомендуется 22 °C…26 °C.
Установка скорости обдува
Система может автоматически подбирать скорость вентилятора в режиме AUTO, также её можно задать вручную.
Напоминание: предусмотрено 9 уровней обдува; после нажатия кнопки скорости вентилятор изменяет обороты плавно.
Ночное подсветочное отображение
При включении габаритов подсветка кнопок соответствует подсветке других приборов.
Режимы распределения воздуха
Кнопками выбора режима распределения и обдува лобового стекла последовательно выбираются 4 режима: на лицо; на ноги; на ноги + обдув лобового стекла; только обдув лобового стекла.
Режим притока воздуха
Доступны наружная и внутренняя рециркуляция. Кратковременное использование рециркуляции рекомендуется:
- в холодную погоду для быстрого прогрева салона;
- при запылённом или загрязнённом наружном воздухе (посторонние запахи).
Пункты внимания при использовании
- Проводите регулярное обслуживание системы отопления и кондиционирования.
- При загрязнении панели аккуратно протрите её мягкой сухой тканью. Не используйте влажные тряпки и абразивы, чтобы не повредить кнопки и дисплей.
- Не прикасайтесь к дисплею пальцами, маслянистыми веществами и твёрдыми предметами — это вызывает помутнение/повреждение.
- При подозрении на неисправность обращайтесь в авторизованный сервис для диагностики и ремонта.
Механизм опрокидывания кабины

1 — гидравлический ручной насос
2 — маслозаливная пробка
3 — рычаг переключения
4 — клавишный переключатель в кабине
5 — выключатель электрического подъёма
Предупреждение!
- Переводить рычаг переключения ③ допускается только при выполнении операций опрокидывания. Во всех иных случаях (в т. ч. при движении, заправке) рычаг должен быть в положении «↓».
- В зоне опрокидывания не должно быть препятствий.
- Во время опрокидывания нельзя находиться между кабиной и шасси.
- Опрокидывайте кабину до крайнего верхнего положения (выше верхней точки фиксации), только после этого выполняйте дальнейшие операции.
Подготовка к опрокидыванию
- Остановите автомобиль на ровной площадке, не мешая движению.
- Задействуйте стояночный тормоз.
- Установите коробку передач в нейтраль.
- Заглушите двигатель.
- Уберите или закрепите в кабине свободные предметы.
- Опорожните ящики для хранения.
- Закройте двери кабины.
Порядок опрокидывания
- Откройте передний капот.
- Нажмите переключатель ④ и закройте дверь кабины.
- Во время подъёма не стойте перед кабиной!
- Установите рычаг ручного насоса в положение «↑» и нажмите выключатель электрического подъёма ⑤ — кабина начнёт подниматься.
Возврат кабины
Установите рычаг ручного насоса в положение «↓» и нажмите выключатель ⑤ — кабина опустится в рабочее положение.
Предупреждение!
- В конце опускания гидроцилиндр имеет свойство «автодосипания»: при расстоянии штифта до замка 40–150 мм кабина опустится самопроизвольно.
- После опускания убедитесь, что гофрированный резиновый патрубок верхнего воздухозаборника плотно стыкуется с нижним воздухозаборником (защита от пыли).
- Проверьте на панели приборов контрольную лампу запирания кабины — при незапертой кабине лампа горит.
- Отключите переключатель ④ в кабине.

Заправка и развоздушивание системы опрокидывания
Предупреждение!
- Все операции выполняются только при полностью опущенной и запертой кабине.
- Система использует авиационное гидравлическое масло № 10. Объём: 900–1050 мл. Перед заливкой проверьте чистоту масла.
Порядок заправки
- Открутите пробку ② и залейте масло № 10 до полного уровня.
- Покачивая ручным насосом и используя монтировку, медленно поднимайте кабину, одновременно доливая масло.
- Опустите кабину — избыток масла стечёт.
- Снова поднимите и опустите кабину; после возврата проверьте уровень и долейте до полного.
- Закрутите пробку.
Проверка работоспособности
- Поднимите кабину до верхней точки и оцените опускание: при нормальной работе кабина опускается медленно, без ударов и без «провалов».
- При подъёме примерно на 30° кабина должна удерживаться в этом положении не менее 20 минут без самопроизвольного опускания.
Подвеска кабины
Передняя подвеска
Перед установкой узла маятникового рычага проверьте наличие консистентной смазки. После монтажа удостоверьтесь, что разрезные (комбинированные) шайбы установлены и зафиксированы.
После опрокидывания кабины в воздушной пружине передней подвески давление составляет 1–2 кгс (ориентировочно). После возврата кабины проверьте давление подушки; при необходимости вручную отрегулируйте штангу толкателя, затем верните её в исходное положение. Убедитесь, что подушка не сложена и не перекошена — при необходимости повторите опускание/подъём.

Обозначения:
① — узел винтовой пружины передней подвески
② — узел воздушной пружины передней подвески
③ — клапан контроля высоты
④ — маятниковый рычаг
Задняя подвеска

① — гидрозамок
② — ограничительный упор
③ — стабилизатор поперечной устойчивости
④ — амортизатор (винтовая пружина)
⑤ — амортизатор (воздушная пружина)
⑥ — регулировочная штанга толкателя
Смажьте гидрозамок и ось замка литиевой консистентной смазкой.
Главные амортизаторы левой и правой задних подвесок должны иметь одинаковую высоту: отрегулируйте длину штанги толкателя — 270 ± 2 мм.
Внимание
Если спереди и сзади применяются пневмоподушки, при их загрязнении маслом своевременно очищайте поверхности, чтобы предотвратить старение резины.
Проверка системы подвески
- После установки кабины на раму выполните процедуру «возврат опрокинутой кабины на место».
- Проверьте корректность наполнения/стравливания воздушных подушек передней и задней подвесок и свободный ход маятникового рычага.
- Проверьте включение/выключение гидрозамка и работу контрольной лампы его запирания (в норме: при запертом замке лампа погашена, при отжатом — горит).
Огнетушитель

Огнетушитель расположен сбоку у сиденья или под спальным местом. Порядок эксплуатации и обслуживания — см. инструкции на корпусе баллона.
Устройство сигнализации перенапряжения (специальное оборудование)

При напряжении системы выше 30,5 ± 0,5 В устройство выдаёт голосовое предупреждение:
«Напряжение двигателя завышено. Просим снизить обороты и как можно быстрее обратиться в сервис».
При напряжении выше 31,5 ± 0,5 В устройство предупреждает:
«Напряжение двигателя очень высоко. Просим отключить соединительные провода двигателя и как можно быстрее обратиться в сервис».
Глава II. Подготовка к движению
Обзор проверки и технического обслуживанияВыработайте привычку выполнять осмотры перед пуском двигателя (дизеля) и после остановки - это помогает своевременно выявлять утечки воздуха, топлива, охлаждающей жидкости и любые нештатные ситуации.

Перед пуском двигателя выполните следующие проверки:
Каждый день:
- Двигатель: уровень моторного масла.
- Система охлаждения: уровень охлаждающей жидкости.
- Освещение и звуковые сигналы: работоспособность (см. соответствующие разделы главы I).
- Ремни безопасности: состояние и работа (см. главу I).
- Механизм опрокидывания кабины: заперта ли кабина (см. главу I).
- Топливо: уровень в баке.
- Мочевина (SCR): остаток (для моделей стандарта «Нац IV» и выше; см. главу I).
- Буксировочное устройство, седельно-сцепное устройство: работоспособность; состояние соединительных трубопроводов и кабелей (см. главу III).
- Огнетушитель, возимый инструмент.
Каждую неделю:
- Шины: давление и состояние.
- Гайки колёс: момент затяжки и прилегание¹ ².
- Омыватель ветрового стекла: уровень жидкости, зимняя пригодность, работа.
- Осмотр на подтёки: двигатель, КП, раздаточная коробка, ведущий мост, рулевой механизм, отопитель, гидросистема опрокидывания. - Топливный фильтр-отстойник: слив воды¹ (см. главу IV).
- Коробка передач: уровень трансмиссионного масла.
Каждый месяц:
- Гидроусилитель руля: уровень жидкости.
- Бачок сцепления: уровень жидкости.
- Ремни привода (V-образные/поликлиновые): состояние.
Каждые 6 месяцев:
- Механизм опрокидывания кабины: уровень масла.
- Аккумулятор: уровень электролита (для необслуживаемых АКБ проверка не требуется).
- Гидросистема самосвала (иные гидроустройства): уровень жидкости.
Внимание:
при наличии спецоборудования перечень может отличаться.
Примечание:
- Увеличивайте частоту проверок с учётом погоды, условий эксплуатации и пробегов.
- Для нового автомобиля выполняйте ежедневный контроль.
Работы проверки после пуска двигателя
Каждый день:
- Двигатель: давление масла.
- Тормозная система: работоспособность.
- Пневмоподвеска рамы/кабины: нет ли перекоса кузова.
- Рулевое управление: корректность работы.
Каждую неделю:
- Пневмоподвеска: состояние воздушных подушек.
Каждый месяц:
- Воздушный осушитель: работоспособность¹.
Внимание:
при наличии спецоборудования перечень может отличаться.
Примечание:
1) Частоту проверок увеличивайте по условиям эксплуатации.
Проверки и техническое обслуживание перед пуском двигателя
Открытие капота

Внимание.
Перед открытием передней маски щётки стеклоочистителя ① должны быть возвращены в исходное положение.
- Отожмите фиксаторы ② по обеим сторонам капота.
- Поднимите капот ③ — пневмоупоры ④ зафиксируют его в верхнем положении.
Закрытие капота

Потяните капот ③ вниз за края с двух сторон.
Закрывайте аккуратно до слышимого щелчка фиксаторов ②.
Точки для осмотра под капотом

После открытия капота доступны:
- бачок гидравлической жидкости сцепления;
- горловина долива моторного масла.
Передпусковые проверки (ежедневно)
Уровень моторного масла
- Остановите автомобиль на ровной площадке; проверяйте не ранее чем через 20 минут после остановки двигателя.
- Извлеките щуп ①, протрите безворсовой тканью, вновь установите и извлеките. Уровень должен быть между метками MIN и MAX. При низком уровне — долейте.

Предупреждение! Не переливайте выше MAX - избыток масла может повредить двигатель.
Долив моторного масла
- Выключите зажигание.
Предупреждение!
- Избегайте попадания загрязнений в двигатель.
- Используйте только масла, одобренные ООО «Китайская корпорация по тяжёлым автомобилям».
- Не переливайте масло.
- Откройте капот.
- Выверните крышку маслозаливной горловины ①.
- Долейте масло.
- Заверните крышку ①.

Система охлаждения (ежедневная проверка)
- Поставьте автомобиль на ровную площадку. Для машин с задним расширительным бачком (опция) повернуть кабину не требуется.
- Уровень в расширительном бачке должен быть между метками MIN и MAX.
Долив охлаждающей жидкости

① — крышка заливной горловины;
② — крышка предохранительного клапана.
- Осторожно выверните крышку ①, сбросьте давление. Поверните против часовой стрелки на пол-оборота и снимите крышку.
- Переведите регулятор температуры отопителя в положение макс. тепло.
- Долейте до MAX.
- Закройте и затяните крышку ①.
- Кратковременно запустите двигатель.
- Проверьте уровень и при необходимости доведите до MAX.
Внимание. Клапан сброса давления поддерживает избыточное давление в системе, повышая температуру кипения ОЖ и защищая насос. В жарком климате его исправность особенно важна.
Система - закрытого типа, с принудительной циркуляцией; применяется длительного действия антифриз.
Предупреждение!
- ОЖ токсична — избегайте вдыхания паров, соблюдайте меры безопасности при хранении и приготовлении.
- Не открывайте крышку бачка сразу после остановки двигателя - риск ожога паром.
- При значительном падении уровня ОЖ возможен перегрев: не доливайте сразу - резкий перепад температур может повредить двигатель. -
Даже при отсутствии риска замерзания не заменяйте ОЖ водой.
Полный слив ОЖ
- Выверните сливную пробку радиатора в точке ①. Подробности - в разделе по обслуживанию двигателя.
Топливо (ежедневно)
Предупреждение!
- Топливо огнеопасно; соблюдайте меры пожарной безопасности.
- Заправляйте после остановки двигателя и отключения подогревателей.
- Оставляйте не менее 5 % объёма под тепловое расширение.
- Контролируйте уровень по указателю; при неточных показаниях проверьте датчик и прибор.

Порядок:
- Включите зажигание.
- Проверьте показания указателя уровня и при необходимости заправьте.
Внимание.
- Не допускайте полного выработки топлива (иначе потребуется удаление воздуха из системы).
- До зимы проверьте температурные свойства топлива и используйте сорт, соответствующий температуре окружающей среды и экологическому стандарту выпуска.
Фары и сигналы (ежедневно)
- Очистите рассеиватели.
- Проверьте лампы и выключатели.
Огнетушитель
- Убедитесь в исправности.
После каждого применения пополните заряд или замените огнетушитель.
Возимый инструмент
- Проверьте комплектность: домкрат, баллонный ключ, противооткатные упоры, шланг для накачки и т. п.
Передпусковые проверки (еженедельно)
Давление и состояние шин (на «холодных» шинах)
- Проверьте давление во всех шинах (включая запасное).
- Осмотрите износ и глубину протектора (соблюдайте требования законодательства).
- Удалите посторонние предметы из канавок/между сдвоенными шинами.
- Осмотрите боковины на повреждения.
Гайки колёс
- Проверьте надёжность крепления.
- Протяните гайки с требуемым моментом.
Предупреждение!
- Безопасность движения и ресурс шин зависят от правильного давления.
- Недокачка снижает безопасность и ускоряет износ. При постоянной потере давления проверьте шину на прокол, а также герметичность обода и вентиля.
- После длительной езды давление может увеличиться на ~1 бар - не стравливайте. Давление меняется ≈ на 0,2 бар на каждые 10 °C. Зимой при проверке в тёплом помещении будьте особенно внимательны.
Омыватель/стеклоочиститель ветрового стекла (еженедельно или чаще)

- Откройте водительскую дверь.
- Выверните крышку ① и проверьте уровень в бачке.
- При необходимости долейте моющий раствор.
Внимание.
На зиму используйте незамерзающий состав (изопропанол/гликоль) не ниже 50 % по объёму.
- Заверните крышку ①.
- Проверьте работу системы.
Коробка передач (еженедельно)

Проверка уровня масла (КП HW)
- Автомобиль на ровной площадке.
- При стабилизированной температуре масла выверните контрольную пробку ② смотрового окна уровня.
- Если уровень ниже кромки окна - долейте GL-5 85W/90.
- Выверните заливную пробку ①, долейте до перелива через окно ②.
- Заверните пробки ① и ②.
Проверка уровня масла (КП ZF)
- Автомобиль на ровной площадке.
- Не проверяйте сразу после длительной поездки - получите неверные показания. Контроль допускается после остывания масла ниже 40 °C. - Выверните контрольную пробку.
- Если уровень ниже кромки заливного отверстия долейте масло.
Осматривайте на утечки: двигатель, КП, раздаточную коробку, ведущий мост, рулевой механизм, отопитель и гидросистему опрокидывания.
При необходимости обращайтесь в авторизованный сервис.
Передпусковые проверки (ежемесячно)
Гидроусилитель руля

Предупреждение!
При утечке жидкости гидроусилитель может отказать -— руление резко утяжеляется. Немедленно двигайтесь с малой скоростью в ближайший сервис.
Проверка уровня:
- Поставьте автомобиль на ровную площадку, опрокиньте кабину.
- Извлеките щуп ① и проверьте уровень.
- При заглушённом двигателе уровень должен быть на метке ③ или выше.
- При низком уровне долейте ATF III через горловину ②.
Для удаления воздуха запустите двигатель на устойчивом холостом ходу, медленно поворачивайте руль от упора до упора, доливая жидкость до исчезновения пузырьков. Заглушите, доведите уровень до нормы, закройте крышку.
Гидропривод сцепления

Проверка уровня:
- Автомобиль на горизонтальной площадке, откройте капот.
- Проверьте уровень в бачке сцепления ① - между MIN и MAX.
- При необходимости снимите крышку ② и долейте DOT 3 / DOT 4, затем заверните крышку.
Предупреждение!
Если уровень ниже MIN, привод может отказать, что опасно.
Проверки каждые 6 месяцев (после пуска двигателя)
Аккумулятор (в тропиках — ежемесячно)

Предупреждение!
- Риск травм/взрыва/КЗ соблюдайте меры безопасности (см. «Инструкция о безопасности», глава VI).
- Не курите рядом, избегайте открытого пламени и искр, не кладите металл на АКБ.
Порядок проверки электролита (для обслуживаемых АКБ):
- Снимите крышку ящика АКБ.
- Проверьте затяжку клемм и соединений.
- Уровень электролита должен быть на 10–15 мм выше верхней кромки сепаратора или на метке MAX боковой стенки; при уровне ниже MIN долейте дистиллированную воду.
Работы проверки после пуска двигателя
Давление масла (ежедневно)

Предупреждение!
- Избегайте повреждения двигателя.
- Если на панели горит «давление масла», немедленно остановитесь и заглушите двигатель.
Проверьте уровень и при необходимости доведите до нормы. После запуска не должно гореть «STOP» и «давление масла».
Устранение:
проверьте уровень масла и при необходимости долейте.
Тормозная система (ежедневно)
- Перед началом движения убедитесь в исправности рабочего и стояночного тормозов.
Предупреждение!
- При наличии предупреждений («STOP») запуск движения запрещён.
- Прислушайтесь к работе воздушного осушителя (клапан разгрузки). После запуска при давлении > 0,55 МПа (5,5 бар) лампа и зуммер гаснут/замолкают - можно отпускать стояночный тормоз и готовиться к троганию. До достижения 0,7 МПа (7 бар) эксплуатационная эффективность тормозов недостаточна.

Проверка работы тормозов:
- Включите зажигание, стрелки манометров не должны быть в красной зоне.
- При необходимости запустите двигатель и дождитесь давления разгрузки осушителя.
Рулевое управление (ежедневно) - проверка люфта

- Запустите двигатель, холостой ход устойчивый.
- Выставьте колёса прямо и плавно покачайте рулём влево/вправо. Угол, необходимый для начала поворота колёс, не должен превышать 7,5°. При превышении — осмотрите рулевой механизм/тяги и обратитесь в сервис.
После пуска (ежемесячно)
Воздушный осушитель

Проверяйте не реже раза в месяц (или чаще по условиям). Оценку можно выполнять, открыв клапан слива воды ресивера.
Предупреждение!
- Зимой неисправный осушитель приводит к замерзанию тормозной системы и потере эффективности.
- При сливе воды защищайте глаза и руки.
Испытание: Давление в системе должно быть достаточным.
Потяните вытяжное кольцо ① в сторону - проверьте корректность слива и отсутствие избытка влаги/масла.
Глава III. Вождение автомобиля
Вождение и обкатка
В начале эксплуатации уделяйте внимание обкатке двигателя и агрегатов — это критично для надёжности и экономичности.
Предупреждение!
- На новом автомобиле и после замены колёс через ~50 км пробега подтяните гайки колёс с заданным моментом.
- На начальном этапе ежедневно проверяйте и при необходимости подтягивайте гайки колёс с одинаковым моментом до полной фиксации.
До первых 2000 км:
- Водите осторожно; по возможности двигайтесь по ровным дорогам. - Не эксплуатируйте автомобиль на полной загрузке и на высоких скоростях.- Следите за контрольными лампами и сигнализацией. - Периодически контролируйте температуру КП, переднего и заднего мостов, ступиц и тормозных дисков. При перегреве - устраните причину. - Не буксируйте прицеп.
После 2000 км:
Допускается постепенно увеличивать скорость до максимально допустимых значений или номинальных оборотов. После замены узлов или капитального ремонта первое время также ведите автомобиль аккуратно.
Экономичное использование автомобиля
Оптимизация условий эксплуатации
Регулярно проходите обслуживание в авторизованных сервисах. Чистый воздушный фильтр, корректно отрегулированная топливная система и пр. снижают расход топлива.
Поддерживайте правильное давление в шинах.
Понижение на 1 бар повышает расход примерно на 5 %, ускоряет износ шин (дополнительные потери идут на их деформацию и нагрев).
Приёмы экономичного вождения
Пуск двигателя.
Не нажимайте педаль акселератора: ЭБУ впрыска (EDC) сам подберёт подачу топлива по температуре и другим параметрам — это уменьшает дымность и перерасход.
Прогрев.
Не прогревайте двигатель на месте долгим холостым ходом. Начинайте движение с умеренной нагрузкой — так быстрее прогреются двигатель, КП и мосты.
Отопление кабины.
Двигатель на холостом ходу — неэффективный источник тепла. Вспомогательный подогреватель расходует ¼–⅓ топлива по сравнению с холостым ходом и снижает вибрации, шум и выхлоп.
Длительная стоянка.
При длительном ожидании глушите двигатель.
Остановка двигателя.
Не «газуйте» перед выключением — это лишь увеличивает расход.
Рабочие режимы
Низкие обороты, высокая нагрузка
Экономичная зона турбодизеля — 50–70 % от номинальных оборотов при ~80 % нагрузки. Старайтесь держать стрелку тахометра в зелёном секторе.
Требуется максимальная мощность
На подъёмах, при обгоне и разгонах используйте область номинальных оборотов.
Контроль по тахометру
Для экономии ориентируйтесь по оборотам двигателя — точные значения даёт тахометр.
Переключение передач
Своевременно понижайте на подъёмах. Переключайтесь на низшую передачу до начала подъёма, чтобы войти с достаточными оборотами и избежать повторных переключений.
Избегайте лишних переключений
Каждое переключение прерывает тягу, увеличивает расход и износ сцепления/синхронизаторов.
Перескакивание через передачи
Допускается пропускать «лишние» передачи при разгоне/торможении двигателем.
Старт на более высокой передаче
На ровной дороге при полной загрузке возможно трогание с более высокой передачи (например, «высокий» ряд 3 или «низкий» 4) без избыточного газа — это уменьшает износ сцепления.
Синхронизированная КП
Не требуется «двойной выжим» и перегазовка — это ускоряет переключения и сокращает разрыв тяги.
Идеальный стиль движения
Плавность
Избегайте резких ускорений/торможений - выше средняя скорость, ниже расход. Пользуйтесь информацией о дорожной обстановке.
Дистанция
Держите достаточный интервал до впереди идущего - это безопасно и позволяет заранее реагировать на изменения.
Инерция
Тяжёлый автомобиль медленно теряет скорость без тяги. Используйте скаты/ровные участки: заранее отпускайте газ, подготавливайтесь к съездам/поворотам, снижайте потребность в торможении и последующем разгонe.
Минимум остановок
Старайтесь «проходить» светофоры и заторы без полной остановки - трогание тяжёлого состава 40 т с 0 до 60 км/ч может потребовать ~0,5 л топлива.
Рациональное использование круиз-контроля
- Круиз облегчает вождение, но не «видит» рельеф и трафик — неправильное применение повышает расход.
- Перед вершиной подъёма выключайте круиз: автомобиль накатом пересечёт гребень с минимальной подачей топлива и не потребует интенсивного торможения на спуске.
- При ожидаемом снижении скорости (съезд, затор) заранее отключайте круиз — машина плавно перейдёт на движение без лишнего торможения и расхода.
Тахограф
Прибор для регистрации параметров движения
Технические параметры
Максимальная измеряемая скорость: 125 км/ч.
Импульсный коэффициент: 4000–25 000 имп./км.
Функции
- Регистрация времени движения/отдыха, подготовительных операций, условий движения и т. п. (модель MTCO1324).
- Сохранение кодов неисправностей.
- Параметры скорости и пробега записываются во внутреннюю память.
Органы управления и индикация
Соединительный интерфейс: находится в левой верхней части панели, применяется для соединения оборудования со стандартным интерфейсом.
ЖК-экран: показывает данные, время, расстояние, информацию водителя, начальную компоновку, код неисправности и т.д.

Кнопки 1/2 — выбор водителя.
Кнопка M — просмотр/установка информации.
Кнопки + / − — установка времени/значений, пролистывание.
Кнопка ^ — открытие отсека для бумажных дисков.
Блок бумажных дисков: верхний - первый водитель, нижний - второй.
Табличные данные наносятся на диски.
Режимы: короткое нажатие M — пользователь; после включения зажигания длительное M — сервис.
Тахограф старого образца
Нажмите Menu — на экране отобразится средняя скорость за 15 мин до остановки. Кнопками «вверх/вниз» просматриваются:
- текущее время и скорость;
- средняя скорость за 15 мин до остановки;
- запись усталого вождения;
- код водителя;
- номер водительского удостоверения;
- ограничение скорости;
- коэффициент автомобиля;
- общий и суточный пробеги;
- индексы записи/остановки;
- номер тахографа и версия ПО.
Возможна печать пробега, скорости и др. данных на бумажном диске.

Ремонт и обслуживание
Помимо регулярной очистки и корректной установки носителей, обслуживания не требуется. При неисправностях рекомендуется замена узла/деталей. Очищайте мягкой сухой тканью; не используйте агрессивные химикаты и не допускайте попадания влаги.
Нагрузка автомобиля
Предупреждение!
При погрузке учитывайте:
- требования охраны труда и предотвращения аварий;
- правила безопасной загрузки и размещения груза;
- инструкции производителя автомобиля.
Типичные ошибки и последствия
Загрузка только с одной стороны → перегрузка подвески/шин одной стороны.
Смещение центра тяжести вбок и слишком высоко → риск опрокидывания в поворотах.
Ненадёжная фиксация груза → при торможении/повороте груз смещается, повреждая кузов и груз.
Зазоры между грузом и передним/задним/боковыми бортами → качание и удары груза при манёврах.
Основные требования при погрузке/выгрузке
- Не превышайте нагрузки на оси и допустимую полную массу.
- Обязательно фиксируйте груз — исключите его выпадение/смещение.
- Закрепите передний борт. Груз размещайте как можно плотнее к переднему борту и равномерно по платформе.
- Центр тяжести должен быть в середине кузова; нельзя чрезмерно смещать вперёд — это перегружает переднюю ось.
- При работе вилочным погрузчиком на платформе избегайте локальных нагрузок на несколько точек опоры.
- При перемещении груза назад контролируйте нагрузку на переднюю ось рулевого моста: она должна быть не ниже минимально допустимой (ориентиры: для двухосного грузовика — ≥25 % от массы, для иных — ≥20 %; для прицепов жёсткой/промежуточной сцепки — ≥25 %).
- При торможении часть нагрузки перетекает на переднюю ось — учитывайте риск её перегрузки.
- Соблюдайте требования к размерности шин, их грузоподъёмности и давлению.
Особенности для самосвалов
- Размещайте груз так, чтобы центр тяжести был как можно ближе к геометрическому центру платформы.
- При погрузке камня/крупных кусков не допускайте падения с высоты на платформу.
- Используйте меры фиксации, чтобы избежать деформации бортов.
- Разгружайте на ровной и твёрдой площадке — колёса опоры должны стоять устойчиво.
- Для машин с задним краном контролируйте, чтобы нагрузка на задний мост не превышала допустимую.
Перед наступлением зимы рекомендуется нанести восковый защитный состав на кабину, кузов и шасси. Уязвимые места дополнительно обработайте герметизирующим средством. Регулярно мойте автомобиль, удаляя коррозионно-активные загрязнения (в т. ч. соль).
Холостой ход при температуре ниже 0 °C
Продолжительный холостой ход на морозе усиливает износ двигателя. Ограничивайте работу на холостом ходу до 20 минут.
Топливный бак
Перед зимой полностью слейте воду из бака.
Дизельное топливо
Зимой используйте зимний дизель.
Топливный фильтр-отстойник
При температуре ниже −30 °C ежедневно полностью сливайте воду из отстойника.
Вспомогательный подогреватель
При сильных холодах (ниже −20 °C) автомобиль должен быть оснащён вспомогательным подогревателем (опция). Проверьте его исправность и готовность к работе.
Система охлаждения
Проверьте антифриз и при необходимости долейте. Используйте охлаждающую жидкость, соответствующую ожидаемым температурам.
Омыватель/стеклоочиститель
Залейте незамерзающий состав.
Аккумулятор
Проверьте состояние электролита. До зимы полностью зарядите АКБ; в течение зимы поддерживайте заряд не ниже 90 %.
Фары
Проверьте крепление и при необходимости отрегулируйте.
Противоскользящие цепи
На снегу и укатанном насте устанавливайте цепи на ведущие колёса. Не перетягивайте — цепь должна иметь небольшой свободный ход (самоочистка).
Предупреждение!
- Убедитесь в достаточном зазоре между брызговиком/кузовом и колесом с цепью.
- На автомобилях с пневмоподвеской при установленных цепях не используйте заниженное положение подвески.

Пуск двигателя
Перед запуском проверьте, включён ли главный выключатель АКБ. Избегайте лишних попыток запуска, чтобы не разряжать батарею.
Предупреждение!
- При длительной стоянке или ремонте электросистемы главный выключатель АКБ должен быть выключен.
- Не выключайте главный выключатель при работающем двигателе.
- При работающем двигателе не ослабляйте и не снимайте клеммы АКБ.
Главный выключатель АКБ
Включить: поверните рукоятку по часовой стрелке в горизонтальное положение.
Выключить: поверните против часовой стрелки в вертикальное положение.
Предупреждение!
- Не переводите замок зажигания в «LOCK» во время движения; держите ключ в положении «II» (движение).
- Уходя от автомобиля, всегда вынимайте ключ, даже на короткое время.
Самопроверка
Поверните ключ в положение «II»: загорятся контрольные лампы, стрелки приборов кратковременно дойдут до максимума и вернутся. Обнаруженные неисправности отобразятся на дисплее (несколько неисправностей показываются поочерёдно).
Обогрев входящего воздуха
Резистивный подогреватель воздухозаборника установлен во впускном тракте. При температуре охлаждающей жидкости ниже −15 °C система автоматически выполняет предпусковой подогрев воздуха и отключается после запуска.
Порядок: переведите ключ в «II» — ЭБУ оценивает температуру и включает реле подогрева; на дисплее загорается индикатор ①. После погасания индикатора подогрев завершён — можно запускать двигатель.

Запуск двигателя
- Затяните стояночный тормоз, переведите КП в нейтраль или выжмите сцепление.
Примечание: если сцепление не выжато и включена передача, запуск блокируется.
- Выжмите педаль сцепления.
- Поверните ключ в «ON», при необходимости слегка поверните рулём для снятия блокировки.
- Проверните ключ в «III» для запуска (не более 15 с), затем отпустите.

Предупреждение!
- После запуска проверьте контрольные лампы (см. раздел «Дисплей водителя и панель индикаторов»).
- Если после начала движения горит «давление масла» и мигает центральная лампа, немедленно заглушите двигатель и устраните неисправность.
До исчезновения «STOP» на дисплее движение запрещено.
Если двигатель не запустился:
- Верните ключ в «0».
- Подождите ~30 с для восстановления АКБ.
- Повторите попытку запуска.
Нагнетатель (турбокомпрессор)
Турбокомпрессор состоит из турбинного и компрессорного колёс на одном валу. Выхлопные газы раскручивают турбину, компрессор подаёт сжатый воздух во впуск, повышая мощность. Скорость вращения ротора очень высока (≈ 80 000–105 000 об/мин); подшипники смазываются маслом двигателя под давлением.
Предупреждение!
- После холодного пуска дайте двигателю поработать 3–5 мин на холостом ходу; не нажимайте резко газ, пока давление и температура масла не нормализуются.
- Перед остановкой после нагрузок дайте поработать на холостом ходу 3–5 мин. Не «подгазовывайте» перед выключением: турбина раскрутится, а маслонасос, остановившись, прекратит подачу масла — возможен ускоренный износ.
- При длительном простое перед первым пуском выполните предварительную смазку турбины: снимите маслоподающую трубку и залейте небольшое количество чистого масла в масловход.
Выключение двигателя

Предупреждение!
После работы под большой нагрузкой температура ОЖ повышена — не глушите мотор сразу.
Снизьте нагрузку и дайте поработать на холостом ходу 3–5 мин, затем:
- переведите КП в нейтраль;
- затяните стояночный тормоз;
- поверните ключ в «0» и выньте его;
- поверните рулём до щелчка блокировки;
- выключите главный выключатель АКБ.
Блокировка руля
После указанной последовательности рулевое колесо блокируется.
Предупреждение!
Блокировать рулевой механизм во время движения запрещено.
Выключатель пуска/остановки под кабиной
При поднятой кабине и работающем двигателе не прикасайтесь к вращающимся и нагретым деталям (выпускной коллектор, ремни, вентилятор и т. п.).
Органы:
① — кнопка пуска (зелёная), ② — кнопка остановки (красная).

Порядок:
- Пуск: нажмите ① и удерживайте до запуска.
- Остановка: нажмите ②.
- Одновременное нажатие ①+② приводит в действие стартер без запуска двигателя.
Внимание:
Работайте осторожно. Если передача включена (не нейтраль), кнопка ① не сработает.
Коробка передач HW (например, HW19710T и др.)

Коробки передач производства корпорации отличаются компактностью, малой массой, простотой управления, надёжностью, ремонтопригодностью и взаимозаменяемостью деталей. Для КП с синхронизаторами допускается установка пневмоусилителя — усилие на рычаге значительно снижается.
Внимание:
- Старайтесь использовать максимально возможную передачу, удерживая двигатель в экономичной зоне оборотов.
- При остановке или выходе из кабины переведите рычаг в нейтраль (для двухдиапазонной — нейтраль «низкого» ряда) и затяните стояночный тормоз.
- Перед троганием сначала снимайте стояночный тормоз только после набора требуемого давления.
- Избегайте ненужных экстренных торможений и резких разгонов.
- На уклоне не катитесь на нейтрали.
Общие правила переключения
- Начинайте движение на 1-й или 2-й передаче — по состоянию дороги/нагрузке.
- При каждом переключении полностью выжимайте сцепление.
- Переключайте строго по схеме; после включения передачи плавно отпускайте сцепление.
Предупреждение!
- Знайте допустимые диапазоны скоростей для каждой передачи — не включайте несоответствующую передаче скорость.
- На спуске заранее выбирайте низшую передачу, используя торможение двигателем.
- Задний ход включайте только на стоянке при холостом ходу.
- До достижения номинального давления в системе не снимайте стояночный тормоз и не включайте передачи.
Коробки передач с синхронизаторами (HW19710T / HW19709XST(C) / HW21716ST(C) и др.)
С пневмоусилителем переключения выполняются легче.


Шаги переключения передачи синхронизатора:
- Полностью выжмите сцепление ①
- Плавно отпустите сцепление и наберите обороты.
Предупреждение!
Строго соблюдайте скоростные диапазоны передач — это предотвращает повреждение двигателя и трансмиссии.
Подключение аппарата отбора мощности (PTO) — КП с синхронизатором

- Выжмите сцепление, нажмите выключатель PTO ① — загорится индикатор ② на панели.
- При наличии механизма блокировки переключений предварительно установите рычаг КП в нейтраль. Блокировка предотвращает самопроизвольное движение с включённым PTO.
- Включите низшую передачу и отпустите сцепление.
Отключение PTO
- Выжмите сцепление, верните выключатель ① в исходное положение; через ~3 с отпустите сцепление — PTO отключится, индикатор ② погаснет.
Коробки передач без синхронизаторов (HW13710L(C) / HW19710(C)(L) / HW19712(C)(L) и др.)
Передачи включаются перемещением скользящей муфты ①, которая по шлицам соединяется с главным валом ③ и зацепляется с внутренними шлицами шестерен ②. Конусы собачек имеют угол α = 35°. Поскольку шестерни на валу «плавают», усилие переключения выше — действуйте уверенно, но плавно.
Шаги переключения передач
- Всегда полностью выжимайте сцепление.
- При переключении с «высоких» на 1–2 передачи в движении используйте двойной выжим («двойное сцепление»).
- Задний ход включайте только после полной остановки — иначе возможен износ муфты.

Внимание:
Сцепление должно полностью разъединять, рычаг — строго по схеме. Двухпозиционный клапан ④ на рукоятке ⑤ — диапазоны «высокий/низкий». На стоянке клапан — в зоне низкого диапазона. Перед снятием стояночного тормоза дождитесь номинального давления.
Переключение «высокий/низкий» диапазон

Предупреждение!
- Включайте передачу только при допустимой для неё скорости.
- Каждый раз полностью выжимайте сцепление.
- При переходе между «низким» и «высоким» рядом не перескакивайте через передачи.
- На спусках диапазоны не переключайте.
Клапан-выключатель на рукоятке имеет два положения: High (①) и Low (②).
Примеры (общее правило):
- На КП 16-ступенчатой:
- для перехода 1L→1H сначала переключите клапан L→H, затем выжмите/отпустите сцепление — полу-передача включится пневмоузлом без перемещения рычага;
- для 1H→2L: переведите клапан H→L, выжмите сцепление, переведите рычаг через нейтраль во 2-ю, отпустите сцепление. Далее по аналогии до 8H.
Если сперва выжать сцепление, а затем переключить клапан — переключение не произойдёт.

- На КП 10-ступенчатой: при переходе с «низкого» на «высокий» ряд сначала переведите клапан в H, затем через нейтраль включите 6-ю (вместо 5-й). Перескакивать запрещено. Переключение H↔L с включенной передачей не сработает — только в нейтрали.

- На КП 12-ступенчатой: аналогично — переведите клапан в H (L), полностью выжмите сцепление, через нейтраль включите 7-ю (вместо 6-й). Перескоки запрещены; переключение H↔L выполняется только в нейтрали.

Схема рычага КП типа 9-ступенчатой — см. карту расположения передач.

Аппарат отбора мощности — включение (общие указания)
Предупреждение!
Использовать PTO разрешается только в диапазоне низких передач.


Подключение:
Выжмите сцепление, нажмите выключатель PTO ① — загорится индикатор на панелі. Включите низшую передачу и отпустите сцепление.
Отключение:
Выжмите сцепление, верните выключатель ① в исходное положение; через ~3 с отпустите сцепление — индикатор погаснет.
Коробка передач ZF (модели: ZF 16S1850, 16S1950, 16S1930, 16S2231TO, 16S2230, 9S1820, 16S1830)

ZF ECOSPLIT включает: основную 4-ступенчатую коробку, секцию высоко/низкого диапазона и секцию «полу-передач».
Особенности основной коробки:
- синхронизированные передачи вперёд, «собачковое» соединение заднего хода;
- ручное управление (осевое перемещение);
- схема «двойной H».
Схема передач — см. рисунок.

Логика управления

Диапазон «высокий/низкий» переключается автоматически пневматикой при переводе рычага между «окнами» 3/4 и 5/6. В этих нейтральных зонах рычаг сам «ищет» нужный коридор благодаря усилию пружин фиксаторов.

Рекомендации для экономии топлива
- Держите обороты в средней (зелёной) зоне.
- По возможности выбирайте более высокую передачу.
- Предугадывайте дорожную ситуацию.
- Избегайте лишних разгонов и торможений.
Запуск и трогание
- Затяните стояночный тормоз.
- КП — в нейтрали.
- Запустите двигатель.
- Трогайтесь (рекомендуется 1-я передача для бережного сцепления).
- Снимите стояночный тормоз и плавно соедините сцепление.
Работа со сцеплением
Всегда выжимайте сцепление до упора.
Предупреждение!
Перед тем как покинуть автомобиль — затяните стояночный тормоз.
Внимание!
Неполный выжим сцепления ускоряет износ.
Выбор передач

Полносинхронизированная КП позволяет быстро и надёжно переключаться.
- При повышении передач «двойной выжим» не требуется.
- При понижении не нужны «перегазовка» и двойной выжим — даже на спусках и в сложных условиях.
Общие приёмы

- Всегда добивайтесь полного разъединения сцепления при переключениях.
- Понижайте передачу, когда скорость уже снижена тормозом до допустимой для выбранной ступени.
- Рычаг перемещайте быстро и мягко (ладонью).
- При прохождении коридоров преодолевайте сопротивление фиксаторов уверенно.
Перевод между «окнами» 3/4 ↔ 5/6 («двойной H»)
Коротко «щелкните» ладонью по рычагу и удерживайте, быстро переводя его в соседнее «окно».
Предупреждения:
- На холодной трансмиссии усилие переключения выше.
- При скорости > 28 км/ч не переводите рычаг из «окна» 5/6 в «окно» 3/4 и не переключайте диапазон — это ускоряет износ синхронизаторов.
Предварительный переключатель (полу-передачи)

Выключатель на рычаге задаёт L/H.
- В положении L доступны 1L…8L и RL.
- В положении H — 1H…8H и RH.
Алгоритм: сначала переведите переключатель L↔H, затем полностью выжмите сцепление — пневмосистема выполнит переключение полу-передачи.
Предупреждение!
При необходимости быстрого переключения предварительный выключатель переводите заранее.
Задний ход
- Включайте только после полной остановки.
- Перед включением и выключением — полный выжим сцепления.
- Включение допустимо лишь при остановленном вспомогательном валу КП (время его останова зависит от режима). Для ускорения можно кратко включить синхронизированную передачу (например, 1-ю), затем заднюю.
- При включении заднего хода не допускается «хруст» шестерён: увеличьте паузу или проверьте полный выжим сцепления.
- Сцепление соединяйте плавно.
Предупреждение!
- Начинать движение лучше с 1-й передачи — это щадит КП.
- Отсутствие полного разъединения сцепления и частые «силовые» переключения резко увеличивают износ синхронизаторов.
- Переключения выполняйте только при полностью выжатом сцеплении.
PTO с управлением от сцепления
Используется при стоянке или на низких скоростях движения.
Подключение/отключение
- Разрешается включать/выключать PTO только при полностью выжатом сцеплении.
- На холостом ходу двигателя PTO отключайте.
- Подключать PTO допустимо только при остановленном промежуточном валу - иначе возможны удары шестерён.
Предупреждение!
- Ресурс агрегатов зависит от режима работы: избегайте включений с короткой синхронизацией; трогайтесь на 1-й передаче.
- При включении/выключении заднего хода не допускайте ударов шестерён. Увеличьте время полного разъединения сцепления (см. раздел о сцеплении).
Плавное включение PTO
- Во время работы PTO не меняйте передачи.
- При длительной стоянке (ночёвке) отключайте PTO.
Стоянка автомобиля
- Включите низшую передачу (1–4).
- Затяните стояночный тормоз.
Дополнительно для безопасности:
- При стоянке «в гору» включайте 1-ю передачу.
- При стоянке «под уклон» - задний ход.
- Под тяжёлый автомобиль подложите противооткатные упоры.
Пуск «с буксира»
При запуске двигателя буксировкой выберите высокий диапазон вспомогательной коробки (передачи 5–8).
Внимание.
Чтобы не повредить КП, запуск буксировкой разрешён только на передачах 5–8. Запуск на задней передаче запрещён.
Буксировка автомобиля
Разрешена только при соблюдении всех условий:
- установлен аварийный отключающий вентиль;
- КП переведена в нейтраль в высоком диапазоне;
- максимальная дистанция буксировки - до 100 км;
- максимальная скорость - по требованиям завода (зависит от передаточного числа моста и размера шин).
Внимание
Соблюдайте инструкции изготовителя шасси по предельной скорости буксировки.
Предупреждение!
Если условия не выполняются либо КП повреждена, отсоедините карданный вал от фланца заднего моста.
Аварийная эксплуатация КП (высокий/низкий диапазон)
Если отказал механизм переключения «High/Low» (между «окнами» 3/4 и 5/6), возможные причины:
- повреждение пневмолиний;
- неисправность клапана переключения диапазона или пневмоцилиндра (заклинивание/засор).

1 - клапан переключения диапазона;
2 - пневмоцилиндр диапазона.
Предупреждение!
- Движение допускается только на низком диапазоне (1–4).
- Если зафиксирован высокий диапазон - автомобиль только буксировать.
Эксплуатация КП при низких температурах
При температуре ниже −15 °C используйте трансмиссионное масло, соответствующее температуре (вплоть до срочной замены). Либо предварительно подогрейте картер КП (тёплым воздухом до 130 °C, не выше).
Предупреждение!
Покидая автомобиль с работающим двигателем, обязательно затягивайте стояночный тормоз.
Стоянка при температуре ниже 0 °C
Перед остановкой обеспечьте перевод диапазона в низкий (рычаг в нейтраль 1 или «окно» 3/4), чтобы гарантировать последующее включение.
Маркировка


Шильдик (1) с основными данными расположен слева на КП. При обращении в сервис ZF укажите:
(2) номер КП; (3) тип КП; (4) серийный номер.
Раздаточная коробка (для полноприводных автомобилей)
Раздаточная коробка имеет низкий и высокий диапазоны. По умолчанию включён высокий. Низкий диапазон включайте на стоянке либо на скорости «шагом».
Внимание
Перед включением низкого диапазона: полностью выжмите сцепление и подключите передний мост (нажмите выключатель полного привода).
Выключатель раздаточной коробки
Включить: нажмите кнопку - под электрическим управлением включится, загорится индикатор.
Выключить: нажмите верхнюю часть кнопки - индикатор погаснет.

Выключатель нейтральной передачи раздатки
Служит для принудительного перевода раздатки в нейтраль (для стоянки/работы PTO на раздатке).
Использование:
- Переключите основную КП на низкую передачу.
- Нажмите выключатель нейтрали - под действием воздуха раздатка переключится в нейтраль, загорится индикатор.
- Включите PTO раздаточной коробки.
Снятие нейтрали раздатки:
Переведите основную КП в нейтраль, нажмите верхнюю часть выключателя нейтрали - индикатор погаснет.
Предупреждение
Снимать нейтраль раздатки только при нейтрали основной КП.
Полный привод (включение/выключение)
Включить: нажмите выключатель полного привода - передний мост подключится, загорится индикатор.
Выключить: нажмите верхнюю часть выключателя - индикатор погаснет.
ВниманиеПеред подключением на ходу выжмите сцепление или двигайтесь на очень низкой скорости.
Используйте полный привод, когда это оправдано:
- плохие дороги;
- скользкие/ледяные покрытия;
- подъёмы/спуски.
На прочном покрытии с хорошим сцеплением избегайте длительного движения в режиме 4×4.
Дифференциальные блокировки
Межколёсная блокировка заднего моста (для мостов Steyr)
Кратковременно применяйте до въезда на слабонесущие участки, чтобы избежать пробуксовки одного колеса. Включать при остановке или при прямолинейном медленном движении.
Предупреждение!
- При включённой блокировке ABS может сработать с задержкой; возможно кратковременное «схватывание» колёс. Снижаются рулевая способность и курсовая устойчивость.
- С включённой межколёсной блокировкой не поворачивайте на твёрдом покрытии и не разгоняйтесь.

Включение (4×2, 6×2):
- Сбросьте газ.
- Нажмите выключатель межколёсной блокировки ① - загорится индикатор на дисплее.
- Плавно подайте газ и начинайте движение.
Отключение:
- Сбросьте газ, выжмите сцепление.
- Нажмите нижнюю часть выключателя ① - индикатор погаснет.
Включение (6×4, 8×4 и др.):
- Сначала включите межосевую блокировку, затем межколёсную:
- Сбросьте газ.
- Нажмите выключатель ① - включится межколёсная блокировка, загорится индикатор.
- Плавно ускоряйтесь.
Отключение:
- Сбросьте газ, выжмите сцепление.
- Нажмите нижнюю часть выключателя ① - индикатор погаснет.
Предупреждение!
- Включайте блокировки только на остановке или при прямолинейном движении «шагом».
- С горящей лампой блокировки не поворачивайте и не езжайте быстро.

Межосевая блокировка дифференциала
- Замыкает дифференциал между первым и вторым ведущими мостами.
Включение:
- Сбросьте газ.
- Нажмите выключатель ② - загорится индикатор межосевой блокировки.
Отключение:
- Сбросьте газ, выжмите сцепление.
- Нажмите верхнюю часть выключателя ② - индикатор погаснет.
Предупреждение!
Включайте/держите блокировку только на прямых участках и на малой скорости.
Управление полуприцепом
Буксировщики корпорации оснащены двухконтурной тормозной системой.
Предупреждение!
- При первом подключении прицепа или обслуживании седла внимательно изучите табличку на седельно-сцепном устройстве.
- При движении задним ходом к прицепу никто не должен находиться между тягачом и прицепом.
- После стыковки проверьте фиксацию замка седла рычагом.
- При использовании разных прицепов контролируйте зазор между шкворнем и седлом.
- Повреждённые/изношенные воздушные коннекторы вызывают потерю тормозного усилия - регулярно проверяйте и при необходимости заменяйте.
- Следите, чтобы жгуты электропитания не перегревались.
- При попадании влаги/пыли/песка в розетки (особенно ABS 24 В) возможно окисление контактов, локальный нагрев и разрушение разъёмов/кабелей. Регулярно продувайте розетки и вилки сжатым воздухом 6–8 бар, при необходимости очищайте антистатической мягкой салфеткой. При повреждениях обращайтесь в авторизованный сервис.
Очистка розеток тягача и прицепа
Не используйте воду и механические предметы. Только сжатый воздух 6–8 бар. Во время очистки выключайте зажигание и наружное освещение.
Соединение с полуприцепом

- Зафиксируйте полуприцеп, чтобы исключить его самопроизвольное скатывание.
- Поднимите ручку ① седла так, чтобы её хвостовик вошёл в продольное окно в верхней части, затем вытяните ручку до упора, пока упорный паз рычага не зафиксируется в корпусе седла - седло открыто и готово к сцепке.
- Сдавайте назад для стыковки: после входа шкворня в замок седла запирающий механизм автоматически замкнёт шкворень; ручка вернётся в исходное положение.
Предупреждение!
После сцепки тягача с полуприцепом убедитесь, что запорная ручка замкнута правильно.
- Подключите пневмомагистрали и электрический разъём между полуприцепом и тягачом.
- Проложите рукава так, чтобы при движении они не натягивались, не перетирались и не перекрещивались.
- Сначала подключите жёлтый разъём - магистраль управления тормозами ②.
- Затем подключите красный разъём - питательную магистраль ③.
- Проверьте работу тормозов и освещения.
Расцепка полуприцепа

- Оцените состояние площадки, исключите возможность скатывания полуприцепа.
- Зафиксируйте полуприцеп противооткатными упорами.
- Перед разъединением полуприцепа (или прицепа) с двухконтурной тормозной системой строго соблюдайте порядок: сначала отсоедините красный питательный рукав, затем - жёлтый управляющий. Нарушение порядка может привести к отпусканию тормозов прицепа.
- Вытяните ручку ① седла до фиксации упорного паза в корпусе седла - замок открыт; защёлка ③ и блок ② разойдутся. Аккуратно подайте тягач вперёд - крюк ③ повернётся, освободив шкворень; расцепка завершена.
Предупреждение!
- Внимание! Если длительное время не планируется сцепка, верните ручку ① седла в исходное положение.
- Разъединяйте пневмосоединения в правильной последовательности - иначе прицеп может снять тормоза и самопроизвольно покатиться.
- После отсоединения установите защитные крышки на разъёмы, чтобы предотвратить загрязнение.
Зазор между шинами

Предупреждение!
- Существует риск повреждения автомобиля.
- Допустимый зазор между полуприцепом и тягачом строго ограничен.
- На лужах, уклонах и в слякоть возможно серьёзное повреждение тягача и прицепа при недостаточном зазоре.
Обеспечивайте достаточный зазор между шинами и крыльями.
Предупреждение!
- Существует риск повреждения автомобиля.
- Для оптимальной проходимости клиренс между шиной и крылом ограничен. Если автомобиль опущен, движение допускается лишь на короткие расстояния (см. разделы «Использование автомобиля зимой» и «Управление полуприцепом»). Несоблюдение может привести к повреждению крыла и шин.
Седло

Открытие:
Поверните вверх фиксатор ① затвора до горизонтального положения и одновременно подайте вперёд ручку ②. Зафиксируйте квадратный выступ перед прямоугольным пазом плиты седла.
Проверка после сцепки:
Убедитесь, что фиксатор ① вернулся в показанное положение, а сигнальное отверстие ③ расположено у внешней кромки плиты седла - это признак надёжного замыкания.
Если фиксатор ① не опустился в положение «замкнуто» или отверстие ③ находится далеко от кромки, проверьте правильность замыкания седла.
Предупреждение!
Все операции выполняйте строго по инструкции.

Ремонт и техническое обслуживание
- Перед сцепкой очистите верхнюю тарелку седла и смазочный жёлоб ①. Полностью заполните жёлоб смазкой для тяжёлых нагрузок (напр., литиевая №2) и равномерно покройте контактные поверхности тарелки.
- Каждые 5000 км очищайте смазку на тарелке седла, запорном крюке ③ и подковообразном гнезде ②. Затем заново равномерно нанесите смазку на поверхности контакта тарелки, крюка ③ и гнезда ② со шкворнем.
- Каждые 5000 км выполняйте регулировку и проверки:
- Для компенсации износа шкворня и запорного крюка ③ и чтобы при сцепке палец не зажимался чрезмерно (что затрудняет вытягивание ручки), при сцеплённых тягаче и прицепе заверните регулировочный болт ⑤ по часовой стрелке до касания с блоком пальца, затем отверните на пол-оборота против часовой стрелки и затяните контргайку ④.
- Регулярно проверяйте затяжку болтов ⑥ оси опоры и при необходимости подтягивайте.
Глава IV. Практические предложения
Замена колёсИспользование и техническое обслуживание шин
Воздушное давление
- После накачки проверьте все узлы на герметичность; при обнаружении утечки - устраните её. Во время эксплуатации поддерживайте нормальное давление в шинах. При длительной работе/стоянке регулярнопроверяйте давление; при длительной стоянке с полной нагрузкой рекомендуется поддомкратитьпередний и задний мосты.
- Перекачка ускоряет износ и повышает риск разрыва; недокачка ведёт к деформации и повреждению каркаса. В сдвоенных колёсах давление в обеих шинах должно быть одинаковым.
Скорость
Допустимая скорость зависит от типа шин. Превышение ведёт к ускоренному износу. На плохих дорогах скорость нужно снижать, избегать резких торможений и поворотов. На высокой скорости шины сильнее нагреваются - при перегреве примите меры, чтобы предотвратить их разрушение.
Состояние автомобиля
Регулярно проверяйте и регулируйте развал/схождение передних колёс - иначе возможен боковой износ и преждевременный выход шин из строя. Не используйте деформированные или заржавевшие обода, а также обода неподходящего размера - это изнашивает крепёжные отверстия. Наезды на бордюр вызывают внутренние повреждения каркаса, невидимые снаружи, и могут привести к разрыву. Избегайте наездов; если неизбежно - преодолевайте на минимальной скорости и под углом 90°.
Рисунок протектора
- Продольный - низкое сопротивление качению, выше скорость (твёрдое покрытие: цемент, асфальт).
- Поперечный - лучшее сцепление и тяга.
- Смешанный - сочетает преимущества, подходит для асфальта/бетона.
- Вездеходный - для бездорожья и тяжёлых условий.
При износе протектора до индикатора износа эксплуатацию прекратить.
Нагрузка
Масса груза не должна превышать нормы. Груз размещайте равномерно. Перегруз ведёт к аномальному износу, расслоению, разрушению бортов. Шины большого типоразмера/повышенной грузоподъёмности не предназначены для высоких скоростей. Допускается умеренное повышение нагрузки только для усиленных шин в рамках проектных норм.
Сборка
Устанавливайте шины, соответствующие типу автомобиля и ободу. Используйте специальный инструмент; не допускайте грубого демонтажа/ударов. На одной оси - только шины одинаковыхразмеров, конструкции, рисунка и степени износа. Не смешивайте диагональные и радиальные шины. Для направленных шин соблюдайте стрелку направления. Противоскользящие цепи ставьте симметрично и снимайте, как только в них нет необходимости.
Ротация
Регулярно меняйте местами шины. Для грузовиков - примерно каждые 5000 км.
Бескамерные шины
Делятся на рулевые и приводные. Рулевые обеспечивают курсовую устойчивость; приводные - лучшее сцепление. Приводные шины нельзя ставить на управляемую ось. Запаска - рулевая шина.
Полный привод
На полноприводных автомобилях используйте шины одинаковых размеров и конструкции. Разница окружности качения между осями - не более 2%; иначе при подключении переднего моста/межосевой блокировке возникает напряжение в трансмиссии, ускоренный износ и риск отказа.
Изменение размера шины
Применяйте только размеры, предусмотренные для данного автомобиля. При смене типоразмера обращайтесь в сервис ООО «Китайская корпорация по тяжёлому автомобилю» для перенастройкиCBCU, ECU двигателя и тахографа; иначе показания будут неточными.
Общие правила
Из-за солнца и факторов среды резина стареет: теряет эластичность, твердеет, появляются трещины. Меняйте шины по состоянию и износу своевременно.
Замена запасного колеса
Предупреждение!
Запасные колёса тяжёлые; при ослаблении крепежа центр тяжести смещается - колесо может упасть и травмировать людей.
Снятие
- Отверните гайки колеса.
- Снимите прижим/держатель запасного колеса в сборе.
- Снимите колесо.
Установка
Выполняйте в обратной последовательности. Периодически проверяйте затяжку гаек крепления запасного колеса.
Замена колёс

Предупреждение!
- Перед началом работ выключите зажигание.
- На дороге соблюдайте ПДД: выставьте знак аварийной остановки и зафиксируйте автомобиль.
- Ослабьте гайки крепления, оставьте 3 равномерно расположенные.
- Установите домкрат в штатную опорную точку, убедитесь в устойчивости.
Примечание: домкрат должен проходить ежегодную проверку в спецсервисе.
- Поднимите автомобиль, обеспечьте прочную опору.
- Убедитесь, что новое колесо свободно садится на шпильки; снимите оставшиеся 3 гайки.
- Снимите колесо, не повреждая резьбу.
- Перед установкой очистите контактные поверхности барабана/диска и обода, кромки и центровочное отверстие; нанесите тонкий слой подходящей смазки.
- Установите колесо (давление должно соответствовать норме), не повреждайте резьбу.
- Затяните гайки крест-накрест от руки до упора.
- Опустите автомобиль и затяните гайки крест-накрест моментом 550–600 Н·м.
- После первых 50 км пробега повторно протяните гайки до номинального момента; при необходимости повторяйте до стабильной затяжки.
Накачка шин

Подкачка возможна через разъём на воздушном осушителе:
- Снимите защитный колпачок ①.
- Подключите один конец шланга к вентилю шины, другой - к разъёму осушителя.
- Запустите и слегка увеличьте обороты двигателя.
- Проверьте давление; при необходимости отрегулируйте.
Буксирование и пуск с буксира
Обзор
Автомобиль оснащён тяговым крюком для самоспасения и резьбовыми гнёздами под съёмные проушины (обычно в ящике на стороне водителя). Перед использованием проушину полностью вверните в гнездо ①. На мягком грунте сначала разгрузите автомобиль. При буксировке включите аварийную сигнализацию на обеих машинах.
Общие требования
- Соблюдайте указания раздела «Электрическая система».
- Включите зажигание (ключ в положении «II»), по возможности держите двигатель запущенным, чтобы работали пневмотормоза и гидроусилитель руля.
- Переведите КП в нейтраль.
- При повреждении пневмоподвески буксируйте медленно.
- Если автомобиль застрял, не раскачивайте его рывками и не тяните под углом - особенно боком.
- При отказе рулевого управления поднимите передний мост.

Подготовка к буксированию (на жёсткой сцепке)

Перед буксировкой разомкните привод: отключите карданный вал, чтобы исключить вращение трансмиссии.
Предупреждение!
Без гидроусилителя рулить тяжело - двигайтесь медленно.
При недостаточном давлении в пневмосистеме и сработавшем пружинном тормозе подайте внешний сжатый воздух (>0,55 МПа) или выполните механическое снятие (см. раздел о срочном снятии тормоза). После такого снятия ходовой тормоз не действует!
Буксировка при повреждениях
Предупреждение!
Перед поддомкрачиванием выключите зажигание (ключ в положении «0»).
Передний мост
используйте специальную эвакуаторную технику или буксируйте после подъёма передней оси. При подъёме передка отсоедините кардан заднего моста. Для 4-осных шасси поднимайте только передок.
Задний мост
аналогично - эвакуатор или подъём задней оси; для AWD дополнительно отключите кардан переднего моста.
Упорный (подъёмный) мост
эвакуатор или буксировка после подъёма моста.
Срочная доставка в сервис (временная мера)
Снимите колёса упорного моста, гайки установите на тормозной барабан.
Буксируйте медленно (мост висит на амортизаторе).
После ремонта убедитесь, что воздушная подушка установлена правильно.

Предупреждение!
Если нельзя обеспечить условия, отсоедините кардан или демонтируйте полуоси на фланце заднего моста. При сомнении в состоянии КП - также отключайте привод.
Буксировка на жёсткой штанге
Водитель буксируемого автомобиля должен рулить и тормозить:
- Запустите двигатель.
- Поднимите давление в пневмосистеме до уровня разгрузки осушителя.
- Переключите КП в нейтраль.
- Отключите раздаточную коробку (если есть).
- Снимите стояночный тормоз.
- Буксируйте плавно; максимальная скорость - до 60 км/ч.
После буксировки
- Заглушите двигатель.
- Затяните стояночный тормоз и подложите противооткатные упоры.
Пуск с буксира
Производителем не рекомендуется. Используйте перекидной пуск (см. ниже), чтобы сохранить ресурс АКБ и стартёра.
Перекидной пуск (от внешней батареи)
При разряженном АКБ используйте внешний аккумулятор с тем же номинальным напряжением 24 В и провода достаточного сечения.

Предупреждение!
Применяйте только исправные провода, соответствующие стандарту.
Следуйте инструкции; не используйте зарядные устройства или «быстрый старт» вместо АКБ.
1 - донорная батарея; 2 - разряженная батарея.
Подключение (двигатель выключен):
- Подключите «плюс к плюсу».
- «Минус» донорной батареи подключите к массе двигателя/КП автомобиля с разряженным АКБ.
Предупреждение!
Не подключайте «минус» к раме.
Допускается пуск через главный выключатель питания: при выключенном выключателе соедините «минус» обеих батарей, затем включите выключатель.
Запустите двигатель-донор, затем запускайте двигатель автомобиля-приёмника (не более 15 с за попытку).
Отключение - в обратной последовательности.
Тормозная камера с пружинным энергоаккумулятором - срочное снятие

При давлении в контуре стояночного тормоза < 0,55 МПа пружинный энергоаккумулятор автоматически затягивает тормоз. На панели загорятся «STOP», индикатор неисправности тормозов ① и лампа стояночного тормоза ②. Для перемещения в аварийных условиях выполните снятие пружинного тормоза пневматическиили механически.
Предупреждение!
- До снятия убедитесь, что автомобиль не сможет самопроизвольно покатиться.
- Аварийное снятие предназначено только для перегонки в бокс/сервис.
- Движение после снятия опасно: давления в контурах I/II (см. манометр ③) недостаточно для эффективного торможения.
- Пока на дисплее есть сообщения - не начинайте движение.
Снятие стояночного тормоза зимой (пневматически)
Поднимите ручку клапана стояночного тормоза ① в положение «снято» - индикатор на панели погаснет.

Предупреждение!
Снимать стояночный тормоз допускается только при давлении > 0,55 МПа и погасшем индикаторе.
Механическое аварийное снятие:
Камера с одним энергоаккумулятором (мембранного типа):
Вверните болт ① в задней части камеры до положения снятия - тормоз отпущен.
Камера с двойной диафрагмой:
Снимите крышку ②, вставьте болт ③ и заверните его вручную до отпускания стояночного тормоза.

Предупреждение!
- Перед отпусканием пружинного тормоза включите 1-ю передачу и проверьте эффективность рабочеготормоза.
- На уклоне обязательно подложите упоры.
- До погасания индикатора стояночного тормоза движение запрещено.
Ремни (приводные)

Проверка (ежемесячно)
- Откиньте кабину (см. «Механизм для поворачивания водительской кабины»).
- Осмотрите ремни на трещины, следы масла, старение, износ. При дефектах - заменить в сервисе ООО «Китайская корпорация по тяжёлому автомобилю».
- Проверьте отсутствие течей демпфирующих элементов.
- На сервисе проверьте состояние шкивов.
- Интервал замены: 2 года или 200 000 км (что наступит раньше).
Система топлива

- Проверьте состояние и герметичность системы.
- Визуально оцените трубки и соединения (особенно возле источников тепла) на предмет повреждений и коррозии.
- При утечке немедленно обратитесь в сервис.
- Уровень заправки - не более 95% объёма бака.
- Для полного слива топлива отверните сливную пробку ① внизу бака.
Фильтр грубой очистки (водоотделитель)
Проверяйте наличие воды/примесей еженедельно (или чаще по погоде и условиям):
- Остановите автомобиль.
- Ослабьте сливную гайку внизу корпуса ②.
- Слейте воду/примеси, утилизируйте корректно.
- Затяните гайку.

Управление ускорением
Во время запуска и работы при необходимости нажимайте педаль акселератора ③, дозируя подачу топлива согласно условиям движения.
Внимание!
Всегда придерживайтесь моментов затяжки, указанных в инструкции, и правил безопасности при работе с поднятым автомобилем и под давлением.
Система газоснабжения LNG для автомобиля

Предупреждение!
- LNG (сжиженный природный газ) при атмосферном давлении имеет крайне низкую температуру: −162 °C!
- Природный газ может вызвать удушье.
- Природный газ - горючий.
- Лицам без специальной подготовки запрещается эксплуатация автомобиля на LNG.
- Неквалифицированному персоналу запрещено выполнять ремонт системы газоснабжения LNG.
Работа с клапанами
Эксплуатация баллона LNG проста, в повседневной работе вмешательство в арматуру обычно не требуется. При необходимости задействуются три клапана:

Клапан выхода жидкости ①.
Держать открытым постоянно. В случае неисправности - закрыть. При последующем открытии поворачивать медленно, чтобы избежать автоматического срабатывания отсечного (переливного) клапана.
Клапан выхода жидкости для наддува ②.
В нормальных условиях закрыт. Открывается при недостаточном давлении в баллоне для выполнения наддува.
Клапан сброса давления ③.
Открывать при необходимости снижения давления в баллоне.
Наполнение LNG
Текущее наполнение
- Заправка выполняется через отдельный жидкостной шланг.
- Снизить давление в баллоне до 0,6–0,9 МПа.
- Подключить заправочный пистолет к жидкостному патрубку баллона.
- Включить заправку на колонке - жидкость поступает через впускной трубопровод.
- При достижении заданного уровня система автоматически прекращает подачу.
Наполнение через обратный газ
- Применяется при повышенном давлении в баллоне, препятствующем заправке.
- Подключить пистолет к жидкостному и к рециркуляционному патрубкам баллона.
- Открыть клапан сброса давления и снизить давление в баллоне до уровня, приемлемого для заправочного оборудования; затем клапан закрыть.
- Запустить насос заправки. После автоматической остановки колонки снять оба пистолета.
Предупреждение!
- Давление в полностью заправленном баллоне растёт быстро, что вызывает частые срабатывания предохранительного клапана. Такой баллон следует использовать как можно скорее; длительное хранение запрещено.
- При остатке LNG в баллоне более 2/3 объёма повторную заправку следует избегать.
Наполнение «горячего» баллона
«Горячим» считается теплоизолированный баллон, ни разу не заправлявшийся LNG либо простаивавший более 2 недель. Процедура:
- Подать в баллон около 30 л LNG и выдержать для охлаждения внутренней колбы по мере роста давления.
- После достижения нормального рабочего давления выполнить проверку герметичности системы.
- Снизить давление сбросом и далее действовать по процедуре текущей заправки либо заправки через обратный газ.
Обслуживание системы
- Для надёжной работы регулярно выполняйте проверку на утечки. При обнаружении утечки немедленнообратитесь в сервис ООО «Китайская корпорация по тяжёлому автомобилю».
- У разгерметизированного (потерявшего вакуум) баллона давление растёт со скоростью около 0,1–0,4 МПа/ч - признак, хорошо заметный при наблюдении. В этом случае также обращайтесь в сервис.
- Любые работы по демонтажу/замене элементов проводятся только в авторизованном сервисе.
Требования к условиям движения
На дорогах с плохим покрытием двигайтесь с низкой скоростью. Иначе может возникнуть усталостное повреждение несущих элементов, утечки и другие угрозы безопасности.
Периодическое обслуживание

Счётчик газа
Счётчик показывает остаток топлива в баллоне.

Если стрелка ушла ниже 0, это указывает на неисправность датчика (лампа сигнализации газа на счётчике мигает).
При объёме газа ниже 12,5 % (стрелка в красной зоне) загорается лампа низкого уровня - требуется своевременная заправка.
При увеличении уровня свыше 14,5 % лампа гаснет.
Выключатель выбора баллонов LNG
Переключатель ① имеет три положения: верхнее, среднее, нижнее - соответственно верхний баллон задней спаренной группы, нижний баллон задней спаренной группы, боковой баллон.
Если фактически установленных баллонов меньше, чем выбрано на переключателе, счётчик газа будет отображать «пусто».
Устройство предупреждения утечки газа
Если концентрация утечки достигает порога срабатывания, блок предупреждения ② подаёт звуковую и световую сигнализацию.
Внимание: с учётом условий эксплуатации для безопасности проводите регулярную проверкуработоспособности - каждые 1–3 месяца. Контролируйте работу центрального блока и датчика. Избегайте искусственного обдува датчика газом высокой концентрации - это временно снижает чувствительность чувствительного элемента. Не допускайте загрязнения датчика силиконсодержащими материалами - это может вывести его из строя.
При срабатывании сигнализации: немедленно остановите автомобиль, отключите питание всего автомобиля, быстро определите место утечки и примите меры - перекройте клапаны, организуйте проветривание и т.д. Запрещается «на горячую» вытаскивать/вставлять разъём между центральным блоком и датчиком - возможна поломка микросхем и выход датчика из строя. Самовольная замена компонентов запрещена - обращайтесь в сервис китайской корпорации по тяжёлому автомобилю.
Система газоснабжения CNG для автомобиля

Состав системы
Система CNG включает: баллон, клапан баллона, фильтры высокого и низкого давления, интегральный блок управления, магнитный клапан низкого давления, декомпрессор высокого давления, трубопроводы и т.п.
Баллон и клапан баллона
Перед запуском убедитесь, что клапан баллона ① открыт. В клапане предусмотрены легкоплавкая пробка и разрывная мембрана для сброса избыточного давления при перегреве/повышении давления, а также обратный отсечной узел для автоматического перекрытия газа при аварийной утечке.
Фильтры высокого и низкого давления
Фильтр высокого давления ② и фильтр низкого давления ③ удаляют влагу и примеси, защищая двигатель и арматуру.
Интегральный блок управления

Содержит: запорный клапан V1 ④, запорный клапан V2 ⑤, манометр ⑥, заправочный штуцер ⑦.
V1 - запорный клапан заправки: открыть при наполнении, после заправки закрыть.
V2 - запорный клапан подачи: перед движением открыть, на обслуживании/длительной стоянке закрыть.
Манометр показывает фактическое давление газа в системе.
Магнитный клапан низкого давления
Клапан ⑧ выполняет отсечение подачи газа. В норме закрыт, при подаче питания - открывается.
Декомпрессор (редуктор) высокого давления

Узел ⑨ снижает давление с 20 МПа до ≈1 МПа. Крепится на кронштейне зажимными гайками. Для наружной резьбы использовать ленту ФУМ либо герметики: Loctite 565/567/592, Permatex 562xx/8063x. Момент затяжки зажимной гайки - 30 Н·м.
Эксплуатация системы CNG
Во избежание прекращения подачи поддерживайте давление в баллоне выше 5 МПа; при падении ниже 2,5 МПа- немедленно заправьте. Используйте газ, соответствующий ISO/FDIS 15403 - иначе возможна потеря мощности и повреждение двигателя (сервис будет платным).
Внимание:
при заправке газ нагревается, после охлаждения давление снижается - это норма.
Требования к водителю
Водитель CNG-автомобиля должен пройти спецобучение, знать правила эксплуатации газового двигателя и требования безопасности, понимать устройство газовой системы.
Проверка перед выездом
Сравните показания манометра на интегральном блоке вечером после остановки и утром перед выездом. Существенное падение давления указывает на утечку - движение запрещено, обратитесь в сервис.
Внимание:
прибор в кабине показывает долю остатка газа, а не давление. За норму принимайте показания манометра блока.
Действия при неисправностях в пути
При нормальной температуре ОЖ обмерзание редуктора не должно происходить. Лёгкий иней зимой допустим и не влияет на работу.
Если почувствовали запах газа или слышен сильный шум - остановитесь, проверьте и продолжайте движение только после устранения причины.
Срочные меры:
- При разрыве трубопровода/ослаблении хомута с большой утечкой - остановить авто, обесточить, закрыть все газовые клапаны, связаться с сервисом.
- При сильной утечке и отказе переливного клапана, невозможности закрыть запорный клапан баллона - эвакуировать людей, изолировать зону и источники огня, сообщить в местные службы; после рассеивания газа - устранять неисправность.
- При пожаре - выключить главный выключатель питания, по возможности закрыть все газовые клапаны, вызвать службы. Зону пожара изолировать, тушить огнетушителем, охлаждать баллон во избежание его перегрева.
Требования при остановках и движении:
- При выходе из автомобиля/остановке более 10 минут - глушить двигатель и отключать питание.
- Для поиска утечек применять газоанализатор, мыльный раствор или некоррозийные пенообразователи. Проверка открытым пламенем запрещена.
- При обслуживании не допускать ударных воздействий по оборудованию; держаться от источников огня более 10 м.
- Движение запрещено при утечках или повреждениях системы.
- Перед запуском медленно открывайте газовые клапаны, чтобы не сработал переливной клапан.
- Заправку осуществлять при заглушенном двигателе и отключённом питании.
- Самовольный демонтаж/ремонт узлов CNG запрещён - обращаться в сервис.
Обслуживание и уход
Текущее обслуживание
помимо регламента по автомобилю выполнять нижеуказанные операции (каждый следующий уровень включает предыдущие).
- Каждые 5000 км: осмотр всех соединений ВД/НД, клапанов, редуктора; проверка на утечки/повреждения, крепёж, хомуты, взаимные перетёртости - устранить выявленное.
- Каждые 10 000 км: заменить элемент фильтра НД; проверить редуктор на утечки; оценить давление на выходе и работу сбросного клапана редуктора.
- Каждые 50 000 км: проверить параметры редуктора; при невосстановимых отклонениях - заменить; проверить шланги циркуляции ОЖ на старение/повреждения.
Фильтр высокого давления
- Сливать конденсат каждые 5000 км; заменять элемент каждые 30 000 км.
Фильтр низкого давления
- Слив загрязнений каждые 15–30 дней (или по мере необходимости); замена элемента - каждые 10 000 кмили 3 месяца.
Пункты внимания
по вопросам сервиса CNG обращайтесь в авторизованный сервис; самовольный демонтаж/ремонт/замена элементов запрещены. Ведите и храните журналы работ/наблюдений по газовой системе для последующих проверок.
Воздушный фильтр
Сухой воздушный фильтр

Предупреждение!
Не используйте ни масло, ни воду для очистки.
- Внутренний (безопасный) элемент очистке не подлежит - при необходимости меняется вместе с внешним.
- Используйте оригинальные фильтрующие элементы ООО китайской корпорации по тяжёлому автомобилю. Некачественные элементы приводят к подсосу пыли и повреждению двигателя/турбокомпрессора; обслуживание в этом случае будет платным.
Обслуживайте элемент сухого фильтра ① своевременно, чтобы избежать его засорения, падения мощности и роста расхода топлива.
Интервал
обычные условия - 8 000–12 000 км; в пыльных/тяжёлых условиях - сократить по факту.
Если элемент продувался более 4 раз или используется более года, его следует заменить.
Очистка

- Ослабьте и снимите торцевую крышку (разожмите пружинный фиксатор ①), удалите пыль, протрите.
- Выньте основной элемент и продуйте сжатым воздухом изнутри наружу; протрите резиновые уплотнения на торцах. Давление воздуха - не более 0,5 МПа.
- Осмотрите элемент: повреждения бумаги, трещины мастики на торцах - заменить.
- Установите элемент правильно по посадке, закройте крышку и зафиксируйте.
- Проверьте герметичность впускного тракта и состояние патрубков - исключите подсос нефильтрованного воздуха.
Очистка пылесборника
Зимой и в пыльных условиях ежедневно опорожняйте и очищайте пылесборный мешок ②. Повреждение мешка ухудшает герметичность и эффективность фильтрации, ускоряя износ двигателя и турбины.
Воздушный фильтр масляной ванны

Предупреждение!
- На новом автомобиле масло в ванну не заливается - залейте перед вводом в эксплуатацию (марка масла - как в двигателе).
- Глубина масла - до 30 мм (или объём до 5 л), не больше.
= При сильной тряске масло может переливаться - чаще очищайте элемент и меняйте масло. В тяжёлых условиях - ежедневный контроль; обычно возможна непрерывная работа 80–150 ч. Элементы - многоразовые (замена не требуется при исправности).
- Ежедневно проверяйте затяжку крепежа корпуса и поддона.
Демонтаж, проверка и очистка:

- Отстегните фиксаторы верхнего/нижнего корпусов.
- Снимите масляный поддон, залейте 5 л масла (или до глубины 30 мм).

- Очистите нижний фильтрующий узел: промойте крыльчатку и фильтроэлемент дизельным топливом до полного удаления масляной грязи.
- Очистите верхний фильтрующий узел аналогично.

- Соберите фильтр: установите верхний элемент, затем нижний, зафиксируйте резиновой прокладкой, плоской шайбой и барашками.
- Установите нижний корпус, надёжно закрепите после заливки масла (с фиксацией скобой).
Электрическая система
Пункты внимание
Для безопасности перед любыми работами с электрикой выключайте аккумулятор или главный выключатель аккумулятора.
Предупреждение!
В закрытом ящике аккумулятора образуется взрывоопасная смесь водорода и кислорода. При снятии клемм искры от электроприборов/контрольных устройств могут воспламенить газ. Перед отсоединением клемм продуйте и высушите ящик аккумулятора сжатым воздухом.
- Только при надёжном подключении аккумулятора можно запускать двигатель.
- При работающем двигателе нельзя отключать аккумулятор.
- Аккумулятор должен быть включён и частично заряжен для возможности «тягового» пуска (см. «тянуть и тянуть для пуска»).
- Нельзя использовать зарядные устройства для перекидного запуска.
- Перед зарядкой отсоедините «плюс» и «минус».
- Очерёдность отключения: сначала «минус», потом «плюс».
- Очерёдность подключения: сначала «плюс», потом «минус».
- При длительном простое - заряжайте аккумулятор раз в 4 недели.
- Используйте правильные измерительные приборы.
- Во избежание КЗ входное сопротивление измерителя - >10 MΩ.
- Перед разъёмами ЭБУ выключайте зажигание.
- Разъёмы с явной коррозией/трещинами - заменить.
- При мойке автомобиля:
Защитите разъёмы, стартер, генератор от влаги. Применяйте сжатый воздух 0.6–0.8 MPa.
На время мойки выключите зажигание и освещение.
- Если установлен альтернатор/розетка 3-ф переменного тока (рефрижератор и пр.) - продувка воздухом только при заглушённом двигателе и отключённых внешних источниках.
Во время электросварки:
- Отключите аккумулятор и соедините кабели «плюс»/«минус» между собой.
- Используйте только источник постоянного тока, проверьте полярность электрода.
- Включите механический главный выключатель аккумулятора.
- Катушку электромагнитного выключателя не подключайте к АКБ - снимите её кабели.
- Заземляйте как можно ближе к месту сварки, на чистый металл.
- Кабель сварочного аппарата не прокладывайте параллельно штатным жгутам.
- Обеспечьте надёжные контакты деталей под сварку.
- В ящике АКБ товарного вагона/самосвала/миксера предусмотрен отбор питания на габариты, мощность на сторону <100 W.
Предупреждение!
Запрещено самовольно добавлять электропотребители или менять проводку - риск повреждения системы и тяжёлых последствий.
Освещение

Замена ламп
Перед заменой выключите соответствующие потребители.
Не прикасайтесь к стеклу ламп голыми пальцами.
При установке убедитесь, что типовая маркировка новой лампы совпадает со старой.
Передняя фара

После замены ламп ближнего/дальнего - проверьте регулировку.
Демонтаж блока фары (при необходимости регулировки/замены):

Снимите наружную окантовку фары.
Откройте дверь со стороны работы, ослабьте крепёжный болт фары (по стрелке).
Аккуратно извлеките фару.
Предупреждение!
Не трогайте стекло лампы голыми руками!
Регулирование светового луча
- Снимите окантовку.
- Отрегулируйте три винта (см. схему).

Туман на стекле фары
Из-за вентиляции корпуса и перепадов температур возможен временный туман внутри фары, особенно зимой/в дождь/во влажном климате. Если в течение ≈45 минут после включения фар туман исчезает - это норма.
Очистка и уход автомобиля
Регулярный специализированный уход сохраняет стоимость автомобиля.
Очищение автомобиля
Предупреждение!
При наличии систем высокого напряжения (>24 В) перед мойкой заглушите двигатель.
- Мойте только на оборудованных постах, соблюдая эко-требования.
- В первые недели после покраски - мойте чаще, только водой, в течение 6 недель не использовать паровую струйную мойку.
- Чаще промывайте губку; не сушите авто под прямым солнцем во время мойки.
- Колёса/козырёк - щёткой и водой; при сильном загрязнении литых дисков - спецсредства.
- Не направляйте воду на горячие узлы.
- Не заливайте водой розетки (тягач/прицеп), генератор, стартер.
- При паровой мойке - соблюдайте инструкцию производителя; расстояние сопла от ЛКП >30 см.
Предупреждение!
Пароструй не направлять на поворотный кулак.
- После паромойки/обезжиривателей - консервируйте автомобиль (смазки).
- Зимой мойте чаще.
- Не распыляйте краску/смазки на тормозные трубки и не обрабатывайте их бензином/бензолом/минеральными маслами; избегайте контакта мягких тормозных шлангов с ЛКП/смазками.
Очистка розеток тягача/прицепа
Не используйте воду/механические предметы. Продувка сжатым воздухом 6–8 bar. На время работ зажигание и свет - выключены.
Техобслуживание лакокрасочного покрытия
- Небольшие повреждения - подкрашивать немедленно.
- Проводить регулярную консервацию от коррозии.
Зеркала заднего вида
- Стёкла очищать стеклоочистителем.
Уборка салона
- Руль, рычаг КПП, панели, ковры - тёплой водой и чистящим средством (не использовать агрессивные моющие).
- Жировые пятна - спиртом (не бензином).
- При t < 30 °C - драпировку стирать мягкими средствами.
- Ремни безопасности - тёплой водой с мылом (без химических детергентов).
- В гололёд обрабатывайте уплотнения дверей/окон тальком, чтобы предотвратить примерзание.
Сиденья и спальное место
- Пластиковые детали - влажной тканью; при сильной грязи - мягкие моющие.
- Обивки/настил - спецсалфетки, сухая пена и мягкая щётка.
Таблица загрязнения
Внимание
Всегда сначала пробуйте средство на незаметном участке. Ответственность за возможные изменения поверхности не несётся.
Водорастворимые загрязнения

Водонерастворимое загрязнение

Глава V - Техническое обслуживание автомобиля
Рулевая системаГидравлическое масло: ATFⅢ (АКОО «Петрочайна»). На первичном ТО замена не требуется.

Ежемесячно проверяйте уровень и чистоту масла.
Метод замены масла:
- Подпереть передний мост.
- Открыть крышку бачка, вывернуть обратку в рулевом механизме.
- Запустить двигатель на ХХ ~10 с, несколько раз повернуть руль до упоров в обе стороны - слить масло из бачка, насоса и механизма.
- Подсоединить обратку (чистота прежде всего), очистить бачок, заливную сетку и фильтрующий элемент (предпочтительно заменить).
- Залить новое масло в бачок, запустить на ХХ и поворачивать руль влево/вправо, доливая до стабильного уровня без пузырей. Уровень держать в пределах меток.
Внимание
При первичном и плановом ТО проверяйте люфты шарниров тяг (поперечной/продольной). При избыточном люфте - замена. На каждом ТО - шприцевание точек смазки.
Дизельный двигатель - обслуживание системы смазки
Норма машинного масла
По температуре окружающей среды:
Евро II - класс CF-4; Евро III и выше - CH-4 (допустимо CI-4).
Рекомендуемые бренды: Mobil, Castrol, Shell.
Для регионов с Tmin ≥ −10 °C - подбирать вязкость по таблице (см. заводскую).


Предупреждение!
- Нельзя проверять уровень масла при работающем двигателе.
- Запрещено смешивать масла разных типов/производителей.
- Использование и интервалы замены масла
Классы условий (пример):
WG I - тяжёлые условия: сильный холод/жара, пыль, короткие рейсы, стройплощадки, автобусы, коммунальная техника; годовой пробег < 20 000 км или < 600 ч.
WG II - средние/короткие рейсы (доставка), годовой пробег < 60 000 км.
WG III - дальние рейсы, годовой пробег > 60 000 км.
При тяжёлых условиях/перегрузе интервалы сокращают.
В любом случае масло меняют минимум 2 раза в год.
Цикл первой проверки, текущей проверки и обслуживания:

Цикл замены машинного масла:

Замена моторного масла
Машина на ровной площадке; менять не ранее чем через 10 мин после остановки двигателя.
Подставить ёмкость, вывернуть сливную пробку ② поддона ①, полностью слить.
Установить новое уплотнительное кольцо ③ и завернуть пробку ②.
Замена масляного фильтра

WD615/D10: выкрутить две сборки фильтроэлементов ④ с базы ⑤, установить новые ④.
D12: выкрутить сборку ④ с базы ⑤, установить новую ④.
Внимание
Масло менять только вместе с заменой масляных фильтров.
Предупреждение!
Используйте оригинальные масла и фильтры, одобренные производителем. Иначе - ускоренный износ, обслуживание платное.
Заправка маслом (объём)
WD615/D10: ≈ 25 л (с заменой фильтра).
D12: ≈ 38 л (с заменой фильтра).
Уровень - между MIN/MAX щупа (см. раздел «Проверки перед пуском двигателя»).
Техническое обслуживание топливной системы
Топливо
Подбирайте марку дизтоплива по температуре.
Для SCR Евро IV - дизель по EN 590:2004 (несоответствие ведёт к превышению токсичности).
Замена топливных фильтров - DENSO D10
Грубая очистка:
Снять сборку фильтра ① с базы ②; смазать уплотнение ③ нового элемента; завернуть до касания и довернуть ¾ оборота.
Тонкая очистка:
Снять две сборки ④ с базы ⑤; смазать уплотнение ⑥ новых; завернуть до касания + ¾ оборота.
Замена топливных фильтров - DENSO D12

Грубая очистка: см. как D10.
Тонкая очистка:
Снять сборку ④ с базы ⑤; смазать уплотнение ⑥; завернуть до касания + ¾ оборота.
Удаление воздуха - DENSO D10/D12 (общая магистраль)

На ТНВД: повернуть ручку ① насоса, ослабить выпускной болт ④ на грубом фильтре; качать ручкой ① до упора (без пузырьков); затянуть болт ④ 6 ± 1.3 Н·м.
Ослабить болт ④ на тонком фильтре; снова качать до заполнения; затянуть 6.5 ± 1.3 Н·м.
Утопить ручку ① до конца и зафиксировать.
Замена топливных фильтров - BOSCH WD615/D10

Грубая: ① с базы ②; смазать ③; до касания + ¾.
Тонкая: две сборки ① с базы ②; смазать ③; до касания + ¾.
Предупреждение!
Используйте оригинальные топливные фильтры производителя. Иначе - ускоренный износ, обслуживание платное.
Удаление воздуха - BOSCH WD615/D10
На грубом фильтре: ослабить болт ⑤, нажимать кнопку ④ ручного насоса до сопротивления; затянуть ⑤ 6.5 ± 1.3 Н·м.
На тонком фильтре: ослабить болт ④, вновь накачивать кнопкой ④ на грубом фильтре; затянуть ④ 6.5 ± 1.3 Н·м.
Двигатели Евро II WD615/D12 - развоздушивание ТНВД
Ручной газ в стоп, качать ручным насосом до отсутствия пузырей из пробки ⑦.
Ослабить трубки на рейке форсунок, газ - полный, «стартером» до чистой струи.

Система охлаждения - ТО
Антифриз и интервал
Долговременный антифриз (антикор/антифриз) по таблице концентраций. Первичная замена не нужна. Рекомендуемый интервал: 200 000 км или 4 года (что наступит раньше).

Внимание: помутнение/бурый цвет - заменить немедленно.
Слив ОЖ

Подставить ёмкость под крышкой ① маслоохладителя.
Вывернуть сливную пробку ② и уплотнение ③.
Установить новое уплотнение ③, затянуть пробку ② 35 Н·м.
Утилизировать ОЖ корректно.
Долив ОЖ
См. «Проверки и обслуживание перед пуском двигателя».
Предупреждение!
- Не используйте неподготовленную воду как охлаждающую жидкость.
- Воздух из системы нужно полностью удалить, иначе возможно повреждение водяного насоса.
Термостат
Расположен за выпускной трубой; регулирует поток в радиатор по температуре. Должен быть исправен: заедание/неплотность - снятие, чистка/замена. Рекомендовано менять сердечник ежегодно. При установке следить за ориентацией и ровной посадкой, воздушное отверстие - в нужном положении.
Воздушная вспомогательная система постобработки SCR
Состав: катализатор-глушитель, насосный модуль мочевины, бак, форсунка, DCU, датчики NOx и температуры, трубопроводы и жгуты.
Регулярная проверка и долив раствора мочевины
Покупать у уполномоченных поставщиков; стандарт DIN 70070 / ISO 22241-1. Используйте спецоборудованиедля заправки.
При уровне < 10 % - индикатор на панели мигает: долейте немедленно.
Предупреждение!
Раствор мочевины - едкий. При попадании на кожу/в глаза - промыть водой; при боли - к врачу. При проглатывании - немедленно к врачу.
Предупреждение!
Самодельные/некачественные растворы и заменители запрещены - нарушают работу и сокращают ресурс. Обслуживание - платное.
ТО системы SCR
Фильтр мочевины: замена на авторизованной станции - каждые 40 000 км или 2 года (чаще при тяжёлых условиях/загрязнении).
Чистка вентиляции бака мочевины: на первичном ТО, далее - каждые 5000 км.
Регулярно проверяйте бак и доливайте; сохраняйте чистоту - песок/пыль/грязь повреждают насос (не гарантийный случай).
Другие пункты внимания (система SCR)
- Запрещено использовать самодельный/некачественный раствор мочевины и любые заменители: примеси и ионы металлов нарушают работу системы и сокращают ресурс (не гарантийный случай).
- После остановки дизеля система 2–3 мин очищает магистрали от раствора мочевины. Не выключайте главный выключатель питания, пока система работает.
- При длительной жаре максимально допустимая пауза без демонтажа сокращается. Если пауза превышена, перед пуском выполните:
долив раствора в бак;
замену фильтра насосного модуля;
запуск системы;
по окончании работы главного реле DCU/ECU - выключить и снова запустить. Если пуск неудачен - в сервис.
Избегайте механических и тепловых ударов по узлам; держите крышки чистыми; удаляйте камни/пыль; располагайте вдали от горячих зон (выпуск, турбокомпрессор, двигатель).
Узлы питания/впрыска влагопылезащищены, но не допускайте затопления/мойки ВД. Не смазывайте гидросоединения, а электрические разъёмы смазывать запрещено.
На каждом ТО проверяйте:
1. чистоту узлов и разъёмов жгутов (влагозащита, пылезащита);
2. целостность/крепёж трубок и жгутов (нет перегибов/ослаблений);
3. необходимость замены фильтра насосного модуля;
4. наличие кристаллов мочевины на форсунке и в выпуске (диагностика в сервисе).
Двигатель на природном газе (T10, T12)
Использовать специальное масло для ГБО-двигателей производителя; интервалы - как у D10 (общая магистраль).
Заправка при замене масла и фильтра: T10 ≈ 25 л, T12 ≈ 36 л (уровень между MIN/MAX).
ОЖ - как для D10.
Газ - по ISO 15403; иначе - потеря мощности/повреждения (обслуживание платное).
Обслуживание системы электрического управления и газоснабжения
Плановое обслуживание: см. разделы LNG и CNG.
- Проверять утечки тока, пробои системы зажигания/генератора; устранять немедленно.
- Регулярно чистить воздушный фильтр двигателя, газовые фильтры, контур рециркуляции горячей воды редуктора.
Предупреждение!
- Перед любыми работами с жгутами/датчиками/исполнителями выключите зажигание и главный выключатель АКБ.
- Держите жгуты/разъёмы сухими и чистыми (удалять масло/пыль мягкой тканью).
- При намокании ЭБУ/жгутов немедленно обесточить и обратиться в сервис; не проворачивать двигатель.
- Периодически продувайте двигатель сжатым воздухом ≤ 3 bar (особенно контроллер).
- Электроузлы должны быть сухими - без воды/масла/пыли.
Обслуживание первой ступени (каждые 5000–6000 км или 150 ч)
- Кронштейны баллонов: деформации/повреждения, подтянуть крепёж.
- Вентили баллонов: проверить утечки (прибором/мыльной водой) многофункционального, заправочного; ручной слив - лёгкость хода, отсутствие утечек; переливной клапан/хомуты - без ослаблений.
- Трубопроводы/соединители: нет трещин/повреждений, утечек; циркуляция тёплой воды - без засоров и старения/трещин шлангов.
- Магнитные клапаны: работоспособность, утечки, контакт питания, крепёж.
Проверка электрической системы
- Цепи НН: надёжность соединений, отсутствие повреждений изоляции, КЗ/обрывов; предохранители исправны; свечи зажигания - очистка/проверка.
Обслуживание второй ступени (каждые 15 000 км или 400 ч)
- Система ВН зажигания: чехлы катушек без пробоя/утечки, надёжно закреплены.
- Катушки индукционные: очищать чехол, затянуть крепёж - обеспечить контакт пружины с головкой свечи.
- Свечи зажигания: зазор по норме; ресурс ~60 000 км (по состоянию). Снимать на холодном двигателе.
- Момент затяжки М14: 25–30 Н·м (использовать спецголовку).

Обслуживание третьей ступени

- Дроссель: чистка каждые 30 000 км (чаще при тяжёлых условиях); при признаках заедания - внеочередная чистка.
- Клапан постоянного потока T12 CFV: каждые 3000 ± 100 км стравить загрязнения через сливной болт ①.
- Смеситель: чистка каждые 50 000 км.

- Седло/направляющие клапана: осмотр износа; при сильном - замена сборки; после чистки удалить остатки моющего.

- Мембрана: удалить пыль/масло; при сильном загрязнении - аккуратно с неагрессивным средством; трещины/износ - замена.
Фильтры CNG
Высокого давления: установка со сливом вниз, по стрелке потока. Замена элемента - каждые 40 000 кмили 6 мес; дренаж - каждые 2000 км или 10–15 дней.
Низкого давления: установка со сливом вниз, по потоку; момент корпуса 40 ± 5 Н·м. Замена - каждые 20 000 км или 3 мес; дренаж - каждые 2000 км или 10–15 дней.

Предупреждение!
Используйте оригинальные фильтроэлементы производителя - иначе ускоренный износ и платный ремонт.
Предупреждение!
Не разбирайте фильтры и не сливайте, пока давление не сброшено.
Перед заменой: закрыть главный вентиль баллона; дать двигателю на ХХ заглохнуть (выработать газ); ключ в OFF - дождаться полного сброса.
После сборки: открыть вентиль, запустить, проверить соединения мыльной водой; при утечке - подтянуть и повторить проверку.
Техническое обслуживание двигателя
Первое ТО
На пробеге 2000–5000 км.
Регулярное ТО
Ежегодно (через 12 мес); план по интервалам замены моторного масла.
Зимнее ТО
- Подбор зимнего топлива по температуре.
- Полный слив воды из топливного фильтра.
- Проверка/долив ОЖ.
- Проверка электрооборудования.
Перечень технического обслуживания



Внимание
Соблюдайте указанные интервалы и процедуры; при тяжёлых условиях эксплуатации сокращайте периодичность.
Система управления сцеплением

Проверка и регулировка холостого хода педали сцепления
Рукой слегка толкните педаль сцепления③ вверх-вниз. Регулируйте верхний распорный болт① так, чтобы ход от начального положения педали до упора поршня главного насоса составлял 3–10 мм (холостой ход). Затем затяните контргайку болта. Малый холостой ход предпочтителен: при слишком большом - педаль становится слишком высокой, снижается удобство управления.
Рабочие параметры:
Среда: сжатый воздух; тормозная жидкость DOT3/DOT4
Макс. рабочее давление: для тормозной жидкости до 4 MPa; для воздуха до 0.85 MPa
Температура: −40…+80 °C
Ход педали: общий 160–180 мм; холостой 3–10 мм
Усилие на педали (с усилителем): ≤ 190 Н
Предупреждение!
В процессе удаления воздуха поддерживайте достаточный уровень тормозной жидкости в бачке. После отворачивания спускного винта отпускать педаль нельзя - это подсос воздуха. Поднимайте педаль до верхнего упора, чтобы жидкость из бачка пополняла главный цилиндр.
Выпуск воздуха из гидролинии

Наличие воздуха уменьшает действительный ход штока сервоциліндра - сцепление «не довыжимается», передачи включаются тяжело. После любых работ с гидролинией обязательно прокачайте систему (двумя людьми):
Снимите пылезащитный колпачок② со спускного винта①, очистите винт.
Наденьте шланг на винт①, второй конец опустите в прозрачную емкость.
Держите уровень в бачке полным.
Выверните винт①, помощник несколько раз полностью нажимает педаль и удерживает её внизу; стравите жидкость с пузырьками и сразу заверните винт.
Повторяйте до полного исчезновения пузырьков.
Установите колпачок②.
Примечание: каждый подъём педали - до верхнего упора.
Система управления сцеплением - регулировка

Зазор выжимного подшипника (толкающее сцепление)
Чтобы исключить постоянный контакт подшипника с пружиной и «полувыжим», требуется зазор:
Отведите качающийся рычаг⑤ в сторону выключения сцепления до упора рукой.
Регулируйте толкатель② сервоциліндра до соприкосновения его хвоста с цилиндром①.
Установите контргайку③ так, чтобы зазор между ней и вилкой толкателя был 3–5 мм; доверните толкатель② для касания гайки с вилкой④ и затяните контргайку③.
Настройте точку зацепа возвратной пружины⑥; усилие возврата 60–100 Н.
Для тянущего сцепления регулировка зазора не требуется.
Индикатор изнашивания сцепления

Индикатор (над корпусом сервоциліндра④) показывает степень износа ведомого диска по зазору L между гнездом рычага измерения③ и индикаторным диском②:
КПП HW12706T, HW12710C: при L = 20 мм - заменить ведомый диск.
Прочие КПП: при L = 23 мм - заменить ведомый диск.
После первичной установки сервоциліндра или замены ведомого диска выполните инициализацию: рычагом① сдвиньте индикаторный диск② до касания с гнездом③. В эксплуатации диск② не перемещайте.
Пункты внимания
Жидкость сцепления: DOT3/DOT4. Первое ТО - без замены.

- Перед доливом/заменой убедитесь в чистоте бачка и зоны вокруг; после долива - плотно закрыть крышку.
- Попадание моторного масла/смазки в гидролинию запрещено (повреждение главного цилиндра и сервопривода).
- Для резьбовых соединений труб допускается герметик Loctite 572.
- При замене жидкости полностью удалите остатки прежней и заливайте только указанную марку одной партии.
- Тормозная жидкость агрессивна: избегайте попадания на кожу и ЛКП.
Типичные неисправности и методы устранения

Коробка передач HW
Пункты внимания при эксплуатации

Проверка уровня масла
- Машина на ровной площадке.
- При стабильной температуре масла выверните пробку② смотрового окна.
- Если уровень ниже кромки окна - долейте трансмиссионное масло 85W/90 GL-4 или GL-5.
- Долив через пробку① до перелива из окна②; затем обе пробки затянуть.
Доливка смазки
Используйте тот же тип, что и ранее залитый (во избежание химической несовместимости). Нормы объёма - по модели КПП.
Рабочая температура
Допустимо ≤ 120 °C (непрерывно); минимум −40 °C. Превышение 120 °C ускоряет разложение масла и износ. К перегреву приводят: длительное движение <32 км/ч, высокие обороты, жара, близкий выхлоп, перегруз/превышение скорости.
Рабочий наклон
При угле > 15° возможен масляный голод (учитывайте монтажный угол КПП + уклон дороги).
Буксировка и «скольжение»
В движении насос и разбрызгивание обеспечивают смазку. При буксировке на ведущих колёсах без отключения трансмиссии вал главной коробки вращается без нужной смазки планетарки - риск серьёзных повреждений.
Запрещается:
- катиться с выжатым сцеплением/на нейтрали с заглушённым двигателем;
- буксировать с ведущими колёсами на земле без отсоединения полуоси/кардана.
Предупреждение!
- На КПП серии HW низкую передачу (ползущую) и заднюю включайте только после полной остановки. Для преодоления фиксатора задней/ползущей может потребоваться повышенное усилие.
- Перед началом движения снимите стояночный тормоз. Если стояночный удерживается отсечкой воздуха, трогайтесь только после набора давления до уровня снятия стояночного.
- При посторонних шумах, тугом переключении и др. аномалиях - остановиться, проверить, продолжать движение только после устранения причин.
- В период действия «трёх гарантий» разборка/сборка КПП самостоятельно запрещена.
Марка смазочного масла и цикл замены масла
Для предотвращения химической несовместимости добавляйте смазку только того же типа, что была залита ранее. Объёмы заправки различаются по моделям КПП.

Коробка передач ZF
Нужно регулярное обслуживание согласно таблице масел ZF TE-ML 02.
Замена масла для коробки передач
Тип масла и цикл замены приведены в таблице.

Количество масла
В случае добавления масла строго в соответствии с требованиям может быть получено точное количество заливки, его значение указано на табличке коробки передач (на боковойстороне коробки передач) и в технических параметрах в технической документации.
Внимание!
PTO не влияет на процедуру долива/контроля уровня, но в зависимости от типа PTO объём увеличивается примерно на 0.5 L.
Слив масла

Выверните пробки слива ① (50 Nm) и ② с магнитом (140 Nm); слейте в подходящую тару.
Очистите магнит, замените уплотнительное кольцо, затяните с нужным моментом.
Внимание!
Перед сливом проедьте некоторое расстояние - тёплое масло стекает лучше.
Опасно!
Не прикасайтесь к горячей КПП и маслу - риск ожога.
Осторожно
Смазки и моющие средства не должны попадать в почву/воду/канализацию. Собирайте отработку и утилизируйте по нормам.
Добавление масла

Лейте через наливное отверстие до нижней кромки или до появления перелива.
Контроль уровня - через то же отверстие.
Опасно!
Недостаток масла вызывает повреждение КПП.
Проверка уровня - требования:
- Машина на ровной площадке.
- Не проверять сразу после длительной поездки; дождитесь охлаждения масла < 40 °C.
- Если уровень ниже кромки - долейте.
- Каждый раз дополнительно осматривайте КПП на утечки.
Вентиляционная пробка

Поддерживает баланс давления при нагреве масла. Перед первым использованием снимите пластиковую крышку. Периодически проверяйте работоспособность и чистоту вентиля.
Монтирование и регулирование системы управления тросами

Требования монтажа:
Минимальный радиус изгиба троса - ≥ 300 мм; диапазон температур: −40…+100 °C.
Геометрия:
- угол между тросом и качающим рычагом ≈ 90°;
- направляющая, оплётка и тяги - в одной линии.
Тросы выбора и переключения устанавливать раздельно в исполнительный механизм.
Резьбу шаровых шарниров двух тросов завернуть до упора.
После монтажа поставить рычаг в нейтраль, проверить монтажные размеры концов тросов; при несоответствии - регулировать длиной шарниров/резьб тяг.
Провести пробные переключения всех передач; если какая-то сторона включается тяжело - скорректировать длину троса по нижеуказанным правилам.
Регулировка (схемно):
Передний/задний ряд:
- Если передний ряд не доходит - ослабьте гайку① (или⑤), удлините муфту④ (или⑥) против часовой стрелки.
- Если задний ряд не доходит - ослабьте гайку① (или⑤), укоротите муфту④ (или⑥) по часовой стрелке.
- Повторять до чёткого включения всех положений.
Низкая/высокая зона:
- Если низкая зона не доходит - ослабьте гайку② (или⑦), удлините муфту③ (или⑧) против часовой стрелки.
- Если высокая зона не доходит - ослабьте гайку② (или⑦), укоротите муфту③ (или⑧) по часовой стрелке.
Повторять до корректного включения всех передач.
Внимание:
После окончательной регулировки выполните полный цикл переключений на месте и в движении, убедитесь в чёткости фиксаций и отсутствии заеданий.
Ведомый мост

Обзор конструкции
Барабанная передняя ось HF7/9 - кованая двутавровая балка с интегрированным поворотным кулаком, барабанными тормозами и мембранной тормозной камерой. Возможно оснащение автоматическим рычагом регулировки зазора и системой ABS.
Схождение передних колёс: диагональная шина 12′±4′, радиальная шина 0′±4′
Угол наклона шкворня: 3°
Тормозной зазор: 0.5–0.9 мм
Дисковая передняя ось HR7/9 - кованая двутавровая балка с интегрированным поворотным кулаком, дисковыми тормозами и мембранной тормозной камерой. Возможна установка ABS.
Схождение передних колёс: диагональная шина 12′±4′, радиальная шина 0′±4′
Угол наклона шкворня: 6°
Тормозной зазор: 1.0–1.4 мм
Барабанная передняя ось VGD060QB - кованая двутавровая балка с интегрированным поворотным кулаком и беззащитным блоком подшипника ступицы. Оснащена барабанными тормозами и мембранной камерой, возможна установка ABS.
Схождение передних колёс: диагональная шина 2–4 мм, радиальная −1–1 мм
Угол наклона шкворня: 6°
Тормозной зазор: 0.5–0.9 мм
Дисковая передняя ось VPD060QB - аналогично, но с дисковыми тормозами. Возможна установка ABS.
Схождение передних колёс: диагональная шина 2–4 мм, радиальная −1–1 мм
Угол наклона шкворня: 6°
Тормозной зазор:
1.0–1.4 мм (для дискового тормоза QP20)
0.7–1.2 мм (для дискового тормоза QP19)
Используемое количество смазки
Передняя ось HF7/9
Смазка наносится умеренно: избыток или недостаток приводит к повреждению деталей (тормозные накладки, барабаны, резиновые элементы и др.).
Смазка ступицы (вся полость + 2 подшипника): ≈ 0.62 кг
Смазка тормозного распределительного вала и шкворня: ≈ 0.38 кг
В месте регулировочного рычага тормозного зазора - смазка по краям.
Передняя ось HR7/9
Смазка наносится умеренно.
Перед установкой тормозной камеры - смазать шаровую муфту рычага.
Смазка ступицы (вся полость + 2 подшипника): ≈ 0.62 кг
Смазка шкворня: ≈ 0.06 кг
Передняя ось VGD060QB
Смазка наносится умеренно.
Смазка шкворня: верхнее и нижнее отверстия - по 0.05 кг смазки каждое.
В месте регулировочного рычага тормозного зазора - смазка по краям.
Передняя ось VPD060QB
Смазка наносится умеренно.
Перед установкой тормозной камеры - смазать шаровую муфту рычага.
Смазка шкворня: верхнее и нижнее отверстия - по 0.05 кг смазки каждое.
Использование и уход
Перед первым использованием нового автомобиля во все маслёнки залить достаточное количество смазки на основе лития №2.
После сборки нажать на педаль тормоза 20–30 раз, чтобы установить рабочий тормозной зазор. В первые 50 км избегать резкого или продолжительного торможения.
После обкатки (через 1500 км) вновь отрегулировать тормозной зазор мостов, проверить все крепления (кроме резиновых болтов). Только после этого допускается постоянная эксплуатация.
Каждые 2000 км - добавлять смазку на основе лития №2 во все маслёнки.
Перед каждым выездом проверять гайки колёс и зажимные гайки рулевых наконечников.
Уход и ремонт дискового переднего моста
1. Пункты регулярной проверки
По крайней мере раз в 3 месяца. Частота может быть увеличена в тяжёлых условиях эксплуатации.
Таблица регулярной проверки дискового переднего моста

Необходимо периодически визуально проверять износ фрикционных пластин (например, вместе с проверкой давления в шинах) и не реже чем раз в 3 месяца - износ диска и колодок.
При достижении минимальной толщины эффективность торможения падает - требуется немедленная замена. При перегреве (обгорании) или замасливании колодок - немедленная замена.
Замена колодок выполняется «по оси» (оба тормоза моста одновременно), использовать только одобренные производителем детали - иначе гарантия прекращается.
2. Проверка фрикционной пластины

До начала работ убедиться, что ходовой/стояночный/временный стояночный тормоза выключены, автомобиль закреплён противооткатами.
Снять уплотнительный колпачок, ключом против часовой стрелки ослабить регулировочные болты, извлечь колодку. Измерить расстояние от нижней поверхности колодки (включая щит) до поверхности трения - мин. допустимая (с щитом) 11 mm. Измерять в 4 равномерно расположенных точках, избегая локальных раковин.
Проверить равномерность износа: макс. допуск - 1 mm (после измерения 8 точек). При неравномерности проверить: скольжение суппорта по направляющей, наличие пыли между поддоном колодки и упорным диском, работу самоподвода.
Замена всех колодок на оси одновременно, только одобренные детали.
Внимание! Толщина внутренней колодки обычно изнашивается больше, чем наружной.
3. Проверка размера тормозного диска

A - толщина диска: новый 45 mm; при A ≤ 39 mm рекомендована совместная замена диска и колодок; при A < 37 mm - диск обязателен к замене.
C - общая толщина новой колодки 30 mm; D - щит 8 mm; E - мин. фрикционный слой 3 mm; F - мин. суммарная (фрикционный слой + щит) 11 mm.
Измерять в самом тонком месте, избегая кромочного бурта.
4. Проверка трещин на поверхности диска
Осматривать при каждой замене колодок.
a - зона контакта колодки.
A1 - точечные пятна: допускается.
B1 - радиальные трещины ≤1.5 mm глубиной/шириной и короче ¾ ширины контактной зоны: допускается.
C1 - окружные канавки толщиной <1.5 mm: допускается.
D1 - трещина доходит до вентиляционных каналов или проходит радиально через всю зону контакта: не допускается, диск заменить.
Диск обслуживания не требует; шлифовка не обязательна, но допустима для выравнивания контактной поверхности. После шлифовки толщина должна быть >39 mm.
5. Проверка функции скольжения суппорта
Измерить максимальное сопротивление перемещения суппорта по направляющим - оно должно быть ≤100 N. Удалить пыль/загрязнения, мешающие ходу.

6. Регулирование зазора
Сдвинуть суппорт внутрь по направляющей; отделить упорный диск от внутренней колодки подходящим инструментом. Измерить зазор между упорным диском и спинкой внутренней колодки - 0.7–1.0 mm.
Если зазор вне нормы, проверить саморегулирующий механизм:
Снять резиновый колпачок, шестигранником повернуть ось ручной регулировки против часовой стрелки, создав зазор между колодкой и диском.
Установить ключ на ось ручной регулировки и выполнить 5 торможений (~2 bar). При рабочем механизме - повернуть вал по часовой стрелке на малый угол (чем больше торможений, тем меньше угол). Несколько циклов торможений установят номинальный зазор.
Пункты внимания: при усилии 16 N ось ручной регулировки должна проворачиваться. Если не проворачивается, движется только при первом торможении или «ходит туда-назад» на каждом торможении - саморегулятор неисправен, суппорт подлежит замене.
7. Анализ типичных неисправностей дискового переднего моста

Передний мост барабанного тормоза

Все барабанные тормоза - подковообразного типа. Барабан закреплён на фланце ступицы и вращается; колодки закреплены на щите и поворачиваются вокруг опорных штифтов.
Основные пункты использования и обслуживания
1. Плавные разгоны/остановки; избегать экстренных торможений и ударных нагрузок на неровностях.
2. Поддерживать нормальное давление в шинах: перед - 235±19.6 kPa; зад - 314±19.6 kPa.
3. Регулярное ТО: контролировать тяги и шаровые опоры; при износе/ослаблении - немедленная замена только качественными деталями.
4. Снятие колёс - спецоборудованием; регулярно балансировать колёса.
5. При монтаже нижнего маятникового рычага - заменить пыльник шаровой и заполнить его консистентной смазкой; на конус сверху смазку не наносить.
6. Перед регулировкой углов - проверить амортизаторы, пружины/рессоры и их симметрию.
7. Заменять консистентную смазку в ступицах.
8. Смазывать шкворни и распределительный вал тормозного рычага.

Устранение типичных неисправностей барабанного переднего моста
1. Поворот тяжёлый:
- плохая смазка/коррозия шкворня и подшипника;
- перетянута регулировочная прокладка;
- низкое давление в шинах.
2. Быстрый износ передних шин:
- неверный сход-развал;
- деформация балки/цапфы/ободов.
3. Колебание колёс:
- люфт подшипников/некруглый барабан;
- дисбаланс/несоосность;
- большой зазор шкворня, слабая шаровая, повреждение подшипника;
- деформация оси/рамы;
- ошибки крепления/геометрии рессор.
4. Шум/перегрев ступицы:
- повреждения подшипников/втулок, чрезмерное преднатяжение;
- недостаток смазки.
5. Отклонение направления:
- деформация тяг;
- разное давление в шинах;
- деформация оси/рамы;
- разная жёсткость рессор.
Гидроподъёмный мост
Обзор

Задний «плавающий» мост 6×2 с электромеханическим управлением гидросистемой (цилиндр ↔ распределительный клапан).
Предупреждение!
- Подъёмный мост использовать только при остановке и холостом ходу.
- При подъёме - поднимать до упора.
- При опускании - ролик довести до верхней точки.
После операции - зафиксировать ручку.

Принцип работы и операция
Среда - масло высокого давления (ATF III). В режиме подъёма давление в нижнюю полость цилиндра выдвигает шток, рычаг через валец поджимает балансир, разгружает рессоры и поднимает мост до упора; ручка возвращается в нейтраль, гидроцилиндр заперт.
В режиме спуска давление подаётся в верхнюю полость, шток втягивается, мост опускается под собственным весом до земли, затем шток довтягивается до упора, ручка в нейтрали, цилиндр заперт.

рис.а:после поднятия заднего моста

рис.b:после спускания заднего моста

2.Ось вращения
3.Рычаг гидроцилиндра
4.Рычаг
5.Валец
6.Масляная труба высокого давления
7.Поддерживающий рычаг
8.Гидроцилиндр
9.Элемент жесткости для рамы
10.Сборка подпорки гидроцилиндра
11.Балансир
Обеспечить чистоту масла; после обкаточной промывки - масло не использовать повторно, заливать через фильтр.
Первые месяцы - фильтровать каждые 2 месяца и чистить бак; далее менять масло раз в 6–12 месяцев.
Контролировать температуру масла: −30…+50 °C; при >55 °C - остановить и найти причину.
Регулярно проверять уровень масла (между метками на крышке), при −20 °C учитывать рост вязкости.
Запрещено направлять струю воды напрямую на выходы гидролиний и кабелей (риск КЗ и выхода из строя).
При шуме/дыме - немедленно обесточить и диагностировать.
Во время работы не открывать воздушный фильтр/заливную горловину. Съём/монтаж элементов - только после очистки.
Пункты внимания для проверки и ремонта
Работы выполнять при остановленном автомобиле; при наличии давления/включённом питании - запрещено вмешательство.
Соблюдать чистоту, закрывать открытые порты чистыми колпачками; исключить шлифовку/сварку в зоне.
При замене уплотнений не пользоваться острыми инструментами; не повреждать кромки/посадки.
Все детали перед установкой очищать.
Типичные неисправности и методы для устранения
Сильный шум

Цилиндр не перемещается (давление недостаточно или отсутствует)

Приводной мост MCY13(Q)
Обзор структуры
Одноступенчатый главный редуктор, штампо-сварной картер, кованый дифференциал, необслуживаемые ступичные подшипники, барабанные/дисковые тормоза, двухмембранные камеры, ABS. Преимущества: простота, ресурс, низкий шум, малый вес, эффективность, удобство эксплуатации и ТО.

Обслуживание моста
Цикл замены нигрола под разными состояниями работы показан в следующей таблице

Каждые 5000 km или ежемесячно: проверить уровень масла.
Каждые 150 000 km или ежегодно: заменить смазку рычага автоматрегулятора зазора и распределительного вала.
Регулярно контролировать качество масла; при разжижении/порче - заменить.
Чистить вентиляционную пробку картера моста.
Контролировать пробки залива/слива на подтёки; при необходимости подтянуть/заменить.
Проверять крепёж полуосей (высокий крутящий момент → риск ослабления).
Каждые 2000 km: шприцевать литиевой смазкой №2; чистить вентклапан; проверять уровень масла в картере (через заливную пробку главной передачи).
Каждые 5000 km: проверять тормозной зазор.
Каждые 8000–10 000 km: проверить крепление опорной плиты тормоза, люфт ступичных подшипников, износ накладок; при превышении предела - заменить.
Регулирование зазора тормоза

Предупреждение!
Применять только специализированный нигрол, предписанный производителем тяжёлых авто; иначе возможны повреждения и обслуживание будет платным.
Проверки и обслуживание

Внимание
В тяжёлых условиях интервалы ТО сокращать. После установки/замены колёс: через 50 km и через 150 km подтянуть гайки по моменту.
Приводной мост Steyr

Обзор структуры
Двухскоростной мост: центральная одноступенчатая + бортовая планетарная передача; варианты - двойной приводной и одиночный задний. Корпус штампованный/сварной, межосевой дифференциал и межколёсная блокировка. Номинальная осевая нагрузка 13/16 т.
Обслуживание моста

При использовании и обслуживании заднего приводного моста надо обращать внимание на следующие:
Сохранять количество смазки, в процессе использования надо часто проверять количество масла для редуктора бортовой передачи и главного редуктора. Недолив - ускоренный износ и риск задира; перелив - перегрев и утечки.
При первичном обслуживании/замене масла в бортовых: колесо повернуть так, чтобы слив был внизу, слить, завернуть слив, открутить залив, долить «с уровнем», завернуть; провернуть колёса несколько оборотов, выставить индикатор уровня горизонтально, стравить излишек до уровня заливной пробки и закрыть.
В картере главной передачи: нижняя - слив, средняя - залив; уровень - по нижней кромке заливного отверстия.
Регулирование зазора тормоза

Приводной мост AC16

Обзор структуры
Двухскоростной мост: центральная одноступенчатая + бортовая планетарная; варианты - тандем и одиночный задний. Сварной корпус, межосевой/межколёсный дифференциалы и блокировки.
Обслуживание моста
Цикл замены нигрола под разными состояниями работы показан в следующей таблице

Регулирование зазора тормоза

Правильное использование блокировки дифференциала
Когда колесо на одной стороне идёт по гладкой/вязкой дороге и автомобиль не может выбраться, включайте блокировку дифференциала - левая и правая полуоси превращаются в «жёсткую» ось, автомобиль может выйти из сложного участка. Серьёзная перегрузка и сосредоточенная нагрузка деформируют и разрывают картер моста. При повторной установке дифференциала, ведомой шестерни и сопряжённых деталей наносите фиксатор резьбы 262 на резьбовые соединения и затягивайте по предписанному моменту.
Внимание: после выезда со сложного участка немедленно отключайте блокировку дифференциала - иначе ускоренный износ и аварийное повреждение дифференциала.
Резиновая подвеска

Предупреждение!
При трещинах, разрывах или сильной коррозии элементов подвески эксплуатация запрещена - возможна потеря контроля и травмы/ущерб.
Ежегодно проверяйте следы разрыва и края резиновой пружины. Не изменяйте крепёж и резиновые элементы. Не используйте смазку в узлах резиновой подвески (особенно на резине).
Внимание: нельзя отворачивать гайку установочного шплинта «назад» - момент затяжки снизится ниже нормы.

Предупреждение!
Недостаточный момент затяжки вызывает ранний износ и повреждение стоек, отверстий осей и/или соединений балансирной балки.
Преимущества: простая конструкция, малый вес, отсутствие смазки, проходимость, комфорт, сохранение хода при отказе отдельного упругого элемента, сниженный износ шин.
Обслуживание резиновой подвески
Перед выездом, на 2000 км и при каждом ТО тщательно проверяйте систему задней подвески HUV 270t (для внедорожников - чаще).
Промежуточное время проверки
Обслуживание и ремонт через каждые 2000 км:
1.Проверить визуально состояние подвески:
- Нормальная работа подвески.
- Отсутствие ненормальных явлений при движении, ослабления или потери элементов.
- Отсутствие серьёзного износа или задевания с другими элементами.
- Проверить, не повреждены ли детали, нет ли признаков поломки.
2. Проверить крепление всех соединительных и крепёжных деталей.
Обратить особое внимание на следующие узлы:
- Крепёж соединительного листа сборки подвески.
- Соединительный элемент в конце балансирной балки (см. стандарт производителя грузовика).
- Соединительную деталь треугольного упорного гнезда подвески и гнезда пружины.
- Соединительную деталь нижней крышки подвески.
- Крепёжные детали соединения сборки подвески с рамой автомобиля.
Предварительное обслуживание
Каждые 3 месяца:
- Проверить пружину переменной жёсткости и сдвиговую пружину.
Каждые 6 месяцев:
- Проверить соединение в концевой части штанги толкателя и балансирной балки.
Каждые 12 месяцев:
1. Проверить визуально, правильно ли установлена подвеска.
2. Проверить состояние элементов подвески:
- Нормальная работа подвески.
- Отсутствие ненормальных явлений при эксплуатации, ослабления или потери элементов.
- Отсутствие серьёзного износа или трения с другими элементами.
Руководство по неисправностям:

Воздушная подвеска с единичным рычагом

Не перегружать!
Макс. нагрузка на ось - 13 т; эксплуатация на качественных дорогах (автострада, I категория).
Смазки в системе не применять (особенно на резине).
Давление питания ~8.5 bar.
Подъём оси выполнять при сохранении штатной высоты ТС.
Текущие проверки: наполнение и баланс подушек, высота подвески, утечки; амортизаторы - отсутствие течей/повреждений и корректная работа.
Обслуживание кондиционера
Система кондиционирования автомобиля HOWO состоит из радиатора, компрессора, конденсатора, расширительного клапана, фильтра-осушителя хранения жидкости, испарителя и вентилятора, с помощью трубопровода они соединяются в целую закрытую систему. В том числе радиатор использует циркулирующую воду двигателя как источник теплоты, компрессор приводится в движение с помощью ремня, источник питания электромагнитного сцепления вентилятора и компрессора предоставляется автомобилем, конденсатор осуществляет охлаждение с помощью вентилятора водяного бака. В качестве конденсирующего агента применяется экологический, не имеющий фтора тип R134a.
Основные технические параметры

Пункты внимания
- Неспециалистам запрещено разбирать/ремонтировать; система под давлением - не нагревать.
- Контакт с жидким R134a вызывает обморожение - избегать попадания на кожу/лицо. Использовать только R134a.
- Фильтр-осушитель подключать в конце работ, чтобы не насытить влагой.
- Масло в компрессоре обычно уже залито; долив - только при утечках.
- В «несезон» ежемесячно запускать систему 2–3 раза по ~10 мин.
- Строго соблюдать процедуры ТО.
Обслуживание и уход

Диагноз повреждения и устранение

Обслуживание целого автомобиля
«Первое обслуживание» - первичное ТО у авторизованной станции. «Регулярное обслуживание» - плановые ТО у авторизованной станции.
Шоссейные ТС: тягачи, бортовые, фургоны, автоцистерны и др., эксплуатируемые преимущественно на дорогах высокого класса. Нешоссейные ТС: стройплощадки, рудники, самосвалы, боковая разгрузка и др., часто работающие вне дорог высокого класса.

Глава VI - Безопасность и охрана среды
Инструкция по безопасностиОбщие положения по технике безопасности
Пластмассовые и резиновые трубы, жгуты электропроводки
Предупреждение!
Запрещается выполнять сварочные работы или сверлить отверстия вблизи пластмассовых и резиновых труб, а также жгутов электропроводки. Это может привести к их повреждению и возгоранию.
Затяжка гаек колёс
Для нового автомобиля, а также после установки новых колёс, после пробега 50 км необходимо повторно подтянуть гайки колёс.
Подробнее см. раздел «Замена колёс».
Рекомендации по буксировке
См. раздел «Буксировка и запуск буксировкой».
Чтобы избежать повреждения электронной системы, см. раздел «Электрическая система».
Арматура и запасные части
В целях вашей безопасности рекомендуется использовать только оригинальные запасные части и арматуру ООО Китайская корпорация по тяжёлым автомобилям.
Надёжность, безопасность и соответствие этих деталей подтверждены официальной сертификацией.
Несмотря на то, что производитель отслеживает рынок автокомпонентов, свойства сторонних изделий не могут быть гарантированы. Даже если такие изделия имеют официальное одобрение, производитель не несёт ответственности за последствия их использования.
Устройства безопасности и инструменты, поставляемые с автомобилем
Проверьте наличие следующего оборудования:
- Домкрат
- Рычаг домкрата
- Набор инструментов, входящий в комплектацию автомобиля
Деталь переоборудования и приложенные устройства
Монтаж выполнять по руководству по переоборудованию соответствующего типа. Пользователь должен получить письменное разрешение изготовителя. Любые изменения конструкции - только с письменным согласованием (включая кондиционер, заднюю балку, ретардер и т.п.).
Защита тормозной системы/воздушной камеры накопителя энергии от перегрузки
При включённом стояночном тормозе запрещено пользоваться ножным тормозом: наложение усилий повредит механизмы привода.
Приостановка использования или хранение автомобиля
При простое > 3 месяцев - применять специальные меры консервации по требованиям производителя.
Срок использования аккумулятора
Если автомобиль не используется > 12 недель:
- При неснятой батарее отключить отрицательную клемму.
- Проверять уровень электролита (кроме необслуживаемых). Долив только дистиллированной водой до метки MAX.
- При ~20℃ саморазряд ≈ 0.2% ёмкости/день. Контроль напряжения не реже 1 раза/месяц.
12.6 В - батарея заряжена.
12.3 В - ~50% заряда.
12.25 В и ниже - срочно зарядить (не «быстрой» зарядкой).
Напряжение хол. хода измерять через 10 ч после заряда или через 1 ч после разряда.
Объяснение о плотности электролита
При плотности < 1.21 кг/л батарею зарядить (ток ≈ 1/10 C). Глубоко разряженная батарея может не восстановиться. После частичного заряда выдержать ≥ 1 ч перед пуском.
Пункты внимания о безопасности управления аккумулятором
Внимание! Опасность взрыва!
Аккумулятор должен находиться вдали от источников огня, искр и открытого пламени. Курить рядом запрещено!

Общие меры предосторожности
- При включении или выключении любого электрооборудования, а также при использовании приборов для прямого контактного измерения с аккумулятором, необходимо избегать образования искр.
- Перед подключением или отключением любых электрических устройств, соединённых с аккумулятором (например, прибор записи вождения, лампы внутреннего освещения и т. д.), следует сначала их выключить.
- Обязательно отсоедините все заземляющие провода и снимите соответствующие предохранители в центральном блоке управления, прежде чем работать с электрическими компонентами.
- Избегайте коротких замыканий, вызванных неправильным подключением полюсов или использованием гаечного ключа без изоляционной головки.
- Если нет крайней необходимости, не снимайте изоляционные крышки соединительных зажимов.
- После завершения монтажа всех электронных устройств обязательно в последнюю очередь подключите заземляющий провод.
Индивидуальные средства защиты
- Надевайте защитные очки или другие средства защиты глаз.
- Используйте защитную одежду, антикислотные перчатки и очки при работе с аккумулятором.
- Не наклоняйте аккумулятор, так как электролит может вытекать через вентиляционные отверстия.
- Дети должны находиться подальше от аккумулятора и кислотных жидкостей.
- Электролит (кислотная жидкость) обладает сильной едкостью.
- Контакт с ним может вызвать ожоги кожи и повреждение глаз.
- При попадании кислоты на кожу или одежду немедленно промойте поражённое место большим количеством воды и обратитесь за медицинской помощью.
- Следует строго соблюдать руководство по эксплуатации и все пояснения, предоставленные изготовителем аккумулятора.
Внимание! Опасность взрыва!
- После длительных поездок и зарядки аккумулятора может выделяться взрывоопасная водородно-кислородная смесь.
- Необходимо обеспечить надёжную вентиляцию помещения.
- В аккумуляторе содержатся загрязняющие вещества. Их следует утилизировать в соответствии с разделом «Охрана окружающей среды».
Хранение и транспортировка аккумулятора
- Аккумулятор необходимо хранить в прохладном и сухом месте.
- Аккумулятор без кислотного электролита допускается хранить длительное время.
- Если плотность электролита ниже 1.21 кг/л, аккумулятор следует зарядить.
- Чтобы предотвратить утечку электролита, аккумулятор следует хранить и транспортировать строго в вертикальном положении, положительной клеммой вверх. Это исключает риск опрокидывания и пролива.
- Защитную крышку с положительного полюса разрешается снимать только при подключении клемм аккумулятора.
- При демонтаже старого аккумулятора защитную крышку следует обязательно вернуть на место, закрыв положительный полюс.
Аккумулятор в рабочем состоянии
- Заполните аккумулятор электролитом (разведённой серной кислотой).
- Используйте раствор серной кислоты плотностью 1.28 кг/л (для умеренного климата) или 1.23 кг/л (для тропических областей).
Заполняйте аккумулятор до уровня 15 мм выше верхнего края пластин.
- Температура электролита и аккумулятора должна быть не ниже 10 °C.
После заполнения подождите примерно 15 минут, затем несколько раз аккуратно наклоните аккумулятор, чтобы удалить пузырьки воздуха.
- При необходимости добавьте электролит до отметки уровня, закрутите пробки и вытрите пролитую кислоту.
Если мощность аккумулятора остаётся недостаточной - повторите зарядку.
Зарядка аккумулятора
Предупреждение!
Опасность повреждения холодильника.
Перед подключением зарядного устройства необходимо отключить питание холодильника.
Порядок зарядки:
- Снимите аккумулятор с грузовика.
- Используйте подходящее зарядное устройство постоянного тока и соблюдайте инструкции производителя зарядного оборудования.
- Подключите положительный вывод аккумулятора к положительному выходу зарядного устройства, а отрицательный вывод — к отрицательному.
Меры безопасности:
- Обеспечьте хорошую вентиляцию помещения во время зарядки аккумулятора.
- Убедитесь, что батарея подключена к зарядному устройству, затем включите питание зарядного устройства.
- После завершения зарядки сначала выключите зарядное устройство, затем отсоедините аккумуляторот него.
- Рекомендуемый зарядный ток составляет 1/10 от номинальной ёмкости аккумулятора.
Предупреждение!
Опасность взрыва: при нагреве электролита > 55℃ немедленно прекратить заряд.
Признак полного заряда - отсутствие роста плотности/напряжения ≥ 2 ч.
При необходимости долить только дистиллированную воду.
Внимание
Кислоту не добавлять!
Отключение батареи и выключателя батареи
Заглушить двигатель и выключить все потребители.
Ключ - OFF; двери - закрыть.
Выждать ~20 с, затем отсоединить батарею (сначала «−»).
Главный выключатель - выключать спустя ~15 с.
При снятии батареи очистить площадку, закрепить новую, подключать в порядке: «+», затем «−», слегка смазать клеммы.
Техническое обслуживание аккумуляторной батареи
Предупреждение!
Протирать только влажной тканью (сухая может наэлектризоваться и воспламенить газ).
Держать батарею чистой и сухой.
Даже «необслуживаемая» требует контроля.
При высоком расходе воды проверить регулятор генератора на станции.
Не использовать «модификаторы».
Для хранения: снять и держать в прохладном месте или оставить на ТС с отсоединённым «−»; периодически подзаряжать.
Резервуар для хранения сжатого воздуха
Ресивер - накопитель воздуха для тормозов и вспом. систем.
Крепить лентами/кронштейнами, избегая контакта с сварными швами.
Для очистки применять нещелочные средства.
Регулярно сливать воду через нижний кран.
Запрещены сварка/нагрев/другие воздействия на ресивер и его фитинги.
Системы кондиционирования и холодильные компоненты
Предупреждение!
Хладагент и его пары вредны для здоровья.
Избегать контакта, использовать перчатки и очки; при попадании - срочно к врачу.
Не хранить хладагент в закрытых помещениях.
Откачка - только спецоборудованием.
Не выполнять сварочные/горячие работы рядом с компонентами охлаждения.
Не использовать пароочиститель.
Диагностика/ремонт - на станции Sinotruk.
Запрещён пропан-бутан.
Использовать только R134a; не смешивать R134a и R12, не заправлять R12 в систему под R134a.
Отработанное масло
- Меры предосторожности при обращении с отработанными нефтепродуктами
- Длительный или частый контакт с маслом приводит к удалению естественного жира с поверхности кожи, вызывая её сухость, раздражение и покраснение.
- Исследования на животных показали, что отработанное масло может содержать канцерогенные вещества.
Однако при соблюдении правил личной гигиены и техники безопасности отработанное масло не представляет значительной опасности.
Предупреждение - Охрана здоровья
- Избегайте длительного, чрезмерного или частого контакта с отработанным маслом.
- Защищайте кожу специальным репеллентом или перчатками из защитных материалов.
- Немедленно очищайте кожу, соприкоснувшуюся с маслом:
тщательно вымойте кожу с мылом и водой;
при необходимости используйте мягкую щётку для лучшего очищения;
можно применять специальные очищающие средства.
- Не используйте бензин, дизельное топливо, керосин, растворители или другие агрессивные жидкости для очистки кожи.
- После мытья нанесите защитный крем для кожи.
- Снимайте и стирайте загрязнённую одежду и обувь.
- Не храните загрязнённые маслом тряпки в карманах.
Холодные чистящие средства, не содержащие галогенов / топливо (чистота)
- Хранить вдали от детей; держать подальше от огня - не курить.
- Немедленно снимать загрязнённую/намокшую одежду.
Опасности:
Легковоспламеняющиеся/чрезвычайно воспламеняющиеся.
Токсичны при вдыхании/проглатывании/контакте.
Длительное воздействие вредно; топливо - онкогенно.
Защита фургона в боковой и задней части

Боковая защита: предотвращает наезд на пешеходов/велосипедистов.
Задняя защита: препятствует «подныриванию» сзади.

Предупреждающий треугольник: выставлять на 50–150 м позади ТС.
Основные требования к боковой защите инженерной машины
Боковое ограждение HOWO: продольные перила (гнутые сварные стальные трубы, крепление к раме болтами) и поперечные брусья (М-/С-образная сталь, сварка к перилам).

Основные требования к нижнему заднему ограждению инженерной машины
Стационарная конструкция: стойки, раскосы и поперечина; стойки - гнутый швеллер/уголок с внутренними раскосами, поперечина приварена к стойкам; стойки приварены к хвостовой части рамы.
Охрана среды

Использованные масла (двигатель, трансмиссия и т.п.)
Предупреждение!
Надёжно утилизируйте отработанные масла: они загрязняют грунтовые воды.
Запрещено сливать на землю, в воду или ливнёвку/канализацию. Собирать и сдавать на утилизацию согласно местным требованиям.
Фильтры и осушители
Использованные масляные/топливные фильтры, барабаны, картриджи осушителей - опасные отходы. Утилизировать по местным правилам.
Жидкость для охлаждения
Неразбавленный антифриз - опасный продукт. Смешанную охлаждающую жидкость (антифриз + вода) утилизировать по местным нормам.
Глава VII - Технические параметры
Технические параметры - Двигатели Евро V
Таблица параметров лампы

Таблица параметров приводного моста 1

Таблица параметров приводного моста 2

Таблица параметров приводного моста 3

Таблица параметров шин

Таблица параметров давления в шинах

на боковой стороне корпуса шин.
Обслуживание листовых рессор

Обслуживание балансира

